norelem 使用 Cookies 以优化设计和持续改进网页。您通过继续使用网页,同意使用 Cookies。在我们的数据保护声明中可以找到有关 Cookies 主题的详细信息。同意
万向球 带弹簧卡扣
95160

万向球 带弹簧卡扣

返回

商品描述/产品说明

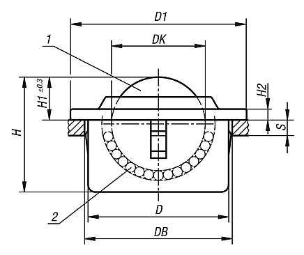
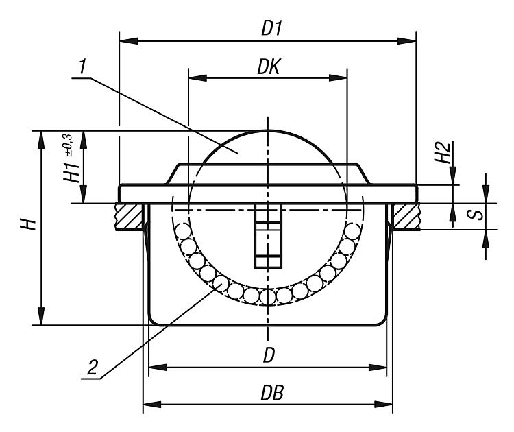
产品说明材料:钢制镀锌。提示:带弹簧卡扣的万向球可轻松从作用侧安装和拆卸。利用有弹簧卡扣进行固定。容许安装孔有较大公差。
它具备可防止脏污的毛毡密封件。
S = 安装板的最低额定厚度。
图纸提示:
1) 负载球
2) 支承球

B 型:镀锌盖罩和壳体,钢制珠
C 型:镀锌盖罩和壳体,不锈钢珠
特点:
RoHS
下载此处为收集信息的 PDF:

查找 CAD 数据?请直接在产品列表中查找。
 Datasheet 95160 万向球 带弹簧卡扣 261 kB
 万向球 安装说明及技术参数 271 kB

图纸

万向球 带弹簧卡扣

商品选择/筛选

订货号材料
载荷球
材料
支撑球
DKD

D1安装孔-Ø
DB
HH1H2S额定负载
C(N)
CAD配件价格订购
95160-115钢制钢制15,824±0,13125 +0,5219,52,82600 根据要求
95160-122钢制钢制22,236±0,14537 +0,5309,82,831600 根据要求
95160-130钢制钢制3045±0,15546 +0,53713,8463000 根据要求
95160-215不锈钢不锈钢15,824±0,13125 +0,5219,52,82600 根据要求
95160-222不锈钢不锈钢22,236±0,14537 +0,5309,82,831600 根据要求
95160-230不锈钢不锈钢3045±0,15546 +0,53713,8463000 根据要求
我的 norelemE-Mail密码
购物车
商品数量: 0
总数: 0.00  
点击购物车
欢迎扫描二维码
咨询诺瑞朗官方客服微信
中国
苏ICP备20011289号-1  苏公网安备32058502011222 网页地图 打印 推荐 Top
Copyright © 2025 norelem. 保留所有权利。 电话 +49 71 45/206-44 至 45 · 传真 +49 71 45/206-83