norelem 使用 Cookies 以优化设计和持续改进网页。您通过继续使用网页,同意使用 Cookies。在我们的数据保护声明中可以找到有关 Cookies 主题的详细信息。同意
凸面塑料导向辊轮,分别提供不带和带不锈钢销轴
95100-05

凸面塑料导向辊轮,分别提供不带和带不锈钢销轴

返回

商品描述/产品说明

产品说明材料:聚缩醛胎面 (POM)。
不锈钢轴承和销轴。
规格:白色胎面。提示:胎面牢固灌注在滚珠轴承上。

POM 胎面的优点是运行噪音低。

导向辊轮不适合承受冲击或轴向载荷。
径向载荷经过了 300 转速下的一百万转测试。载荷可能会因使用条件和环境而异。
技术参数:使用温度可达 105 °C。特点:
不锈钢RoHS
下载此处为收集信息的 PDF:

查找 CAD 数据?请直接在产品列表中查找。
 Datasheet 95100-05 凸面塑料导向辊轮,分别提供不带和带不锈钢销轴 201 kB

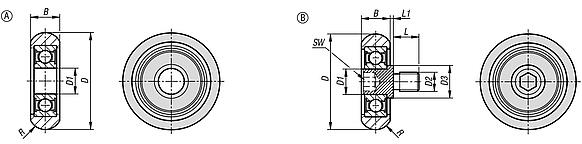
图片(总概述)

凸面塑料导向辊轮,分别提供不带和带不锈钢销轴

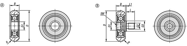
凸面塑料导向辊轮,分别提供不带和带不锈钢销轴 - 样式 A

更多信息

图纸

凸面塑料导向辊轮,分别提供不带和带不锈钢销轴 - 样式 A

商品选择/筛选

订货号BD

D1类型形状类型滚珠轴承
R径向负载
N
CAD配件价格订购
95100-05-0020066206A不带销轴696-HZZ598 根据要求
95100-05-0025066256A不带销轴696-HZZ598 根据要求
95100-05-0030099308A不带销轴608-HZZ5196 根据要求
95100-05-0035099358A不带销轴608-HZZ5196 根据要求

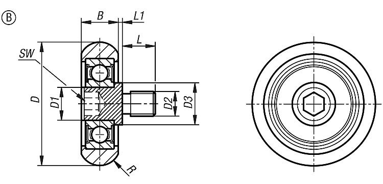
凸面塑料导向辊轮,分别提供不带和带不锈钢销轴 - 样式 B

更多信息

图纸

凸面塑料导向辊轮,分别提供不带和带不锈钢销轴 - 样式 B

商品选择/筛选

订货号BD

D1D2D3类型形状类型滚珠轴承
LL1R径向负载
N
SWCAD配件价格订购
95100-05-10200605X086206M58B带销轴696-HZZ815983 根据要求
95100-05-10200606X086206M68B带销轴696-HZZ815983 根据要求
95100-05-10250605X086256M58B带销轴696-HZZ815983 根据要求
95100-05-10250606X086256M68B带销轴696-HZZ815983 根据要求
95100-05-10300905X089308M510B带销轴608-HZZ80,551964 根据要求
95100-05-10300906X089308M610,2B带销轴608-HZZ8151965 根据要求
95100-05-10300906X129308M610,2B带销轴608-HZZ120,551965 根据要求
95100-05-10350905X089358M510B带销轴608-HZZ80,551964 根据要求
95100-05-10350906X089358M610,2B带销轴608-HZZ8151965 根据要求
95100-05-10350906X129358M610,2B带销轴608-HZZ120,551965 根据要求
我的 norelemE-Mail密码
购物车
商品数量: 0
总数: 0.00  
点击购物车
欢迎扫描二维码
咨询诺瑞朗官方客服微信
中国
苏ICP备20011289号-1  苏公网安备32058502011222 网页地图 打印 推荐 Top
Copyright © 2025 norelem. 保留所有权利。 电话 +49 71 45/206-44 至 45 · 传真 +49 71 45/206-83