|
|
产品说明材料:钢或不锈钢规格:钢制 黑色氧化处理。 不锈钢 亮色。提示:样式 C 可调整导向辊轮的高度。调整高度后,即可拧紧锁螺栓(详见应用图)。
95102-3006110, 95102-3008130, 95102-3010160, 95102-3012160 和 95102-3015170 商品的 D 尺寸公差存在差异。
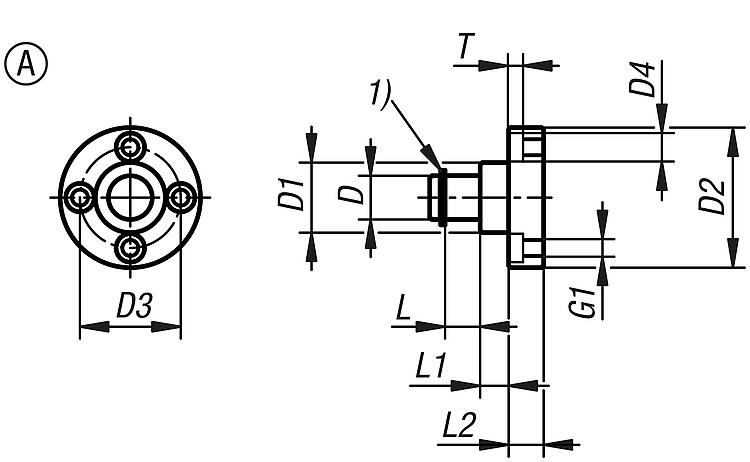
样式 A:带法兰。 样式 B:圆形款。 样式 C:偏心款。 样式 D:短款。附件:95101.002008 匹配 95102-3006055。 95101.102008 和 95101.102509 匹配 95102.3006110。 95101.103011 和 95101.103511 匹配 95102.3008130。 95101.104012 匹配 95102.3010160。 95101.104514 和 95101.105014 匹配 95102.3012160。 95101.105515 和 95101.106015 匹配 95102.3015170。
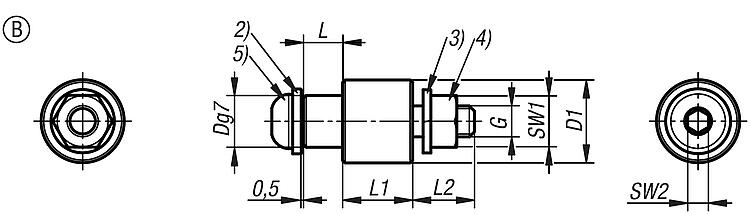
其他销轴: 其他导向辊轮 95101。 导向辊轮 95101-05, 95101-10, 95101-15, 95101-20 和 95101-25。图纸提示:1) 卡簧 2) 垫圈 3) 弹簧垫圈 4) 六角螺母六角螺母 5) 平头半圆头内六角螺栓 特点: 下载此处为收集信息的 PDF:
查找 CAD 数据?请直接在产品列表中查找。
|
|
样式 B 钢制或不锈钢销轴,适用于导向辊轮 |
更多信息 |
| 订货号 | D
| D1 | 类型 | G | L | L1 | L2 | 主体 材料 | SW1 | SW2 | CAD | 配件 | 价格 | 订购 |
|---|
| 95102-1006060 | 6 | 10 | B | M4 | 6 | 8,5 | 9,7 | 钢制 | 7 | 2,5 |  | | 根据要求 | | | 95102-1008070 | 8 | 12 | B | M5 | 7 | 12 | 10 | 钢制 | 8 | 3 |  | | 根据要求 | | | 95102-1010080 | 10 | 16 | B | M6 | 8 | 13,5 | 11,9 | 钢制 | 10 | 4 |  | | 根据要求 | | | 95102-1012100 | 12 | 19 | B | M8 | 10 | 15,5 | 12,9 | 钢制 | 13 | 5 |  | | 根据要求 | | | 95102-1015110 | 15 | 22 | B | M10 | 11 | 18,5 | 13,5 | 钢制 | 17 | 6 |  | | 根据要求 | | | 95102-1108070 | 8 | 12 | B | M5 | 7 | 12 | 10 | 不锈钢 | 8 | 3 |  | | 根据要求 | | | 95102-1110080 | 10 | 16 | B | M6 | 8 | 13,5 | 11,9 | 不锈钢 | 10 | 4 |  | | 根据要求 | | | 95102-1112100 | 12 | 19 | B | M8 | 10 | 15,5 | 12,9 | 不锈钢 | 13 | 5 |  | | 根据要求 | |
|
钢制或不锈钢销轴,适用于导向辊轮 - 样式 C |
更多信息 |
| 订货号 | D
| E | 类型 | G | L | L1 | L2 | 主体 材料 | SW | SW1 | SW2 | CAD | 配件 | 价格 | 订购 |
|---|
| 95102-2006060 | 6 | 0,3 | C | M4 | 6 | 8,5 | 9,7 | 钢制 | 10 | 7 | 2,5 |  | | 根据要求 | | | 95102-2008070 | 8 | 0,8 | C | M5 | 7 | 12 | 10 | 钢制 | 14 | 8 | 3 |  | | 根据要求 | | | 95102-2010080 | 10 | 1 | C | M6 | 8 | 13,5 | 11,9 | 钢制 | 14 | 10 | 4 |  | | 根据要求 | | | 95102-2012100 | 12 | 1 | C | M8 | 10 | 15,5 | 12,9 | 钢制 | 17 | 13 | 5 |  | | 根据要求 | | | 95102-2015110 | 15 | 1,5 | C | M10 | 11 | 18,5 | 13,5 | 钢制 | 19 | 17 | 6 |  | | 根据要求 | | | 95102-2108070 | 8 | 0,8 | C | M5 | 7 | 12 | 10 | 不锈钢 | 14 | 8 | 3 |  | | 根据要求 | | | 95102-2110080 | 10 | 1 | C | M6 | 8 | 13,5 | 11,9 | 不锈钢 | 14 | 10 | 4 |  | | 根据要求 | | | 95102-2112100 | 12 | 1 | C | M8 | 10 | 15,5 | 12,9 | 不锈钢 | 17 | 13 | 5 |  | | 根据要求 | |
|
钢制或不锈钢销轴,适用于导向辊轮 - 样式 D |
更多信息 |
| 订货号 | D
| D1 | 类型 | G | L | L1 | L2 | 主体 材料 | SW1 | SW2 | CAD | 配件 | 价格 | 订购 |
|---|
| 95102-3006055 | 6 | 10 | D | M4 | 5,5 | 4 | 5,7 | 钢制 | 7 | 2,5 |  | | 根据要求 | | | 95102-3006060 | 6 | 10 | D | M4 | 6 | 4 | 5,2 | 钢制 | 7 | 2,5 |  | | 根据要求 | | | 95102-3006110 | 6 | 10 | D | M4 | 11 | 4 | 9,2 | 钢制 | 7 | 2,5 |  | | 根据要求 | | | 95102-3008070 | 8 | 12 | D | M5 | 7 | 5,5 | 6,5 | 钢制 | 8 | 3 |  | | 根据要求 | | | 95102-3008130 | 8 | 12 | D | M5 | 13 | 5,5 | 10,5 | 钢制 | 8 | 3 |  | | 根据要求 | | | 95102-3010080 | 10 | 16 | D | M6 | 8 | 6,5 | 8,9 | 钢制 | 10 | 4 |  | | 根据要求 | | | 95102-3010160 | 10 | 16 | D | M6 | 16 | 6,5 | 10,9 | 钢制 | 10 | 4 |  | | 根据要求 | | | 95102-3012100 | 12 | 19 | D | M8 | 10 | 7,5 | 10,9 | 钢制 | 13 | 5 |  | | 根据要求 | | | 95102-3012160 | 12 | 19 | D | M8 | 16 | 7,5 | 14,9 | 钢制 | 13 | 5 |  | | 根据要求 | | | 95102-3015110 | 15 | 22 | D | M10 | 11 | 10 | 12 | 钢制 | 17 | 6 |  | | 根据要求 | | | 95102-3015170 | 15 | 22 | D | M10 | 17 | 10 | 16 | 钢制 | 17 | 6 |  | | 根据要求 | | | 95102-3108070 | 8 | 12 | D | M5 | 7 | 5,5 | 6,5 | 不锈钢 | 8 | 3 |  | | 根据要求 | | | 95102-3110080 | 10 | 16 | D | M6 | 8 | 6,5 | 8,9 | 不锈钢 | 10 | 4 |  | | 根据要求 | | | 95102-3112100 | 12 | 19 | D | M8 | 10 | 7,5 | 10,9 | 不锈钢 | 13 | 5 |  | | 根据要求 | |
|
|
|