norelem 使用 Cookies 以优化设计和持续改进网页。您通过继续使用网页,同意使用 Cookies。在我们的
数据保护声明
中可以找到有关 Cookies 主题的详细信息。
同意
全球分布
创意
AGB
版权说明
数据保护
产品
企业信息
服务
下载
新闻
联系方式
产品概览
固定
灵活的标准件系统
装配
装配系统
运动
用于机床和设备制造的系统/组件
检查
量具检具组件
夹紧
夹紧技术
控制和调节
电动机构
输送
输送和移动技术
technoshop
norelem inch
英制产品目录
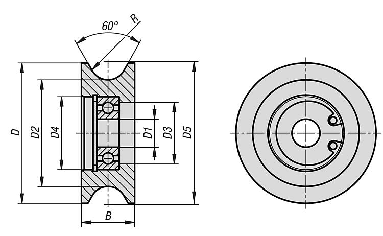
95101-10
凹面塑料导向辊轮
返回
产品
产品概览
输送和移动技术
输送和移动技术
轴承导辊
凹面塑料导向辊轮
商品描述/产品说明
产品说明
材料:
钢制。
规格:
镀镍胎面。
提示:
胎面与滚珠轴承通过卡簧牢固连接。
荷载系数以滚子轴承为准。
根据要求:
重载型。
经氧化处理或聚缩醛材质的黑色胎面。
不锈钢导向辊轮。
附件:
配套销轴 95102。
特点:
下载
此处为收集信息的 PDF:
查找 CAD 数据?请直接在产品列表中查找。
Datasheet 95101-10 凹面塑料导向辊轮
240 kB
图纸
商品选择/筛选
订货号
B
D
D1
D2
D3
D4
D5
滚珠轴承
R
额定负载
动态
N
额定负载
静态
N
CAD
配件
价格
订购
95101-10-003012
12
30
6
22
13
17
31
606-ZZ
4,5
2260
840
根据要求
95101-10-004016
16
40
8
30
18
22
41
608-ZZ
5,5
3300
1360
根据要求
95101-10-005019
19
50
10
38
22
26
51
6000-ZZ
6,5
4550
1970
根据要求
95101-10-006023
23
60
12
44
26
32
61
6201-ZZ
8,5
6800
3050
根据要求
95101-10-007028
28
70
15
51
29
35
72
6202-ZZ
10,5
7650
3700
根据要求
本类目的其他商品
95100
圆柱形塑料导向辊轮,分别提供带和不带不锈钢销轴
95100-05
凸面塑料导向辊轮,分别提供不带和带不锈钢销轴
95101
圆柱形塑料导向辊轮,不带销轴
95101-05
圆柱形塑料导向辊轮
95101-15
Y 样式钢制导向辊轮
95101-20
钢制导向辊轮,一端有法兰
95101-25
钢制导向辊轮,两端有法兰
95102
导向辊轮的钢制或不锈钢销轴
我的 norelem
E-Mail
密码
忘记密码
首次登陆
购物车
商品数量:
0
总数:
0.00
€
点击购物车
欢迎扫描二维码
咨询诺瑞朗官方客服微信
Algérie
Andorra
Argentina
Australia
België
Bolivia
Bosna i Hercegovina
Brasil
Canada
Česká republika
Chile
中国
Colombia
Costa Rica
Cuba
Danmark
Dem. Peop. Rep. of Korea
Deutschland
Ecuador
Eesti
España
Georgia
香港
Hrvatska
India
Ireland
Ísland
Italia
Jamaica
日本
Latvija
Liechtenstein
Lietuvos
Luxemburg
Magyarország
Malaysia
Malta
México
Nederland
New Zealand
Norge
Österreich
Pakistan
Paraguay
Perú
Polska
Portugal
Principauté de Monaco
台灣
Rep. di San Marino
대한민국
România
Schweiz
Singapore
Slovenija
Slovensko
South Africa
Suomi
Sverige
Türkiye
United Kingdom
United States of America
Uruguay
Venezuela
Việt Nam
Ελλάδα
Κύπρος
Беларусь
България
Република Србија
Россия
Србија и Црна Гора
Україна
ישראל
الامارات العربية المتحدة
السعودية
ايران
مصر
ประเทศไทย
Chinese
English
苏ICP备20011289号-1
苏公网安备32058502011222
网页地图
打印
推荐
Top
Copyright © 2025 norelem. 保留所有权利。
电话 +49 71 45/206-44 至 45 · 传真 +49 71 45/206-83