norelem 使用 Cookies 以优化设计和持续改进网页。您通过继续使用网页,同意使用 Cookies。在我们的数据保护声明中可以找到有关 Cookies 主题的详细信息。同意
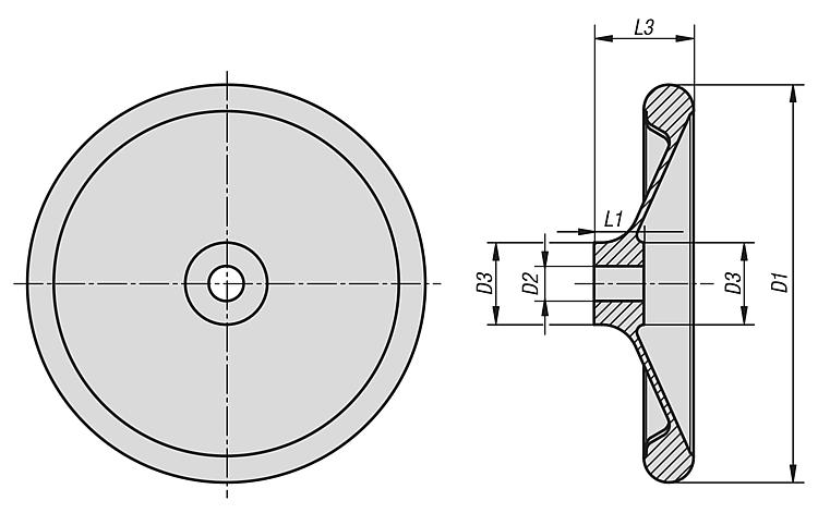
铝制手轮盘,类似 DIN 950 - inch
06279 inch

铝制手轮盘,类似 DIN 950 - inch

返回

商品描述/产品说明

产品说明材料:手轮,铝制。规格:轮缘经车削和抛光处理。
根据要求:内四角套筒或者经塑料涂层处理的手轮盘。特点:
RoHS
下载此处为收集信息的 PDF:

查找 CAD 数据?请直接在产品列表中查找。
 Datasheet 06279 inch 铝制手轮盘,类似 DIN 950 - inch 251 kB

图纸

铝制手轮盘,类似 DIN 950 - inch

商品选择/筛选

订货号

D1D2D3L1L3CAD配件价格订购
06279-0080XCN800,312251630 根据要求
06279-0080XCO800,375251630 根据要求
06279-0100XCO1000,375281731 根据要求
06279-0100XCP1000,5281731 根据要求
06279-0120XCO1200,375271830 根据要求
06279-0120XCP1200,5271830 根据要求
06279-0160XCP1600,5342040 根据要求
06279-0160XCQ1600,625342040 根据要求
06279-0200XCQ2000,625402444 根据要求
06279-0200XCR2000,75402444 根据要求
06279-0250XCR2500,75492861 根据要求
06279-0250XCV2500,875492861 根据要求
06279-0280XCR2800,75513038 根据要求
06279-0280XCV2800,875513038 根据要求
06279-0360XCV3600,875633573 根据要求
06279-0360XCS3601633573 根据要求
我的 norelemE-Mail密码
购物车
商品数量: 0
总数: 0.00  
点击购物车
欢迎扫描二维码
咨询诺瑞朗官方客服微信
中国
苏ICP备20011289号-1  苏公网安备32058502011222 网页地图 打印 推荐 Top
Copyright © 2025 norelem. 保留所有权利。 电话 +49 71 45/206-44 至 45 · 传真 +49 71 45/206-83