norelem 使用 Cookies 以优化设计和持续改进网页。您通过继续使用网页,同意使用 Cookies。在我们的数据保护声明中可以找到有关 Cookies 主题的详细信息。同意
手轮盘,带转动手柄 - inch
06287 inch

手轮盘,带转动手柄 - inch

返回

商品描述/产品说明

产品说明材料:

热固塑料 PF 31,黑色。
钢制套筒,镀镍,或者不锈钢 1.4305,亮色。
转动式手柄,钢制部件,镀镍,或者不锈钢 1.4305,亮色。

规格:经高光泽抛光处理。提示:英制产品目录中的D2型以英寸为单位,所有其他类型以mm为单位。根据要求:其他定位孔。图纸提示:
D 型: 预钻孔
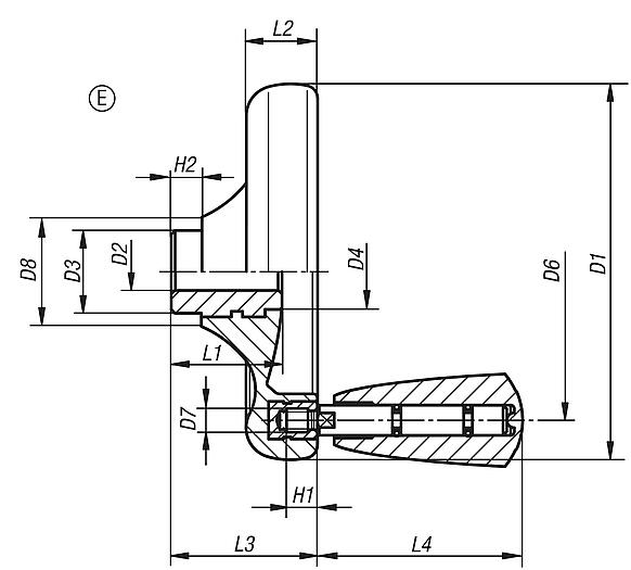
E 型: 带定位孔
特点:
RoHS
下载此处为收集信息的 PDF:

查找 CAD 数据?请直接在产品列表中查找。
 Datasheet 06287 inch 手轮盘,带转动手柄 - inch 180 kB

图片(总概述)

手轮盘,带转动手柄 - inch

手轮盘,带转动手柄,E 型,带定位孔 - inch

更多信息

图纸

手轮盘,带转动手柄,E 型,带定位孔 - inch

商品选择/筛选

手轮盘,带转动手柄,不锈钢金属件,E 型,带定位孔 - inch

更多信息

图纸

手轮盘,带转动手柄,不锈钢金属件,E 型,带定位孔 - inch

商品选择/筛选

我的 norelemE-Mail密码
购物车
商品数量: 0
总数: 0.00  
点击购物车
欢迎扫描二维码
咨询诺瑞朗官方客服微信
中国
苏ICP备20011289号-1  苏公网安备32058502011222 网页地图 打印 推荐 Top
Copyright © 2025 norelem. 保留所有权利。 电话 +49 71 45/206-44 至 45 · 传真 +49 71 45/206-83