norelem 使用 Cookies 以优化设计和持续改进网页。您通过继续使用网页,同意使用 Cookies。在我们的数据保护声明中可以找到有关 Cookies 主题的详细信息。同意

商品描述/产品说明

产品说明材料:乙缩醛共聚物 (POM)。规格:蓝色或黑色铰接软管。
橙色附件。
提示:灵活的铰接软管用于疏导或抽吸液体以及抽吸灰尘、蒸汽和烟雾。可任意加长和缩短。材料耐抗多数化学品和溶剂。不导电,因此也适合用于烧蚀机。

可定点调节、振动稳定、位置精确、压力稳定。可与喷嘴、螺栓连接、支管、T 形件、异径管、加长件等任意组合。

建议的管路压力:
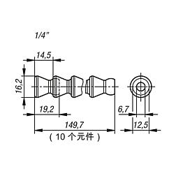
尺寸 1/4" 为 2-3.5 bar
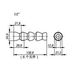
尺寸 1/2" 为 1.4-2 bar
尺寸 3/4" 为 0.7-1.4 bar

流量:
尺寸 1/4" 为 950 l/h。
尺寸 1/2" 为 1800 l/h。
尺寸 3/4" 为 4300 l/h。
温度范围:-20 °C 至 +80 °C。
下载此处为收集信息的 PDF:

查找 CAD 数据?请直接在产品列表中查找。
 Datasheet 96200 LOC-LINE® Flexi 冷却液软管 1,1 MB

图纸

LOC-LINE® Flexi 冷却液软管

商品选择/筛选

订货号产品名称

名称尺寸应用CAD配件价格订购
96200-1400141铰接软管 尺寸1/4 L=140, 蓝色铰接软管1/4 根据要求
96200-1400142铰接软管 尺寸1/4 L=140, 黑色铰接软管1/4 根据要求
96200-1415001铰接软管 尺寸1/4 L=15M, 蓝色铰接软管1/4 根据要求
96200-1415002铰接软管 尺寸1/4 L=15M, 黑色铰接软管1/4 根据要求
96200-1401圆形喷嘴 尺寸1/4, D=1,5圆形喷嘴1/4点状喷束 根据要求
96200-1402圆形喷嘴 尺寸1/4, D=3圆形喷嘴1/4点状喷束 根据要求
96200-1403圆形喷嘴 尺寸1/4, D=6圆形喷嘴1/4点状喷束 根据要求
96200-1404扁平喷嘴 宽束 尺寸1/4 B=25扁平喷嘴1/4加宽喷束 根据要求
96200-1405扁平喷嘴 尺寸1/4 B=12X1扁平喷嘴1/4具有恒定横截面的喷束 根据要求
96200-1406扁平喷嘴 尺寸1/4 B=12X1,5扁平喷嘴1/4具有恒定横截面的喷束 根据要求
96200-1407扁平喷嘴 尺寸1/4, 5 孔扁平喷嘴1/4多条平行单喷束 根据要求
96200-1408扁平喷嘴 尺寸1/4, 7 孔扁平喷嘴1/4多条平行单喷束 根据要求
96200-1409“8”字形喷嘴 尺寸1/4 B=25“8”字形喷嘴1/4直线聚焦喷束 根据要求
96200-1410扁平喷嘴 带球头关节 尺寸1/4, 16 孔, D=1扁平喷嘴1/4多条平行单喷束 根据要求
96200-1411扁平喷嘴 带球头关节 尺寸1/4, 16 孔, D=1,5扁平喷嘴1/4多条平行单喷束 根据要求
96200-1412扁平喷嘴 带球头关节 尺寸1/4, 20 孔, D=2扁平喷嘴1/4多条平行单喷束 根据要求
96200-1413角形喷嘴 90 度 尺寸1/4, D=1,5角形喷嘴1/4点状喷束 根据要求
96200-1414角形喷嘴 90 度 尺寸1/4, D=3角形喷嘴1/4点状喷束 根据要求
96200-1415角形喷嘴 90 度 尺寸1/4, D=6角形喷嘴1/4点状喷束 根据要求
96200-1416角形喷嘴 90 度 尺寸1/4, 6 孔角形喷嘴1/4多条平行单喷束 根据要求
96200-1417螺纹连接 NPT 1/8 尺寸1/4螺纹连接1/4带顶珠和外螺纹 根据要求
96200-1418螺纹连接 NPT 1/4 尺寸1/4螺纹连接1/4带顶珠和外螺纹 根据要求
96200-1419分配器 尺寸1/4分配器1/4从一条输入管路中可引出两根软管 根据要求
96200-1420分配器 尺寸1/4分配器1/4从一条输入管路中可引出两根 90° 角度的软管 根据要求
96200-1421连接件 尺寸1/4连接件1/4用在狭窄的弯曲之处 根据要求
96200-1422联轴器 尺寸1/4联轴器1/4两端带插槽 根据要求
96200-1423转接座 尺寸1/4, D=1/8转接座1/4带插槽和内螺纹 根据要求
96200-1424延长 尺寸1/4 L=95延长1/4用于跨接较长的距离 根据要求
96200-1425弯管 90 度 尺寸1/4弯管1/4用在弯曲之处 根据要求
96200-1426环形系统 尺寸1/4环形系统1/4带侧面冲孔 根据要求
96200-1427夹紧环 带螺栓 尺寸1/4夹紧环1/4避免压力较高时出现压弯或位置变化 根据要求
96200-1428单向阀 尺寸1/4单向阀1/4避免管路渗漏 根据要求
96200-1429关闭旋塞 外螺纹 尺寸1/4, NPT 1/4关闭旋塞1/4无级的调节和关停流量 根据要求
96200-1430关闭旋塞 内螺纹 尺寸1/4, NPT 1/4关闭旋塞1/4无级的调节和关停流量 根据要求
96200-1431关闭旋塞 带片段接口 尺寸1/4关闭旋塞1/4无级的调节和关停流量 根据要求
96200-1499安装工装 尺寸1/4安装工装1/4用于安装铰接软管元件。 根据要求
96200-1200141铰接软管 尺寸1/2 L=140, 蓝色铰接软管1/2 根据要求
96200-1200142铰接软管 尺寸1/2 L=140, 黑色铰接软管1/2 根据要求
96200-1215001铰接软管 尺寸1/2 L=15M, 蓝色铰接软管1/2 根据要求
96200-1215002铰接软管 尺寸1/2 L=15M, 黑色铰接软管1/2 根据要求
96200-1201圆形喷嘴 尺寸1/2, D=6圆形喷嘴1/2点状喷束 根据要求
96200-1202圆形喷嘴 尺寸1/2, D=9圆形喷嘴1/2点状喷束 根据要求
96200-1203圆形喷嘴 尺寸1/2, D=12圆形喷嘴1/2点状喷束 根据要求
96200-1204扁平喷嘴 宽束 尺寸1/2 B=32扁平喷嘴1/2加宽喷束 根据要求
96200-1205扁平喷嘴 宽束 尺寸1/2 B=63扁平喷嘴1/2加宽喷束 根据要求
96200-1206扁平喷嘴 尺寸1/2 B=18X2扁平喷嘴1/2具有恒定横截面的喷束 根据要求
96200-1207扁平喷嘴 尺寸1/2 B=18X3,2扁平喷嘴1/2具有恒定横截面的喷束 根据要求
96200-1208扁平喷嘴 尺寸1/2, 5 孔, D=3,2扁平喷嘴1/2多条平行单喷束 根据要求
96200-1209扁平喷嘴 尺寸1/2, 7 孔, D=2扁平喷嘴1/2多条平行单喷束 根据要求
96200-1210“8”字形喷嘴 尺寸1/2 B=32“8”字形喷嘴1/2直线聚焦喷束 根据要求
96200-1211“8”字形喷嘴 尺寸1/2 B=42“8”字形喷嘴1/2直线聚焦喷束 根据要求
96200-1212扁平喷嘴 带球头关节 尺寸1/2, 20 孔, D=2扁平喷嘴1/2多条平行单喷束 根据要求
96200-1213角形喷嘴 90 度 尺寸1/2, D=6角形喷嘴1/2点状喷束 根据要求
96200-1214角形喷嘴 90 度 尺寸1/2, D=9角形喷嘴1/2点状喷束 根据要求
96200-1215角形喷嘴 90 度 尺寸1/2, D=12角形喷嘴1/2点状喷束 根据要求
96200-1216角形喷嘴 90 度 尺寸1/2, 8 孔角形喷嘴1/2多条平行单喷束 根据要求
96200-1217螺纹连接 NPT 3/8 尺寸1/2螺纹连接1/2带顶珠和外螺纹 根据要求
96200-1218螺纹连接 NPT 1/2 尺寸1/2螺纹连接1/2带顶珠和外螺纹 根据要求
96200-1219分配器 尺寸1/2分配器1/2从一条输入管路中可引出两根软管 根据要求
96200-1220分配器 降低分配器1/2 - 1/4从一条输入管路中可引出两根软管 根据要求
96200-1221分配器 尺寸1/2分配器1/2从一条输入管路中可引出两根 90° 角度的软管 根据要求
96200-1222连接件 尺寸1/2, 橙色连接件1/2用在狭窄的弯曲之处 根据要求
96200-1223联轴器 尺寸1/2, 橙色联轴器1/2两端带插槽 根据要求
96200-1224变径轴套变径轴套1/2 - 1/4从 1/2“降至 1/4” 根据要求
96200-1225延长 尺寸1/2 L=95延长1/2用于跨接较长的距离 根据要求
96200-1226弯管 90 度 尺寸1/2弯管1/2用在弯曲之处 根据要求
96200-1227环形系统 尺寸1/2环形系统1/2带侧面冲孔 根据要求
96200-1228夹紧环 带螺栓 尺寸1/2夹紧环1/2避免压力较高时出现压弯或位置变化 根据要求
96200-1229单向阀 尺寸1/2单向阀1/2避免管路渗漏 根据要求
96200-1230关闭旋塞 外螺纹 尺寸1/2, NPT 1/2关闭旋塞1/2无级的调节和关停流量 根据要求
96200-1231关闭旋塞 内螺纹 尺寸1/2, NPT 1/2关闭旋塞1/2无级的调节和关停流量 根据要求
96200-1232关闭旋塞 带片段接口 尺寸1/2关闭旋塞1/2无级的调节和关停流量 根据要求
96200-1299安装工装 尺寸1/2安装工装1/2用于安装铰接软管元件。 根据要求
96200-3400151铰接软管 尺寸3/4 L=152, 蓝色铰接软管3/4 根据要求
96200-3400152铰接软管 尺寸3/4 L=152, 黑色铰接软管3/4 根据要求
96200-3401501铰接软管 尺寸3/4 L=1,5M, 蓝色铰接软管3/4 根据要求
96200-3401502铰接软管 尺寸3/4 L=1,5M, 黑色铰接软管3/4 根据要求
96200-3415001铰接软管 尺寸3/4 L=15M, 蓝色铰接软管3/4 根据要求
96200-3415002铰接软管 尺寸3/4 L=15M, 黑色铰接软管3/4 根据要求
96200-3401圆形喷嘴 尺寸3/4, D=16圆形喷嘴3/4点状喷束 根据要求
96200-3402圆形喷嘴 尺寸3/4, D=19圆形喷嘴3/4点状喷束 根据要求
96200-3403扁平喷嘴 宽束 尺寸3/4 B=76扁平喷嘴3/4加宽喷束 根据要求
96200-3404螺纹连接 NPT 3/4 尺寸3/4螺纹连接3/4带顶珠和外螺纹 根据要求
96200-3405螺纹连接 BSPT 3/4 尺寸3/4螺纹连接3/4带顶珠和外螺纹 根据要求
96200-3406固定脚 带螺纹孔 尺寸3/4固定脚3/4 根据要求
96200-3407分配器 尺寸3/4分配器3/4从一条输入管路中可引出两根软管 根据要求
96200-3408分配器 降低 尺寸3/4-1/2分配器3/4-1/2从 3/4" 降至 1/2" 根据要求
96200-3409变径轴套 尺寸3/4-1/2变径轴套3/4-1/2从 1/2“降至 1/4” 根据要求
96200-3410联轴器 尺寸3/4联轴器3/4两端带插槽 根据要求
96200-3411连接件 尺寸3/4连接件3/4用在狭窄的弯曲之处 根据要求
96200-3412关闭旋塞 外螺纹 尺寸3/4, NPT 3/4关闭旋塞3/4无级的调节和关停流量 根据要求
96200-3413关闭旋塞 内螺纹 尺寸3/4, NPT 3/4关闭旋塞3/4无级的调节和关停流量 根据要求
96200-3414关闭旋塞 带片段接口 尺寸3/4关闭旋塞3/4无级的调节和关停流量 根据要求
96200-3499安装工装 尺寸3/4安装工装3/4用于安装铰接软管元件。 根据要求
我的 norelemE-Mail密码
购物车
商品数量: 0
总数: 0.00  
点击购物车
欢迎扫描二维码
咨询诺瑞朗官方客服微信
中国
苏ICP备20011289号-1  苏公网安备32058502011222 网页地图 打印 推荐 Top
Copyright © 2025 norelem. 保留所有权利。 电话 +49 71 45/206-44 至 45 · 传真 +49 71 45/206-83