norelem 使用 Cookies 以优化设计和持续改进网页。您通过继续使用网页,同意使用 Cookies。在我们的数据保护声明中可以找到有关 Cookies 主题的详细信息。同意

商品描述/产品说明

产品说明材料:聚酰胺 (PA 6)。规格:黑色。提示:分隔板设计用于外部尺寸为 600x400 mm(内部尺寸约为 570x370 mm)的欧式容器,以对其进行分隔。可简单地将 200 和 360 mm 的分隔板插在一起分隔长边。通过一个 360 mm 的隔板分割短边。

因此,通过简单的分隔板连接,可将容器单独分隔为更小的隔间。以在运输过程中保护部件,防止损坏和滑落。分隔板还可轻松拆卸部件。

可以重复组合它们以重复利用分隔板。平放储存以节省空间。

可以将分隔板延长(最大长度 560 mm)或用锯子缩短。这意味着还可以用其分隔其他容器或抽屉。
特点:
RoHS
下载此处为收集信息的 PDF:

查找 CAD 数据?请直接在产品列表中查找。
 Datasheet 96512 用于欧式容器的塑料分隔板 448 kB

图纸

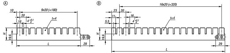
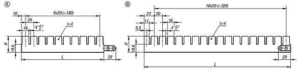
用于欧式容器的塑料分隔板

商品选择/筛选

订货号类型形状类型H

LCAD配件价格订购
96512-0390200A短款39200 根据要求
96512-0390360B长款39353 根据要求
我的 norelemE-Mail密码
购物车
商品数量: 0
总数: 0.00  
点击购物车
欢迎扫描二维码
咨询诺瑞朗官方客服微信
中国
苏ICP备20011289号-1  苏公网安备32058502011222 网页地图 打印 推荐 Top
Copyright © 2025 norelem. 保留所有权利。 电话 +49 71 45/206-44 至 45 · 传真 +49 71 45/206-83