norelem 使用 Cookies 以优化设计和持续改进网页。您通过继续使用网页,同意使用 Cookies。在我们的数据保护声明中可以找到有关 Cookies 主题的详细信息。同意

商品描述/产品说明

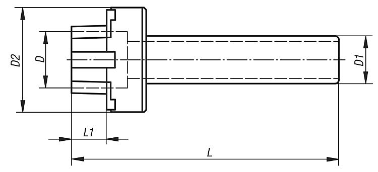
产品说明材料:塑料,羊毛衬面。提示:用于清洁(HSK)锥柄锥体。椎体清洁器由一个塑料体和不变形的羊毛衬面组成。凭借羊毛材料,不会产生磨粒。脏粒可能落入较大的间隙中。特点:
RoHS
下载此处为收集信息的 PDF:

查找 CAD 数据?请直接在产品列表中查找。
 Datasheet 96634 (HSK)锥柄 椎体清洁器 95 kB

图纸

(HSK)锥柄 椎体清洁器

商品选择/筛选

订货号尺寸

D

D1D2LL1CAD配件价格订购
96634-025HSK 251422331149 根据要求
96634-032HSK 3217243513810 根据要求
96634-040HSK 4022,2244514213 根据要求
96634-050HSK 5027,5245315217 根据要求
96634-063HSK 6335306616822 根据要求
96634-080HSK 8044308317827 根据要求
96634-100HSK 100573010319934 根据要求
我的 norelemE-Mail密码
购物车
商品数量: 0
总数: 0.00  
点击购物车
欢迎扫描二维码
咨询诺瑞朗官方客服微信
中国
苏ICP备20011289号-1  苏公网安备32058502011222 网页地图 打印 推荐 Top
Copyright © 2025 norelem. 保留所有权利。 电话 +49 71 45/206-44 至 45 · 传真 +49 71 45/206-83