norelem 使用 Cookies 以优化设计和持续改进网页。您通过继续使用网页,同意使用 Cookies。在我们的数据保护声明中可以找到有关 Cookies 主题的详细信息。同意
锥形润滑油嘴,符合 DIN 71412 用于压入
97940-01

锥形润滑油嘴,符合 DIN 71412 用于压入

返回

商品描述/产品说明

查看/筛选所有商品
产品说明材料:

钢或不锈钢 1.4305。

规格:钢制,硬化,至少 550 HV 1,电镀锌。
不锈钢,亮色。
提示:锥形注油嘴适用于必须经常可靠地进行润滑的润滑位置。因为使用方式多样,这种螺纹广泛用在各种扩展的滑脂嘴类型上。

锥形注油嘴配有一个光滑的销,用于压入。用于压入的润滑油嘴仅适用于低压。
装配:定位孔的具体尺寸取决于材料,必须由用户通过安装测试来确定。安装孔的导向尺寸与我们指定的销直径相对应。

对于直形润滑油嘴,我们建议使用压入工具,以便能够温和地将油嘴压入。
下载此处为收集信息的 PDF:

查找 CAD 数据?请直接在产品列表中查找。
 Datasheet 97940-01 锥形润滑油嘴,符合 DIN 71412 用于压入 195 kB

图片(总概述)

锥形润滑油嘴,符合 DIN 71412 用于压入

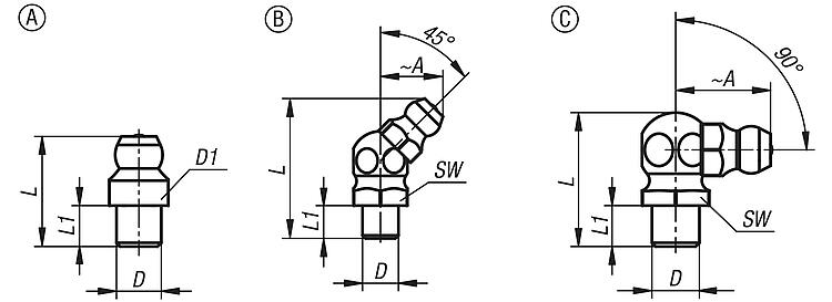
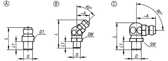
锥形润滑油嘴,符合 DIN 71412,用于压入,A 型

更多信息

图纸

锥形润滑油嘴,符合 DIN 71412,用于压入,A 型

商品选择/筛选

订货号类型形状类型主体
材料
主体
表面
D

D1L
max.
L1CAD配件价格订购
97940-01-110408A直型,带六角钢制硬化并且镀锌48156 根据要求
97940-01-110508A直型,带六角钢制硬化并且镀锌58156,5 根据要求
97940-01-110608A直型,带六角钢制硬化并且镀锌68155,7 根据要求
97940-01-110710A直型,带六角钢制硬化并且镀锌710156 根据要求
97940-01-110810A直型,带六角钢制硬化并且镀锌810156,5 根据要求
97940-01-111012A直型,带六角钢制硬化并且镀锌1012155,5 根据要求
97940-01-210408A直型,带六角不锈钢亮色48156 根据要求
97940-01-210608A直型,带六角不锈钢亮色68155,7 根据要求
97940-01-210810A直型,带六角不锈钢亮色810155,6 根据要求

锥形润滑油嘴,符合 DIN 71412,用于压入,B 型

更多信息

图纸

锥形润滑油嘴,符合 DIN 71412,用于压入,B 型

商品选择/筛选

订货号类型形状类型AD

L
max.
L1SWCAD配件价格订购
97940-01-120410B45  倾斜式,带六角11423,76,510 根据要求
97940-01-120510B45  倾斜式,带六角115245,610 根据要求
97940-01-120609B45  倾斜式,带六角116245,59 根据要求
97940-01-120810B45  倾斜式,带六角11823,84,510 根据要求
97940-01-121011B45  倾斜式,带六角111024,55,511 根据要求

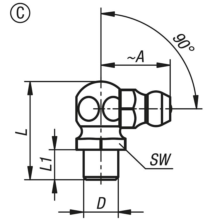
锥形润滑油嘴,符合 DIN 71412,用于压入,C 型

更多信息

图纸

锥形润滑油嘴,符合 DIN 71412,用于压入,C 型

商品选择/筛选

订货号类型形状类型AD

L=长度 max.L1=螺纹长度SWCAD配件价格订购
97940-01-130411C90  倾斜式,带六角13420,35,59 根据要求
97940-01-130510C90  倾斜式,带六角135195,510 根据要求
97940-01-130609C90  倾斜式,带六角136195,59 根据要求
97940-01-130811C90  倾斜式,带六角138195,511 根据要求
97940-01-131011C90  倾斜式,带六角131019,45,511 根据要求
我的 norelemE-Mail密码
购物车
商品数量: 0
总数: 0.00  
点击购物车
欢迎扫描二维码
咨询诺瑞朗官方客服微信
中国
苏ICP备20011289号-1  苏公网安备32058502011222 网页地图 打印 推荐 Top
Copyright © 2025 norelem. 保留所有权利。 电话 +49 71 45/206-44 至 45 · 传真 +49 71 45/206-83