norelem 使用 Cookies 以优化设计和持续改进网页。您通过继续使用网页,同意使用 Cookies。在我们的
数据保护声明
中可以找到有关 Cookies 主题的详细信息。
同意
全球分布
创意
AGB
版权说明
数据保护
产品
企业信息
服务
下载
新闻
联系方式
产品概览
固定
灵活的标准件系统
装配
装配系统
运动
用于机床和设备制造的系统/组件
检查
量具检具组件
夹紧
夹紧技术
控制和调节
电动机构
输送
输送和移动技术
technoshop
norelem inch
英制产品目录
97942-01
漏斗形润滑油嘴,符合 DIN 3405 用于压入
返回
产品
产品概览
norelem technoshop
润滑剂、 胶粘技术、 滑脂嘴
滑脂嘴
漏斗形润滑油嘴,符合 DIN 3405 用于压入
商品描述/产品说明
查看/筛选所有商品
产品说明
材料:
钢或不锈钢 1.4305。
规格:
钢制镀锌。
亮色不锈钢。
提示:
漏斗形滑脂嘴特别适用于齐平或下陷安装。
漏斗的形状确保了在难以接近的位置也可进行所需的润滑。
漏斗形滑脂嘴配有一个光滑的销,用于压入。用于压入的润滑油嘴仅适用于低压。
装配:
定位孔的具体尺寸取决于材料,必须由用户通过安装测试来确定。安装孔的导向尺寸与我们指定的销直径相对应。
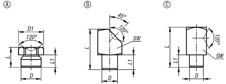
图纸提示:
A 型:直
B 型:弯曲 45°
C 型:弯曲 90°
下载
此处为收集信息的 PDF:
查找 CAD 数据?请直接在产品列表中查找。
Datasheet 97942-01 漏斗形润滑油嘴,符合 DIN 3405 用于压入
171 kB
图片(总概述)
漏斗形润滑油嘴,符合 DIN 3405,用于压入,A 型
更多信息
图纸
商品选择/筛选
订货号
类型
主体
材料
主体
表面
D
D1
L
L1
CAD
配件
价格
订购
97942-01-110406
A
钢制
镀锌
4
5
6
4,5
根据要求
97942-01-110506
A
钢制
镀锌
5
6
6
4,5
根据要求
97942-01-110608
A
钢制
镀锌
6
8
7,3
5
根据要求
97942-01-110810
A
钢制
镀锌
8
10
9
6,5
根据要求
97942-01-111012
A
钢制
镀锌
10
12
9,5
6,5
根据要求
97942-01-210406
A
不锈钢
亮色
4
5
6
4,5
根据要求
97942-01-210506
A
不锈钢
亮色
5
6
6
4,5
根据要求
97942-01-210608
A
不锈钢
亮色
6
8
7,3
5
根据要求
97942-01-210810
A
不锈钢
亮色
8
10
9
6,5
根据要求
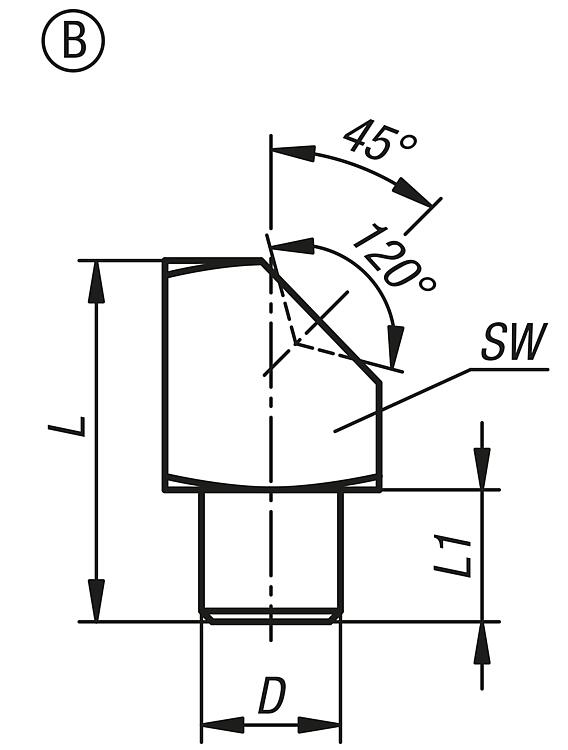
漏斗形润滑油嘴,符合 DIN 3405,用于压入,B 型
更多信息
图纸
商品选择/筛选
订货号
类型
主体
材料
主体
表面
D
L
L1
SW
CAD
配件
价格
订购
97942-01-120811
B
钢制
镀锌
8
15
5
11
根据要求
97942-01-121011
B
钢制
镀锌
10
15
6
11
根据要求
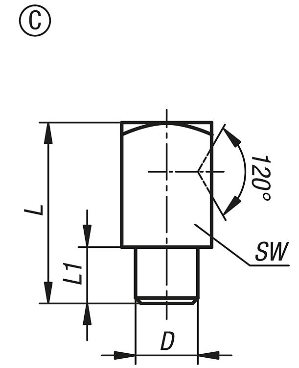
漏斗形润滑油嘴,符合 DIN 3405,用于压入,C 型
更多信息
图纸
商品选择/筛选
订货号
类型
主体
材料
主体
表面
D
L
L1
SW
CAD
配件
价格
订购
97942-01-130611
C
钢制
镀锌
6
18
5
11
根据要求
97942-01-130811
C
钢制
镀锌
8
18
5
11
根据要求
97942-01-131011
C
钢制
镀锌
10
18
5,5
11
根据要求
本类目的其他商品
97940
润滑嘴
锥形符合 DIN 71412
97940-01
锥形润滑油嘴,符合 DIN 71412 用于压入
97940-01
锥形润滑油嘴压入工具,符合 DIN 71412 标准
97941
润滑嘴保护罩
用于锥形润滑嘴
97942
润滑嘴
漏斗形符合 DIN 3405
97944
润滑嘴
扁型符合 DIN 3404
97950
钢制润滑油嘴零件箱
我的 norelem
E-Mail
密码
忘记密码
首次登陆
购物车
商品数量:
0
总数:
0.00
€
点击购物车
欢迎扫描二维码
咨询诺瑞朗官方客服微信
Algérie
Andorra
Argentina
Australia
België
Bolivia
Bosna i Hercegovina
Brasil
Canada
Česká republika
Chile
中国
Colombia
Costa Rica
Cuba
Danmark
Dem. Peop. Rep. of Korea
Deutschland
Ecuador
Eesti
España
Georgia
香港
Hrvatska
India
Ireland
Ísland
Italia
Jamaica
日本
Latvija
Liechtenstein
Lietuvos
Luxemburg
Magyarország
Malaysia
Malta
México
Nederland
New Zealand
Norge
Österreich
Pakistan
Paraguay
Perú
Polska
Portugal
Principauté de Monaco
台灣
Rep. di San Marino
대한민국
România
Schweiz
Singapore
Slovenija
Slovensko
South Africa
Suomi
Sverige
Türkiye
United Kingdom
United States of America
Uruguay
Venezuela
Việt Nam
Ελλάδα
Κύπρος
Беларусь
България
Република Србија
Россия
Србија и Црна Гора
Україна
ישראל
الامارات العربية المتحدة
السعودية
ايران
مصر
ประเทศไทย
Chinese
English
苏ICP备20011289号-1
苏公网安备32058502011222
网页地图
打印
推荐
Top
Copyright © 2025 norelem. 保留所有权利。
电话 +49 71 45/206-44 至 45 · 传真 +49 71 45/206-83