norelem 使用 Cookies 以优化设计和持续改进网页。您通过继续使用网页,同意使用 Cookies。在我们的数据保护声明中可以找到有关 Cookies 主题的详细信息。同意
润滑嘴 扁型符合 DIN 3404
97944

润滑嘴 扁型符合 DIN 3404

返回

商品描述/产品说明

产品说明材料:

钢或不锈钢 1.4305。

规格:钢制镀锌。
亮色不锈钢。
提示:扁型润滑嘴特别适用于需要较大润滑剂活动空间的润滑位置,因为它的结构确保了可通过较大的润滑剂流量。扁型润滑嘴稳定的结构决定其优先应用在外部负荷较高的机器上。
下载此处为收集信息的 PDF:

查找 CAD 数据?请直接在产品列表中查找。
 Datasheet 97944 润滑嘴 扁型符合 DIN 3404 182 kB

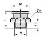
图纸

润滑嘴 扁型符合 DIN 3404

商品选择/筛选

订货号主体
材料
D

D1LL1SWCAD配件价格订购
97944-11006100钢制M6x11013,55,511 根据要求
97944-11008100钢制M8x11013,55,511 根据要求
97944-11010100钢制M10x11013,55,511 根据要求
97944-11018钢制G1/81015611 根据要求
97944-11606100钢制M6X11617617 根据要求
97944-11608100钢制M8X11617717 根据要求
97944-11608125钢制M8X1,251617617 根据要求
97944-11610100钢制M10X11617617 根据要求
97944-11610150钢制M10X1,51617617 根据要求
97944-11612150钢制M12x1,51617617 根据要求
97944-11616150钢制M16x1,51618717 根据要求
97944-11618钢制G1/81617617 根据要求
97944-11614钢制G1/41617617 根据要求
97944-12216150钢制M16x1,52222822 根据要求
97944-12214钢制G1/42222822 根据要求
97944-12238钢制G3/82222822 根据要求
97944-21606100不锈钢M6X116176,617 根据要求
97944-21608100不锈钢M8X11617717 根据要求
97944-21608125不锈钢M8x1,251617617 根据要求
97944-21610100不锈钢M10x11617617 根据要求
97944-21610150不锈钢M10x1,51617617 根据要求
97944-21612150不锈钢M12x1,51617617 根据要求
97944-21618不锈钢G1/81617617 根据要求
97944-21614不锈钢G1/41617617 根据要求
97944-22216150不锈钢M16x1,52222822 根据要求
97944-22214不锈钢G1/42221,5822 根据要求
97944-22238不锈钢G3/82223,5822 根据要求
我的 norelemE-Mail密码
购物车
商品数量: 0
总数: 0.00  
点击购物车
欢迎扫描二维码
咨询诺瑞朗官方客服微信
中国
苏ICP备20011289号-1  苏公网安备32058502011222 网页地图 打印 推荐 Top
Copyright © 2025 norelem. 保留所有权利。 电话 +49 71 45/206-44 至 45 · 传真 +49 71 45/206-83