norelem uses cookies to optimally design and continually improve the website. By continuing to use this website, you agree to the use of cookies. You can find more information about cookies in our Data protection declaration.okay
UNILOCK Turn clamping stations
42756-10

UNILOCK Turn clamping stations

go back

Item description/product images

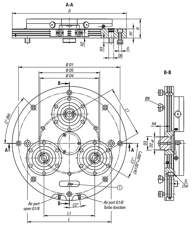
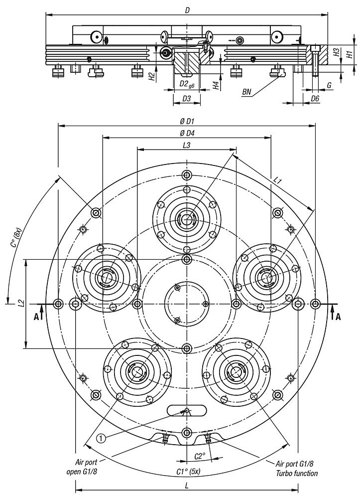
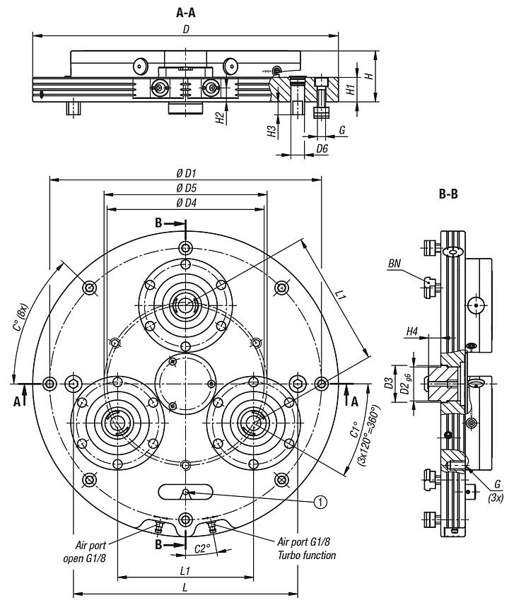
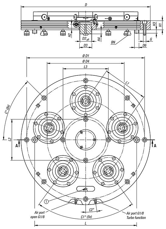
DescriptionMaterial:Baseplate steel.
Clamping module case-hardening steel.
Version:Baseplate ground and oxidised both sides.
Clamping module contact faces hardened and ground.
Note:Pre-assembled turn clamping stations with integrated UNILOCK ESM138-C clamping modules for turning/milling centres. Turning technology and stationary clamping technology can be combined using these clamping stations. The clamping stations are attached to the machine table using centring pins and slot keys.
The clamping modules are actuated using a central pneumatic port.
The high clamping forces are generated via the integrated spring package (the unit clamps while not under pressure). A visual indicator pin shows that the turbo function is activated.
Clamping is released pneumatically.

The following clamping forces are possible with the UNILOCK clamping bolt in conjunction with M10, M12, M16 fastening screws:
- Clamping force (M10) 35,000 N/module
- Clamping force (M12) 50,000 N/module
- Clamping force (M16) 75,000 N/module
Clamping force with DIN EN ISO 4762 -12.9 cap screws

Clamping bolts may only be clamped in conjunction with a mounted interchangeable unit in the clamping module.
Type of operation:42756-10-320045075
Max. speed: 1400 1/min

42756-10-520057079
Max. speed: 2000 1/min
Technical data:- Opening pressure: 6 bar, lubricated air.
- Air port: G1/8.
- Repeat accuracy ≤ 0.005 mm.
- Concentricity < 0.02 mm.
Temperature range:+5 °C to +60 °C.On request:Clamping station in special dimensions.Accessory:- UNILOCK clamping pin 42208.
- UNILOCK interchangeable subplates for zero-point clamping system 42755.
- UNILOCK protective bolt for clamping module 42796.
- UNILOCK protective plug for clamping module 42796.
Supplied with- Clamping station.
- Mounting screws.
- Centring pin.
- Alignment pins.
- Slot keys.
- Ring bolts.
- Operating instructions.
Special features:
RoHS
DownloadHere is all the information as a PDF datasheet:

Are you looking for CAD data? These can be found directly in the product table.
 Datasheet 42756-10 UNILOCK Turn clamping stations 382 kB

Drawings (total overview)

UNILOCK Turn clamping stations
UNILOCK Turn clamping stations

UNILOCK Turn clamping stations, 3x

More information

Drawings

UNILOCK Turn clamping stations, 3x

Item selection/filter

Order No.Version 2Form definitionD

HCC1C2D1D2D3D4D5D6CADAcc.PriceOrder
42756-10-3200450753xwithout rotation lock45075453010,54005055230,9424020 on request
Order No.Version 2GH1H2H3H4LL1Retraction force
with turbo
kN
CADAcc.PriceOrder
42756-10-3200450753xM123620,5191833020084 on request

UNILOCK Turn clamping stations, 5x

More information

Drawings

UNILOCK Turn clamping stations, 5x

Item selection/filter

Order No.Version 2Form definitionD

HCC1C2D1D2D3D4D6CADAcc.PriceOrder
42756-10-5200570795xwithout rotation lock57079457295205055340,2620 on request
Order No.Version 2GH1H2H3H4LL1L2L3Retraction force
with turbo
kN
CADAcc.PriceOrder
42756-10-5200570795xM1240251518450200180200140 on request
My norelemE-mailPassword
Shopping cart
Number of items: 0
Amount: 0.00  
shopping cart
欢迎扫描二维码
咨询诺瑞朗官方客服微信
China
苏ICP备20011289号-1  苏公网安备32058502011222 Sitemap Print Recommended Top
Copyright © 2025 norelem. All rights reserved. Tel. +49 71 45/206-44 to 45 · Fax +49 71 45/206-83