norelem uses cookies to optimally design and continually improve the website. By continuing to use this website, you agree to the use of cookies. You can find more information about cookies in our Data protection declaration.okay
UNILOCK clamping module ERGO 138
42780

UNILOCK clamping module ERGO 138

go back

Item description/product images

DescriptionMaterial:Carbon steel.Version:Contact faces hardened and ground.Note:The UNILOCK clamp modules can be mounted in any position, with or without projection on machine tables or as part of fixtures (plates, cubes, towers etc). The pneumatic control of the clamping modules can be carried out independently or together,thus an individual zero-point clamping system can be fabricated.The modular design allows the number of and distance between the clamp modules to be ideally adjusted to suit the clamping task. The set-up times are significantly reduced and so the running times of the machines are extended.

A very low installation height of the clamping modules is achieved by the compact design of the flat clamping slides.

The high clamping forces are generated by the integrated spring package (the unit is clamped without constant air pressure).
The release process is pneumatic.
Even in the event of a pressure drop or fluctuations in the compressed air supply, the full traction force is maintained.

All clamping modules have a turbo function included as standard. A short air impulse at the "Turbo" air port increases the normal traction force, achieved by the springs, significantly. Consequently, the clamping modules can also be used for heavy-feed machining.

Use of the turbo function for maximum traction force is recommended.

The following clamping forces are possible with the UNILOCK clamping bolt in conjunction with M10, M12, M16 fastening screws:
- Clamping force (M10) 35,000 N
- Clamping force (M12) 50,000 N
- Clamping force (M16) 75,000 N
Clamping force with DIN EN ISO 4762 -12.9 cap screws.

Clamping bolts may only be clamped in conjunction with a mounted interchangeable unit in the clamping module.

A consistent clamping bolt size for all clamping modules and compatibility with the 5-axis module clamping system 80 guarantees diverse combinations of application possibilities.

The ERGO clamping modules are available with and without rotation lock.
Technical data:- Traction force with turbo from 18 kN.
- System pressure: 6 bar, lubricated air.
- Repeat accuracy ≤0.005 mm.
- Temperature range 5° to 60° C.
- Optional port for blow-out air.
Advantages:- Compact flat design through flat slides.
- Turbo-function as standard.
- Repeat accuracy ≤0.005 mm.
- Positioning via short taper.
- High traction force.
- Setup time optimisation.
Note:Recommended nominal hose size:
- Up to four clamping modules, hose size 6 mm.
- From five clamping modules, hose size 8 mm.
Functional principle:The clamping modules can be connected either via the connections on the base plate or directly on the clamping module via the threaded port.

In order to guarantee the function of the clamping slides, the venting of the upper piston chamber must be carried out via the "Turbo" air port.

This can be implemented through one of four options:
1) Connection and use of the turbo function in the base plate next to the "Open" port. This also enables the clamping module to be additionally tensioned with a short air pulse if required. (recommended)
2) Simple hole in the baseplate connected to the turbo port to permit air to escape. To seal the bore against dirt, use a vent screw instead of a connection with a shut-off function.
3) In the third case, the piston chamber must be vented via a bore that is connected below the baseplate via a transverse slot. This bore must join with the turbo port so that venting can take place.
4) If the clamping module is controlled from the side, the one vent screw must also be inserted at this point.
Supplied with1x clamping module.
1x O-ring Ø95x1,5.
2x O-rings Ø8x2 for media feed.
6x fastening screws.
6x cover caps for fastening screws.
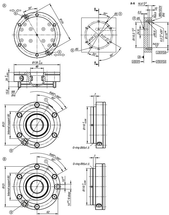
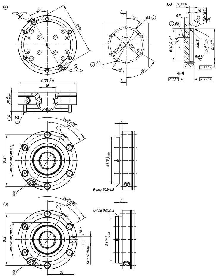
Drawing reference:
a) Underside hose-less port (open)
O-ring Ø8x2
b) Underside hose-less port (turbo)
O-ring Ø8x2
c) Centering rim
d) Vent
f) Lateral connection G1/8 (actuator open)
g) Lateral connection G1/8 (turbo)

The connections for the clamping modules are labeled with arrow symbols on the outside diameter.
Special features:
RoHS
DownloadHere is all the information as a PDF datasheet:

Are you looking for CAD data? These can be found directly in the product table.
 Datasheet 42780 UNILOCK clamping module ERGO 138 356 kB

Drawings

UNILOCK clamping module ERGO 138
UNILOCK clamping module ERGO 138

Item selection/filter

Order No.

FormForm definitionP=Operating
pressure
bar
Retraction force
with turbo
kN
weight
kg
CADAcc.PriceOrder
42780-138280Awithout rotation lock6183.57 on request
42780-138281Bwith rotation lock6183.43 on request
My norelemE-mailPassword
Shopping cart
Number of items: 0
Amount: 0.00  
shopping cart
欢迎扫描二维码
咨询诺瑞朗官方客服微信
China
苏ICP备20011289号-1  苏公网安备32058502011222 Sitemap Print Recommended Top
Copyright © 2025 norelem. All rights reserved. Tel. +49 71 45/206-44 to 45 · Fax +49 71 45/206-83