|
|
|
05596-10Snap locks, plastic, with fold-down grip |
go back |
|
Item description/product images |
|
|
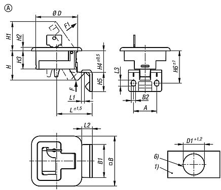
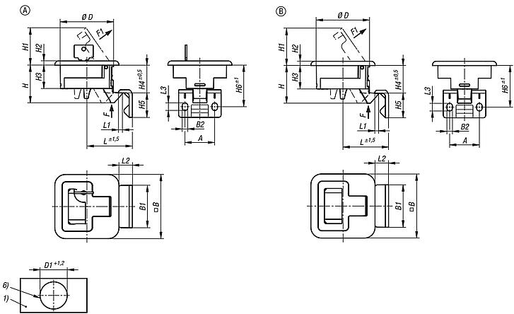
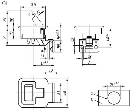
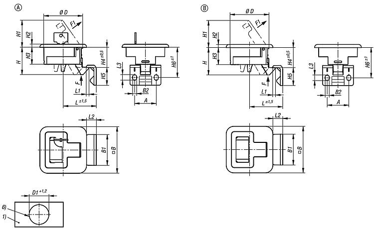
DescriptionMaterial:PC/ABS.Version:Housing black, white or beige. Grip black, chromed, white or beige.Note:The fold-down grips enable these snap locks to be installed flush into doors, hatches or panels. Available in different sizes for different door leaf thicknesses. Additional security with lockable variants. The spring-loaded grip prevents rattling.
Flammability (plastic version): listed UL94-HB. Max. torque to tighten the screws: 2 Nm.
Form A: lockable Form B: not lockableType of operation:When the grip is pulled, the latch retracts and the door can be opened. The door latches automatically when pushed shut. The latch can also be actuated from the rear.Application:- Automobile industry - Medical technology - Machine construction - Boat and ship building - Aviation and aerospace - Furniture industryAssembly:1. Produce a mounting cutout as shown in the drawing. 2. Attach the catch plate. 3. Secure from the rear using the mounting parts supplied.Supplied withMounting bracket with M5 screws and catch plate. The lockable snap locks are each supplied with 2 keys. M5 screws for the catch plate are not supplied.Drawing reference:1) Door leaf 2) Frame 3) Grip 4) Catch plate 5) Mounting bracket thickness (see Table H7) 6) Mounting cutout DownloadHere is all the information as a PDF datasheet:
Are you looking for CAD data? These can be found directly in the product table.
|
Drawings (total overview) |
| Order No. | Form | Form definition | Main colour | Component colour | A | B | B1 | B2 | D | D1 | D2 | H | H1 | H2 | CAD | Acc. | Price | Order |
|---|
| 05596-10-2102356000 | A | lockable | black | black | 28 | 60 | 40 | 5,2 | 50 | 50 | 5,5 | 35,41 | 35 | 4 |  | | on request | | | 05596-10-2107356000 | A | lockable | black | black | 28 | 60 | 40 | 5,2 | 50 | 50 | 5,5 | 35,41 | 35 | 4 |  | | on request | | | 05596-10-2112356000 | A | lockable | black | black | 28 | 60 | 40 | 5,2 | 50 | 50 | 5,5 | 35,41 | 35 | 4 |  | | on request | | | 05596-10-2117356000 | A | lockable | black | black | 28 | 60 | 40 | 5,2 | 50 | 50 | 5,5 | 35,41 | 35 | 4 |  | | on request | | | 05596-10-2102356022 | A | lockable | white | white | 28 | 60 | 40 | 5,2 | 50 | 50 | 5,5 | 35,41 | 35 | 4 |  | | on request | | | 05596-10-2107356022 | A | lockable | white | white | 28 | 60 | 40 | 5,2 | 50 | 50 | 5,5 | 35,41 | 35 | 4 |  | | on request | | | 05596-10-2112356022 | A | lockable | white | white | 28 | 60 | 40 | 5,2 | 50 | 50 | 5,5 | 35,41 | 35 | 4 |  | | on request | | | 05596-10-2117356022 | A | lockable | white | white | 28 | 60 | 40 | 5,2 | 50 | 50 | 5,5 | 35,41 | 35 | 4 |  | | on request | | | 05596-10-2102356033 | A | lockable | beige | beige | 28 | 60 | 40 | 5,2 | 50 | 50 | 5,5 | 35,41 | 35 | 4 |  | | on request | | | 05596-10-2107356033 | A | lockable | beige | beige | 28 | 60 | 40 | 5,2 | 50 | 50 | 5,5 | 35,41 | 35 | 4 |  | | on request | | | 05596-10-2112356033 | A | lockable | beige | beige | 28 | 60 | 40 | 5,2 | 50 | 50 | 5,5 | 35,41 | 35 | 4 |  | | on request | | | 05596-10-2117356033 | A | lockable | beige | beige | 28 | 60 | 40 | 5,2 | 50 | 50 | 5,5 | 35,41 | 35 | 4 |  | | on request | | | 05596-10-2102356001 | A | lockable | black | chromed | 28 | 60 | 40 | 5,2 | 50 | 50 | 5,5 | 35,41 | 35 | 4 |  | | on request | | | 05596-10-2107356001 | A | lockable | black | chromed | 28 | 60 | 40 | 5,2 | 50 | 50 | 5,5 | 35,41 | 35 | 4 |  | | on request | | | 05596-10-2112356001 | A | lockable | black | chromed | 28 | 60 | 40 | 5,2 | 50 | 50 | 5,5 | 35,41 | 35 | 4 |  | | on request | | | 05596-10-2117356001 | A | lockable | black | chromed | 28 | 60 | 40 | 5,2 | 50 | 50 | 5,5 | 35,41 | 35 | 4 |  | | on request | |
| Order No. | Form | Component colour | H3 | H4 | H5 | H6 | H7 | L | L1 | L2 | L3 | F=retaining force (N) | Traction force F1 N | Temperature range °C
| S = Door thickness in mm | Screws | CAD | Acc. | Price | Order |
|---|
| 05596-10-2102356000 | A | black | 22 | 26,1 | 23 | 39,2 | 14 | 42,9 | 3,8 | 12,7 | 7,2 | 270 | 50 | -30 to 60 | 2-7 | M5X16 |  | | on request | | | 05596-10-2107356000 | A | black | 22 | 26,1 | 23 | 39,2 | 14 | 42,9 | 3,8 | 12,7 | 7,2 | 270 | 50 | -30 to 60 | 7-12 | M5X20 |  | | on request | | | 05596-10-2112356000 | A | black | 22 | 26,1 | 23 | 39,2 | 3,8 | 42,9 | 3,8 | 12,7 | 7,2 | 270 | 50 | -30 to 60 | 12-17 | M5X16 |  | | on request | | | 05596-10-2117356000 | A | black | 22 | 26,1 | 23 | 39,2 | 3,8 | 42,9 | 3,8 | 12,7 | 7,2 | 270 | 50 | -30 to 60 | 17-22 | M5X20 |  | | on request | | | 05596-10-2102356022 | A | white | 22 | 26,1 | 23 | 39,2 | 14 | 42,9 | 3,8 | 12,7 | 7,2 | 270 | 50 | -30 to 60 | 2-7 | M5X16 |  | | on request | | | 05596-10-2107356022 | A | white | 22 | 26,1 | 23 | 39,2 | 14 | 42,9 | 3,8 | 12,7 | 7,2 | 270 | 50 | -30 to 60 | 7-12 | M5X20 |  | | on request | | | 05596-10-2112356022 | A | white | 22 | 26,1 | 23 | 39,2 | 3,8 | 42,9 | 3,8 | 12,7 | 7,2 | 270 | 50 | -30 to 60 | 12-17 | M5X16 |  | | on request | | | 05596-10-2117356022 | A | white | 22 | 26,1 | 23 | 39,2 | 3,8 | 42,9 | 3,8 | 12,7 | 7,2 | 270 | 50 | -30 to 60 | 17-22 | M5X20 |  | | on request | | | 05596-10-2102356033 | A | beige | 22 | 26,1 | 23 | 39,2 | 14 | 42,9 | 3,8 | 12,7 | 7,2 | 270 | 50 | -30 to 60 | 2-7 | M5X16 |  | | on request | | | 05596-10-2107356033 | A | beige | 22 | 26,1 | 23 | 39,2 | 14 | 42,9 | 3,8 | 12,7 | 7,2 | 270 | 50 | -30 to 60 | 7-12 | M5X20 |  | | on request | | | 05596-10-2112356033 | A | beige | 22 | 26,1 | 23 | 39,2 | 3,8 | 42,9 | 3,8 | 12,7 | 7,2 | 270 | 50 | -30 to 60 | 12-17 | M5X16 |  | | on request | | | 05596-10-2117356033 | A | beige | 22 | 26,1 | 23 | 39,2 | 3,8 | 42,9 | 3,8 | 12,7 | 7,2 | 270 | 50 | -30 to 60 | 17-22 | M5X20 |  | | on request | | | 05596-10-2102356001 | A | chromed | 22 | 26,1 | 23 | 39,2 | 14 | 42,9 | 3,8 | 12,7 | 7,2 | 270 | 50 | -30 to 60 | 2-7 | M5X16 |  | | on request | | | 05596-10-2107356001 | A | chromed | 22 | 26,1 | 23 | 39,2 | 14 | 42,9 | 3,8 | 12,7 | 7,2 | 270 | 50 | -30 to 60 | 7-12 | M5X20 |  | | on request | | | 05596-10-2112356001 | A | chromed | 22 | 26,1 | 23 | 39,2 | 3,8 | 42,9 | 3,8 | 12,7 | 7,2 | 270 | 50 | -30 to 60 | 12-17 | M5X16 |  | | on request | | | 05596-10-2117356001 | A | chromed | 22 | 26,1 | 23 | 39,2 | 3,8 | 42,9 | 3,8 | 12,7 | 7,2 | 270 | 50 | -30 to 60 | 17-22 | M5X20 |  | | on request | |
|
| Order No. | Form | Form definition | Main colour | Component colour | A | B | B1 | B2 | D | D1 | D2 | H | H1 | H2 | CAD | Acc. | Price | Order |
|---|
| 05596-10-2002356000 | B | not lockable | black | black | 28 | 60 | 40 | 5,2 | 50 | 50 | 5,5 | 35,5 | 35 | 4 |  | | on request | | | 05596-10-2007356000 | B | not lockable | black | black | 28 | 60 | 40 | 5,2 | 50 | 50 | 5,5 | 35,5 | 35 | 4 |  | | on request | | | 05596-10-2012356000 | B | not lockable | black | black | 28 | 60 | 40 | 5,2 | 50 | 50 | 5,5 | 35,5 | 35 | 4 |  | | on request | | | 05596-10-2017356000 | B | not lockable | black | black | 28 | 60 | 40 | 5,2 | 50 | 50 | 5,5 | 35,5 | 35 | 4 |  | | on request | | | 05596-10-2002356022 | B | not lockable | white | white | 28 | 60 | 40 | 5,2 | 50 | 50 | 5,5 | 35,5 | 35 | 4 |  | | on request | | | 05596-10-2007356022 | B | not lockable | white | white | 28 | 60 | 40 | 5,2 | 50 | 50 | 5,5 | 35,5 | 35 | 4 |  | | on request | | | 05596-10-2012356022 | B | not lockable | white | white | 28 | 60 | 40 | 5,2 | 50 | 50 | 5,5 | 35,5 | 35 | 4 |  | | on request | | | 05596-10-2017356022 | B | not lockable | white | white | 28 | 60 | 40 | 5,2 | 50 | 50 | 5,5 | 35,5 | 35 | 4 |  | | on request | | | 05596-10-2002356033 | B | not lockable | beige | beige | 28 | 60 | 40 | 5,2 | 50 | 50 | 5,5 | 35,5 | 35 | 4 |  | | on request | | | 05596-10-2007356033 | B | not lockable | beige | beige | 28 | 60 | 40 | 5,2 | 50 | 50 | 5,5 | 35,5 | 35 | 4 |  | | on request | | | 05596-10-2012356033 | B | not lockable | beige | beige | 28 | 60 | 40 | 5,2 | 50 | 50 | 5,5 | 35,5 | 35 | 4 |  | | on request | | | 05596-10-2017356033 | B | not lockable | beige | beige | 28 | 60 | 40 | 5,2 | 50 | 50 | 5,5 | 35,5 | 35 | 4 |  | | on request | | | 05596-10-2002356001 | B | not lockable | black | chromed | 28 | 60 | 40 | 5,2 | 50 | 50 | 5,5 | 35,5 | 35 | 4 |  | | on request | | | 05596-10-2007356001 | B | not lockable | black | chromed | 28 | 60 | 40 | 5,2 | 50 | 50 | 5,5 | 35,5 | 35 | 4 |  | | on request | | | 05596-10-2012356001 | B | not lockable | black | chromed | 28 | 60 | 40 | 5,2 | 50 | 50 | 5,5 | 35,5 | 35 | 4 |  | | on request | | | 05596-10-2017356001 | B | not lockable | black | chromed | 28 | 60 | 40 | 5,2 | 50 | 50 | 5,5 | 35,5 | 35 | 4 |  | | on request | |
| Order No. | Form | Component colour | H3 | H4 | H5 | H6 | H7 | L | L1 | L2 | L3 | F=retaining force (N) | Traction force F1 N | Temperature range °C
| S = Door thickness in mm | Screws | CAD | Acc. | Price | Order |
|---|
| 05596-10-2002356000 | B | black | 22 | 26,2 | 23 | 39,2 | 14 | 42,9 | 3,8 | 12,7 | 7,2 | 270 | 50 | -30 to 60 | 2-7 | M5X16 |  | | on request | | | 05596-10-2007356000 | B | black | 22 | 26,2 | 23 | 39,2 | 14 | 42,9 | 3,8 | 12,7 | 7,2 | 270 | 50 | -30 to 60 | 7-12 | M5X20 |  | | on request | | | 05596-10-2012356000 | B | black | 22 | 26,2 | 23 | 39,2 | 3,8 | 42,9 | 3,8 | 12,7 | 7,2 | 270 | 50 | -30 to 60 | 12-17 | M5X16 |  | | on request | | | 05596-10-2017356000 | B | black | 22 | 26,2 | 23 | 39,2 | 3,8 | 42,9 | 3,8 | 12,7 | 7,2 | 270 | 50 | -30 to 60 | 17-22 | M5X20 |  | | on request | | | 05596-10-2002356022 | B | white | 22 | 26,2 | 23 | 39,2 | 14 | 42,9 | 3,8 | 12,7 | 7,2 | 270 | 50 | -30 to 60 | 2-7 | M5X16 |  | | on request | | | 05596-10-2007356022 | B | white | 22 | 26,2 | 23 | 39,2 | 14 | 42,9 | 3,8 | 12,7 | 7,2 | 270 | 50 | -30 to 60 | 7-12 | M5X20 |  | | on request | | | 05596-10-2012356022 | B | white | 22 | 26,2 | 23 | 39,2 | 3,8 | 42,9 | 3,8 | 12,7 | 7,2 | 270 | 50 | -30 to 60 | 12-17 | M5X16 |  | | on request | | | 05596-10-2017356022 | B | white | 22 | 26,2 | 23 | 39,2 | 3,8 | 42,9 | 3,8 | 12,7 | 7,2 | 270 | 50 | -30 to 60 | 17-22 | M5X20 |  | | on request | | | 05596-10-2002356033 | B | beige | 22 | 26,2 | 23 | 39,2 | 14 | 42,9 | 3,8 | 12,7 | 7,2 | 270 | 50 | -30 to 60 | 2-7 | M5X16 |  | | on request | | | 05596-10-2007356033 | B | beige | 22 | 26,2 | 23 | 39,2 | 14 | 42,9 | 3,8 | 12,7 | 7,2 | 270 | 50 | -30 to 60 | 7-12 | M5X20 |  | | on request | | | 05596-10-2012356033 | B | beige | 22 | 26,2 | 23 | 39,2 | 3,8 | 42,9 | 3,8 | 12,7 | 7,2 | 270 | 50 | -30 to 60 | 12-17 | M5X16 |  | | on request | | | 05596-10-2017356033 | B | beige | 22 | 26,2 | 23 | 39,2 | 3,8 | 42,9 | 3,8 | 12,7 | 7,2 | 270 | 50 | -30 to 60 | 17-22 | M5X20 |  | | on request | | | 05596-10-2002356001 | B | chromed | 22 | 26,2 | 23 | 39,2 | 14 | 42,9 | 3,8 | 12,7 | 7,2 | 270 | 50 | -30 to 60 | 2-7 | M5X16 |  | | on request | | | 05596-10-2007356001 | B | chromed | 22 | 26,2 | 23 | 39,2 | 14 | 42,9 | 3,8 | 12,7 | 7,2 | 270 | 50 | -30 to 60 | 7-12 | M5X20 |  | | on request | | | 05596-10-2012356001 | B | chromed | 22 | 26,2 | 23 | 39,2 | 3,8 | 42,9 | 3,8 | 12,7 | 7,2 | 270 | 50 | -30 to 60 | 12-17 | M5X16 |  | | on request | | | 05596-10-2017356001 | B | chromed | 22 | 26,2 | 23 | 39,2 | 3,8 | 42,9 | 3,8 | 12,7 | 7,2 | 270 | 50 | -30 to 60 | 17-22 | M5X20 |  | | on request | |
|
Other items in this category |
|
|