|
|
|
05596-32Snap locks, steel, with fold-down grip |
go back |
|
Item description/product images |
|
|
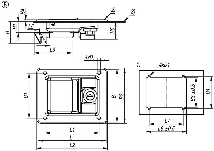
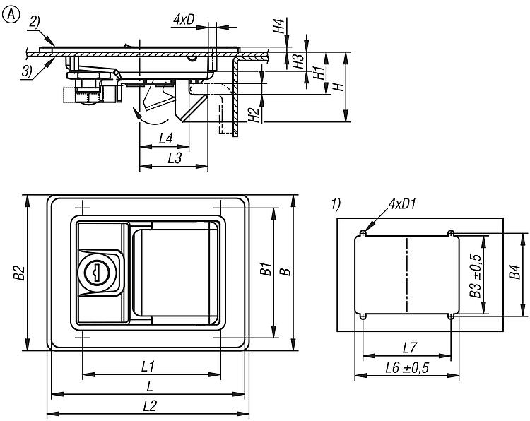
DescriptionProduct description:With their countersunk grip, these snap locks are designed for flush installation in doors, hatches and covers. The pre-tensioned grip prevents rattling.Material:Housing steel.Version:Housing black powder-coated.Note:The seal protects against water and dust.
Door leaf thickness max. 6 mm.
The locks have a single key system, i.e. each lock can be opened with the same key.
Form A: Mounted from the rear. Form B: Mounted by the front.Type of operation:When the grip is pulled, the latch moves into the open position and the door can be opened. The door latches automatically when pushed shut.Assembly:1. Cut out a mounting hole as shown in the drawing. 2. Fasten the snap lock from the rear or front, depending on the type.Supplied withA seal and 2 keys are supplied. Screws or nuts for mounting the snap lock are not supplied. Neither is a mounting bracket.Drawing reference:1) Mounting cut-out 2) Seal 3) Door leaf Special features: DownloadHere is all the information as a PDF datasheet:
Are you looking for CAD data? These can be found directly in the product table.
|
Drawings (total overview) |
| Order No. | Form | Form definition | B | B1 | B2 | B3 | B4 | D | D1 | H | H1 | H2 | H3 | H4 | CAD | Acc. | Price | Order |
|---|
| 05596-32-000140108 | A | Installed from the rear | 108 | 94 | 113 | 88,6 | 94,5 | M6 | 6,5 | 53 | 31,5 | 8,5 | 14 | 3,5 |  | | on request | |
| Order No. | L | L1 | L2 | L3 | L4 | L6 | L7 | CAD | Acc. | Price | Order |
|---|
| 05596-32-000140108 | 140 | 100 | 145 | 49 | 36,2 | 118,5 | 100 |  | | on request | |
|
| Order No. | Form | Form definition | B | B1 | B2 | B3 | B4 | D | D1 | H | H1 | H2 | H4 | H5 | CAD | Acc. | Price | Order |
|---|
| 05596-32-001140108 | B | Installed from the front | 108 | 94,5 | 113 | 88,6 | 94,5 | 6,5 | 6,5 | 44,5 | 22,5 | 8,5 | 3,5 | 36,3 |  | | on request | |
| Order No. | L | L1 | L2 | L3 | L5 | L6 | L7 | CAD | Acc. | Price | Order |
|---|
| 05596-32-001140108 | 140 | 100 | 145 | 77,6 | 11 | 118,5 | 100 |  | | on request | |
|
Other items in this category |
|
|