|
|
|
07841-22Support rail nuts for clamp fittings DIN 3015-2 heavy duty... |
go back |
|
Item description/product images |
|
|
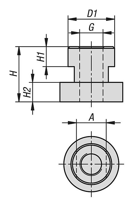
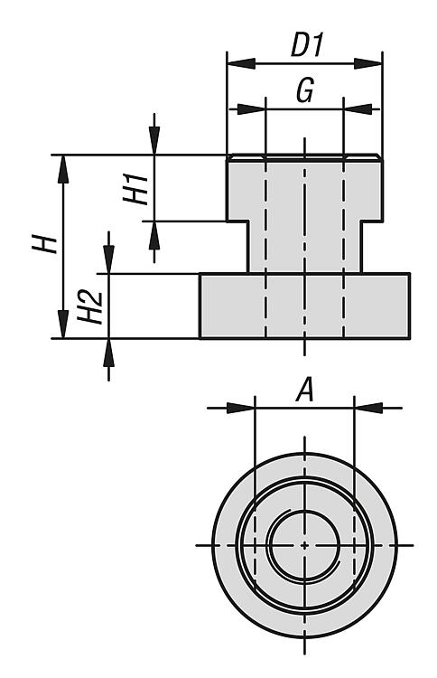
DescriptionMaterial:Steel.Version:Zinc-nickel coated.Note:Support rail nuts for clamp fittings DIN 3015-2 heavy duty series.
For mounting pipe and hose clamps in conjunction with support rails 07841-20.Special features: DownloadHere is all the information as a PDF datasheet:
Are you looking for CAD data? These can be found directly in the product table.
|
| Order No. | A | D1 | D2 | G | H | H1 | H2 | Suitable for DIN 3015-1 light series | Suitable for DIN 3015-2 heavy series | Suitable for DIN 3015-3 double clamp fitting | CAD | Acc. | Price | Order |
|---|
| 07841-22-1313 | 13 | 17,8 | 24 | M10 | 21 | 7,6 | 7,4 | - | size 1–3 | - |  | | on request | | | 07841-22-413 | 13 | 19,8 | 24 | M12 | 23 | 8,8 | 8,8 | - | size 4 | - |  | | on request | |
Other items in this category |
|
|