|
|
|
95010Appliance swivel and fixed castors, electrically conductive,... |
go back |
|
|
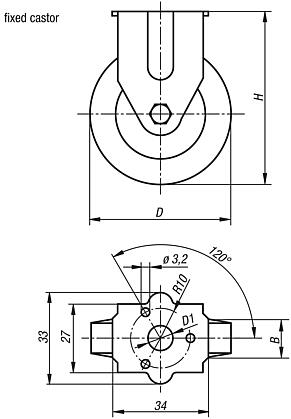
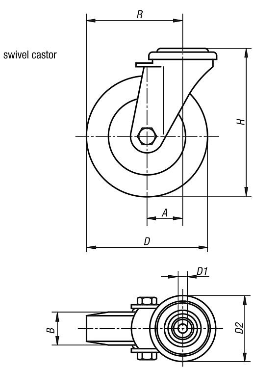
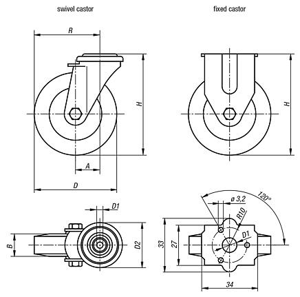
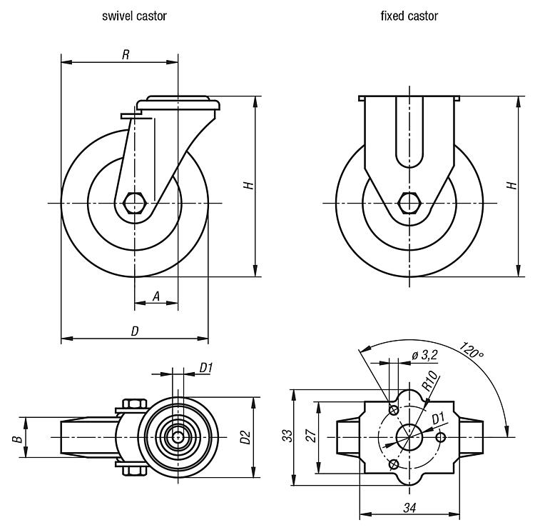
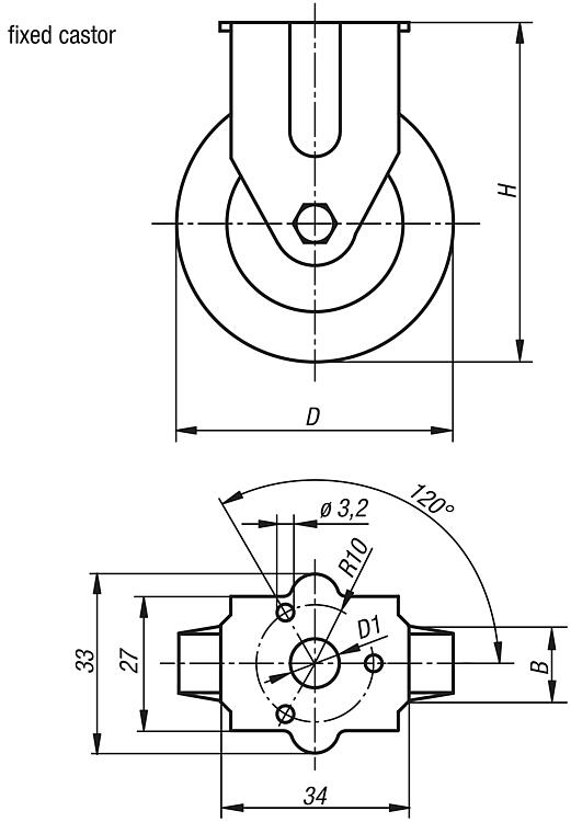
DescriptionMaterial:Housing steel plate. Wheels with thermoplastic rubber tread. Wheel body polypropylene.Version:Housing press formed. Double ball bearing in the castor head. Plain bearing in wheels.Note:Wheel axle threaded. Swivel and fixed castors with bolt hole. Electrically conductive wheels, non-marking grey. The ohmic resistance of the wheel is less than 10⁴Ω.Application:Electrically conductive wheels on swivel and fixed castors are used to protect against electrostatic discharge generated by transport equipment or the transported goods. Damage to sensitive goods and painful electrostatic shocks to the personal is so prevented.Temperature range:-20 °C to +60 °C.Special features: DownloadHere is all the information as a PDF datasheet:
Are you looking for CAD data? These can be found directly in the product table.
|
Drawings (total overview) |
Appliance fixed castors with stop fix, electrically conductive, with rubber tread, standard version
|
More information |
| Order No. | Item | Version 1 | Wheel bearing | B | D | D1 | H | Permissible load kg | CAD | Acc. | Price | Order |
|---|
| 95010-11050191 | Fixed castor | without locking system | Plain bearing | 19 | 50 | 11 | 69 | 30 |  | | on request | | | 95010-11075251 | Fixed castor | without locking system | Plain bearing | 25 | 75 | 11 | 98 | 50 |  | | on request | |
|
|
|
Other items in this category |
|
|