norelem uses cookies to optimally design and continually improve the website. By continuing to use this website, you agree to the use of cookies. You can find more information about cookies in our Data protection declaration.okay
Steel plate swivel and fixed castors with steel wire reinforced elastic solid rubber tyres, heavy duty version
95020

Steel plate swivel and fixed castors with steel wire reinforced...

go back

Item description/product images

Show/filter all items
DescriptionMaterial:Housing thick steel plate.
Tyres steel-wire reinforced elastic solid rubber.
Wheel body welded steel.
Version:Housing press formed.
Reinforced fork, base plate and centre pin.
Double ball bearing with hardened shells in the castor head.
Precision ball bearings in the wheels.
Note:These castors are particularly impact and shock proof and assure a high service life.
Wheel axle bolted.
DownloadHere is all the information as a PDF datasheet:

Are you looking for CAD data? These can be found directly in the product table.
 Datasheet 95020 Swivel and fixed castors heavy-duty version 488 kB

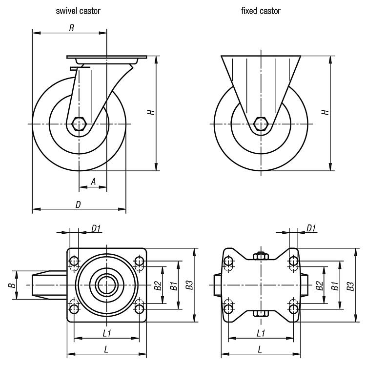
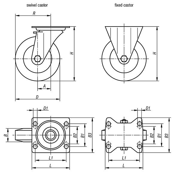
Drawings (total overview)

Steel plate swivel and fixed castors with steel wire reinforced elastic solid rubber tyres, heavy duty version
Steel plate swivel and fixed castors with steel wire reinforced elastic solid rubber tyres, heavy duty version

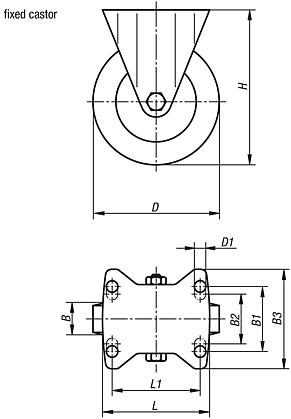
Steel plate fixed castors with steel wire reinforced elastic solid rubber tyres, heavy duty version

More information

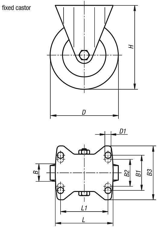
Drawings

Steel plate fixed castors with steel wire reinforced elastic solid rubber tyres, heavy duty version

Item selection/filter

Order No.ItemVersion 1Wheel
bearing
BB1B2B3DD1HLL1Permissible
load
kg
CADAcc.PriceOrder
95020-100401Fixed castorwithout locking systemBall bearing4060-85100914010080180 on request
95020-125501Fixed castorwithout locking systemBall bearing50807511012511170140105280 on request
95020-160501Fixed castorwithout locking systemBall bearing50807511016011202140105400 on request
95020-200501Fixed castorwithout locking systemBall bearing50807511020011245140105500 on request
95020-250601Fixed castorwithout locking systemBall bearing60807511025011295140105700 on request

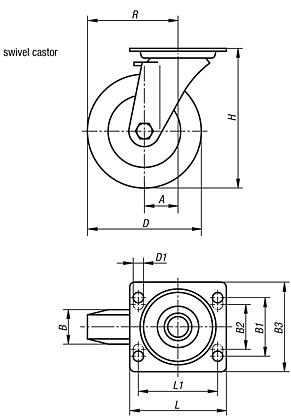
Steel plate swivel castors with steel wire reinforced elastic solid rubber tyres, heavy duty version

More information

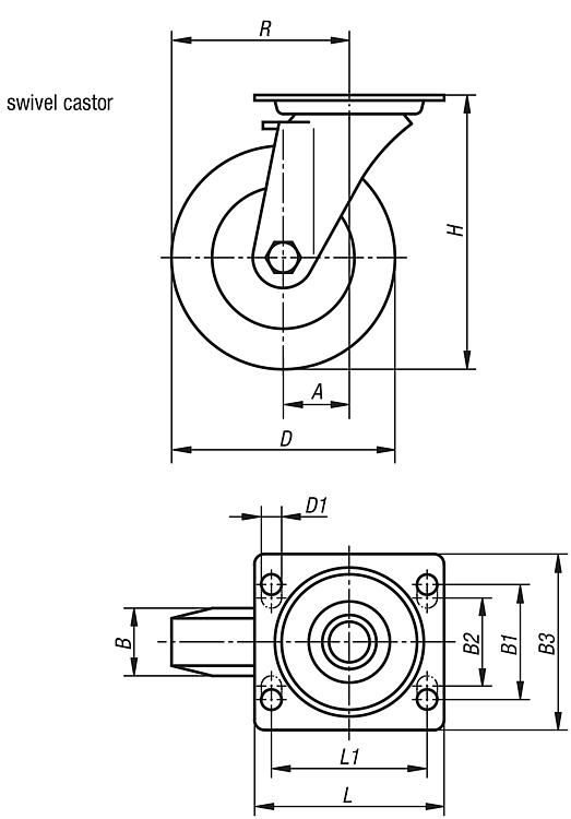
Drawings

Steel plate swivel castors with steel wire reinforced elastic solid rubber tyres, heavy duty version
Steel plate swivel castors with steel wire reinforced elastic solid rubber tyres, heavy duty version

Item selection/filter

Order No.ItemVersion 1Wheel
bearing
ABB1B2B3DD1HLL1RPermissible
load
kg
CADAcc.PriceOrder
95020-10040Swivel castorwithout locking systemBall bearing454060-8510091401008095180 on request
95020-12550Swivel castorwithout locking systemBall bearing5550807511012511170140105117,5280 on request
95020-16050Swivel castorwithout locking systemBall bearing6550807511016011202140105145400 on request
95020-20050Swivel castorwithout locking systemBall bearing7050807511020011245140105170500 on request
95020-25060Swivel castorwithout locking systemBall bearing8260807511025011295140105207700 on request

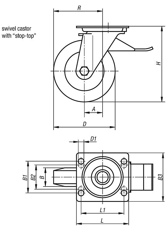
Steel plate swivel castors with stop-top, steel wire reinforced elastic solid rubber tyres, heavy duty version

More information

Drawings

Steel plate swivel castors with stop-top, steel wire reinforced elastic solid rubber tyres, heavy duty version
Steel plate swivel castors with stop-top, steel wire reinforced elastic solid rubber tyres, heavy duty version

Item selection/filter

Order No.ItemVersion 1Wheel
bearing
ABB1B2B3DD1HLL1RPermissible
load
kg
CADAcc.PriceOrder
95020-100402Swivel castorwith stop-top locking systemBall bearing454060-8510091401008095180 on request
95020-125502Swivel castorwith stop-top locking systemBall bearing5550807511012511170140105117,5280 on request
95020-160502Swivel castorwith stop-top locking systemBall bearing6550807511016011202140105145400 on request
95020-200502Swivel castorwith stop-top locking systemBall bearing7050807511020011245140105170500 on request
95020-250602Swivel castorwith stop-top locking systemBall bearing8260807511025011295140105207700 on request
My norelemE-mailPassword
Shopping cart
Number of items: 0
Amount: 0.00  
shopping cart
欢迎扫描二维码
咨询诺瑞朗官方客服微信
China
苏ICP备20011289号-1  苏公网安备32058502011222 Sitemap Print Recommended Top
Copyright © 2025 norelem. All rights reserved. Tel. +49 71 45/206-44 to 45 · Fax +49 71 45/206-83