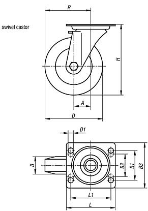
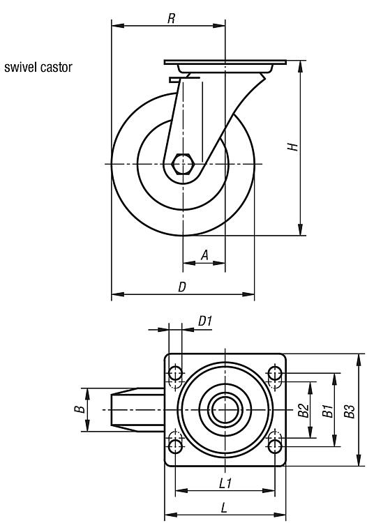
| 95018-100372 | Swivel castor | with stop-fix locking system | roller bearing | 36 | 32 | - | 60 | 85 | 100 | 9 | 125 | 100 | 80 | 86 | 170 |  | | on request | |
| 95018-125372 | Swivel castor | with stop-fix locking system | roller bearing | 40 | 37 | - | 60 | 85 | 125 | 9 | 150 | 100 | 80 | 102,5 | 200 |  | | on request | |
| 95018-160502 | Swivel castor | with stop-fix locking system | roller bearing | 60 | 50 | 75 | 80 | 110 | 160 | 11 | 195 | 140 | 105 | 140 | 350 |  | | on request | |
| 95018-200502 | Swivel castor | with stop-fix locking system | roller bearing | 65 | 50 | 75 | 80 | 110 | 200 | 11 | 235 | 140 | 105 | 165 | 400 |  | | on request | |