norelem uses cookies to optimally design and continually improve the website. By continuing to use this website, you agree to the use of cookies. You can find more information about cookies in our Data protection declaration.okay
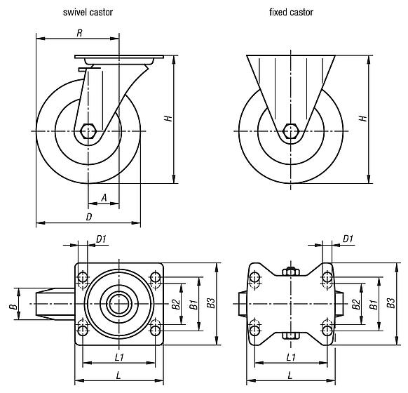
Sheet steel swivel and fixed castors with solid rubber tyres, standard version
95016

Sheet steel swivel and fixed castors with solid rubber tyres,...

go back

Item description/product images

Show/filter all items
DescriptionMaterial:Housing and wheel rim steel plate.
Tyres solid rubber.
Wheel hub steel tube.
Version:Housing and rim press formed.
Double ball bearing with ball shield in castor head.
Roller bearings in the wheels.
Note:Wheel axle bolted.
DownloadHere is all the information as a PDF datasheet:

Are you looking for CAD data? These can be found directly in the product table.
 Datasheet 95016 Swivel and fixed castors standard version 474 kB

Drawings (total overview)

Sheet steel swivel and fixed castors with solid rubber tyres, standard version
Sheet steel swivel and fixed castors with solid rubber tyres, standard version

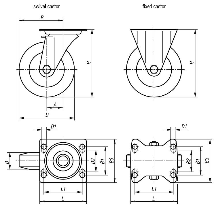
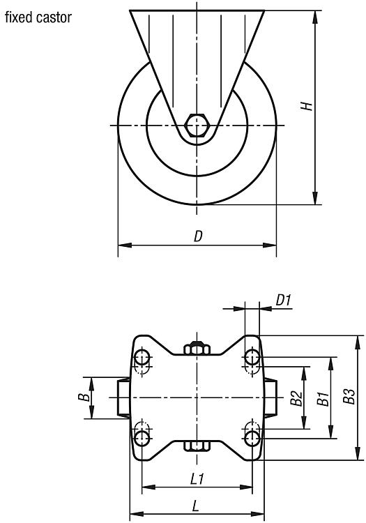
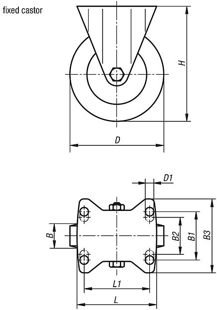
Steel plate fixed castors with solid rubber tyres, standard version

More information

Drawings

Steel plate fixed castors with solid rubber tyres, standard version

Item selection/filter

Order No.Version 1Wheel
bearing
BB1B2B3DD1LL1HPermissible
load
kg
CADAcc.PriceOrder
95016-080251without locking systemroller bearing25-60858091008010250 on request
95016-100301without locking systemroller bearing30-608510091008012570 on request
95016-125381without locking systemroller bearing37,5-6085125910080150100 on request
95016-160401without locking systemroller bearing40758011016011140105195135 on request
95016-200501without locking systemroller bearing50758011020011140105235205 on request

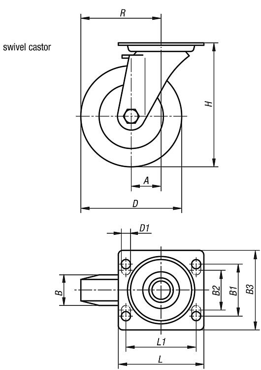
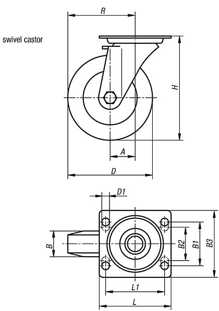
Steel plate swivel castors with solid rubber tyres, standard version

More information

Drawings

Steel plate swivel castors with solid rubber tyres, standard version
Steel plate swivel castors with solid rubber tyres, standard version

Item selection/filter

Order No.Version 1Wheel
bearing
ABB1B2B3DD1LL1HRPermissible
load
kg
CADAcc.PriceOrder
95016-08025without locking systemroller bearing3825-6085809100801027850 on request
95016-10030without locking systemroller bearing3630-60851009100801258670 on request
95016-12538without locking systemroller bearing4037,5-6085125910080150102,5100 on request
95016-16040without locking systemroller bearing6040758011016011140105195140135 on request
95016-20050without locking systemroller bearing6550758011020011140105235165205 on request

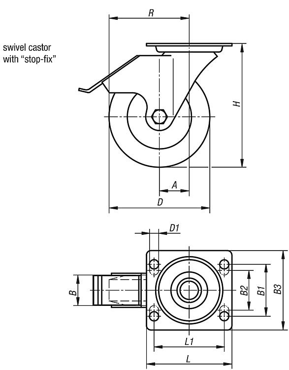
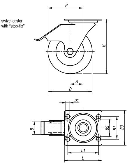
Steel plate swivel castors with stop-fix, solid rubber tyres, standard version

More information

Drawings

Steel plate swivel castors with stop-fix, solid rubber tyres, standard version
Steel plate swivel castors with stop-fix, solid rubber tyres, standard version

Item selection/filter

Order No.ItemVersion 1Wheel
bearing
ABB1B2B3DD1LL1HRPermissible
load
kg
CADAcc.PriceOrder
95016-080252Swivel castorwith stop-fix locking systemroller bearing3825-6085809100801027850 on request
95016-100302Swivel castorwith stop-fix locking systemroller bearing3630-60851009100801258670 on request
95016-125382Swivel castorwith stop-fix locking systemroller bearing4037,5-6085125910080150102,5100 on request
95016-160402Swivel castorwith stop-fix locking systemroller bearing6040758011016011140105195140135 on request
95016-200502Swivel castorwith stop-fix locking systemroller bearing6550758011020011140105235165205 on request
My norelemE-mailPassword
Shopping cart
Number of items: 0
Amount: 0.00  
shopping cart
欢迎扫描二维码
咨询诺瑞朗官方客服微信
China
苏ICP备20011289号-1  苏公网安备32058502011222 Sitemap Print Recommended Top
Copyright © 2025 norelem. All rights reserved. Tel. +49 71 45/206-44 to 45 · Fax +49 71 45/206-83