|
|
|
21240Slide carriages DryLin® W |
go back |
|
Item description/product images |
|
|
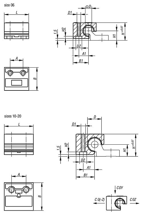
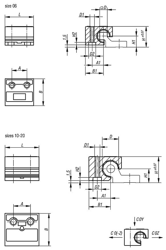
DescriptionMaterial:Die-cast zinc. Bearing material iglidur® J. Version:trivalent passivated.Note:DryLin® W slide carriages are maintenance-free and corrosion resistant. Lacking the need of lubrication makes the system highly dirt resistant. Low friction coefficient in dry running and very quiet. Suitable for single or double rails. Speeds up to 15 m/s. Applicable temperature -40 °C to +90 °C. Accessory:Guide rails 21240.Special features: DownloadHere is all the information as a PDF datasheet:
Are you looking for CAD data? These can be found directly in the product table.
|
| Order No. | Version 2 | Size | A | A1 | B | B1 | D | D1 | D2 | H | H1 | H2 | L | C0Y kN | C0Z kN | C0(-Z) kN | CAD | Acc. | Price | Order |
|---|
| 21240-0600 | standard fixed bearing | 6 | 10 | 7,5 | 18 | 12 | 5 | M4 | 7 | 14 | 7,5 | 2 | 19 | 0,42 | 0,42 | 0,14 |  |  | on request | | | 21240-0620 | floating bearing y axis | 6 | 10 | 7,5 | 18 | 12 | 5 | M4 | 7 | 14 | 7,5 | 2 | 19 | 0,42 | 0,42 | 0,14 |  |  | on request | | | 21240-0630 | floating bearing z axis | 6 | 10 | 7,5 | 18 | 12 | 5 | M4 | 7 | 14 | 7,5 | 2 | 19 | 0,42 | 0,42 | 0,14 |  |  | on request | | | 21240-1000 | standard fixed bearing | 10 | 16 | 10 | 26 | 16,5 | 10 | M6 | 9,5 | 18 | 9 | 3,5 | 29 | 1,2 | 1,2 | 0,25 |  |  | on request | | | 21240-1020 | floating bearing | 10 | 16 | 10 | 26 | 16,5 | 10 | M6 | 9,5 | 18 | 9 | 3,5 | 29 | 1,2 | 1,2 | 0,25 |  |  | on request | | | 21240-1600 | standard fixed bearing | 16 | 18 | 14 | 34,5 | 23 | 16 | M8 | 11,5 | 27 | 14 | 4 | 36 | 2,1 | 2,1 | 0,4 |  |  | on request | | | 21240-2000 | standard fixed bearing | 20 | 27 | 17 | 42,5 | 26 | 20 | M8 | 11,5 | 36 | 20 | 4 | 45 | 3,2 | 3,2 | 0,5 |  |  | on request | | | 21240-2020 | floating bearing | 20 | 27 | 17 | 42,5 | 26 | 20 | M8 | 11,5 | 36 | 20 | 4 | 45 | 3,2 | 3,2 | 0,5 |  |  | on request | |
Other items in this category |
|
|