norelem 使用 Cookies 以优化设计和持续改进网页。您通过继续使用网页,同意使用 Cookies。在我们的数据保护声明中可以找到有关 Cookies 主题的详细信息。同意
DS 型固定卡爪,适用于多重夹持系统
41502-05

DS 型固定卡爪,适用于多重夹持系统

返回

商品描述/产品说明

产品说明材料:工具钢。规格:经硬化和打磨处理 (HRC 55 ±2)。提示:有三种不同规格的固定卡爪可供选择:
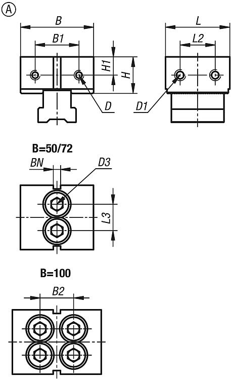
- 亮色规格, A 型,适用于预加工件。
- 齿面规格 ,B 型,适用于毛胚件。
- 偏移型夹紧卡爪,C 型,适用于夹紧小夹紧边。
侧面固定孔用于固定工件挡块。在夹紧面上的两个旋拧孔处还可以额外安装支撑板,以达到最佳的夹紧深度。
技术参数:必须遵守 41510、41510-10 和 41510-20 产品系列中相应系统宽度的最大夹持力和锁紧扭矩。应用:根据相应的夹紧情况将 DS 型固定卡爪定位到夹紧导轨上。
拧紧固定螺栓,
通过齿轮完成闭锁连接。
在较大加工力的加工种,优先使用配有两个固定螺栓的固定卡爪。
优点:可以使用夹具导轨和固定卡爪侧面的刻度精确设置固定挡块的位置。供货范围DS 型固定卡爪。
固定螺栓。
型槽螺母。
特点:
RoHS
下载此处为收集信息的 PDF:

查找 CAD 数据?请直接在产品列表中查找。
 Datasheet 41502-05 DS 型固定卡爪,适用于多重夹持系统 398 kB

图片(总概述)

DS 型固定卡爪,适用于多重夹持系统

DS 型不锈钢固定卡爪,适用于多重夹持系统,A 型,亮色固定卡爪

更多信息

图纸

DS 型不锈钢固定卡爪,适用于多重夹持系统,A 型,亮色固定卡爪

商品选择/筛选

订货号适用
系统宽度
类型LB

L2L3HB1H1D
内螺纹
D1
内螺纹
D3BN=槽宽CAD配件价格订购
41502-05-050440150A44502418253012,5M5M6M10x305 根据要求
41502-05-072650172A65723525404421,5M6M6M14x1,5x508 根据要求
41502-05-1007001100A701003530436422M8M8M14x1,5x5010 根据要求

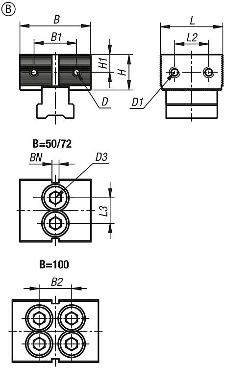
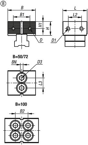
DS型固定卡爪,适用于多重夹紧系统,B 型,齿面固定卡爪

更多信息

图纸

DS型固定卡爪,适用于多重夹紧系统,B 型,齿面固定卡爪

商品选择/筛选

订货号适用
系统宽度
类型LB

L2L3HB1H1D
内螺纹
D1
内螺纹
D3BN=槽宽CAD配件价格订购
41502-05-050440250B44502418253012,5M5M6M10x305 根据要求
41502-05-072650272B65723525404421,5M6M6M14x1,5x508 根据要求
41502-05-1007002100B701003530436422M8M8M14x1,5x5010 根据要求

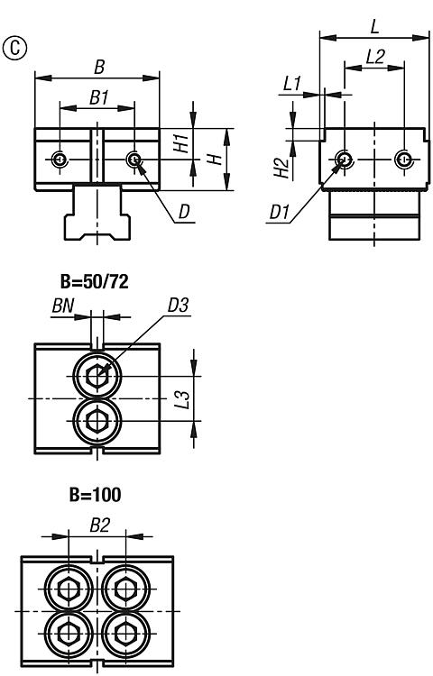
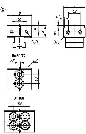
DS 型固定卡爪,适用于多重夹持系统,C 型,偏移型固定卡爪

更多信息

图纸

DS 型固定卡爪,适用于多重夹持系统,C 型,偏移型固定卡爪

商品选择/筛选

订货号适用
系统宽度
类型LB

HL1L2L3B1B2H1H2D
内螺纹
D1
内螺纹
D3BN=槽宽CAD配件价格订购
41502-05-050442350C4450252241830-12,52M5M6M10x305 根据要求
41502-05-050445350C4450252241830-12,55M5M6M10x305 根据要求
41502-05-072652372C6572402352544-21,52M6M6M14x1,5x508 根据要求
41502-05-072655372C6572402352544-21,55M6M6M14x1,5x508 根据要求
41502-05-1007023100C7010043235306426222M8M8M14x1,5x5010 根据要求
41502-05-1007053100C7010043235306426225M8M8M14x1,5x5010 根据要求
我的 norelemE-Mail密码
购物车
商品数量: 0
总数: 0.00  
点击购物车
欢迎扫描二维码
咨询诺瑞朗官方客服微信
中国
苏ICP备20011289号-1  苏公网安备32058502011222 网页地图 打印 推荐 Top
Copyright © 2025 norelem. 保留所有权利。 电话 +49 71 45/206-44 至 45 · 传真 +49 71 45/206-83