norelem 使用 Cookies 以优化设计和持续改进网页。您通过继续使用网页,同意使用 Cookies。在我们的
数据保护声明
中可以找到有关 Cookies 主题的详细信息。
同意
全球分布
创意
AGB
版权说明
数据保护
产品
企业信息
服务
下载
新闻
联系方式
产品概览
固定
灵活的标准件系统
装配
装配系统
运动
用于机床和设备制造的系统/组件
检查
量具检具组件
夹紧
夹紧技术
控制和调节
电动机构
输送
输送和移动技术
technoshop
norelem inch
英制产品目录
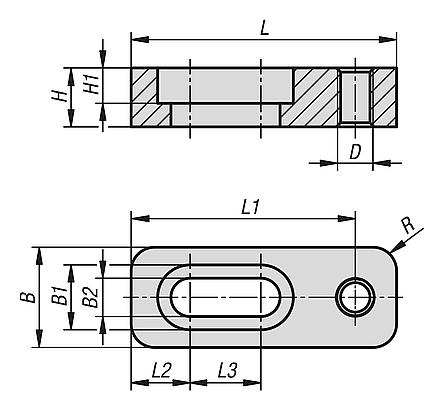
41505-10
工件挡块,适用于多重夹紧系统
返回
产品
产品概览
夹紧技术
台钳夹紧技术
多重夹持系统
工件挡块,适用于多重夹紧系统
商品描述/产品说明
产品说明
材料:
调制钢。
规格:
经热处理及平面打磨处理 (HRC 32)。
提示:
通过用于多重夹紧系统的工件挡块,可以侧面定位工件。
应用:
可将挡块侧面安装到固定卡爪的两个表面上。
优点:
可通过椭圆孔灵活调整。
特点:
下载
此处为收集信息的 PDF:
查找 CAD 数据?请直接在产品列表中查找。
Datasheet 41505-10 工件挡块,适用于多重夹紧系统
433 kB
图纸
商品选择/筛选
订货号
适用
系统宽度
L
B
H
L1
L2
L3
B1
B2
H1
R
D
内螺纹
CAD
配件
价格
订购
41505-10-05045
50
45
17
10
38
10
12
11
6,5
6
4
M6
根据要求
41505-10-07250
72
50
17
10
43
10
12
11
6,5
6
4
M6
根据要求
41505-10-10055
100
55
25
15
45
11,5
16
14
9
8,5
5
M8
根据要求
本类目的其他商品
<<
|
<
|
1-10
|
11-15
|
>
|
>>
41500
用于多重夹持系统的夹具导轨
41500-05
用于多重夹持系统的短款夹具导轨
41501
钢制楔形夹具,具有不同的夹紧面
41501-05
带固定卡爪的楔形夹具,适用于多重夹紧系统
41502
ES 型不锈钢固定卡爪,适用于多重夹持系统
41502-05
DS 型固定卡爪,适用于多重夹持系统
41505
支撑板,可用螺纹固定,适用于多重夹紧系统
41505-02
卡爪嵌入件,有加工余量
适用于 DS 型和不锈钢型固定卡爪
41505-04
带棱柱钳口的定位卡爪,适用于 DS 型和 ES 型固定卡爪
41505-12
间隔件,适用于工件挡块 多重夹紧系统
<<
|
<
|
1-10
|
11-15
|
>
|
>>
我的 norelem
E-Mail
密码
忘记密码
首次登陆
购物车
商品数量:
0
总数:
0.00
€
点击购物车
欢迎扫描二维码
咨询诺瑞朗官方客服微信
Algérie
Andorra
Argentina
Australia
België
Bolivia
Bosna i Hercegovina
Brasil
Canada
Česká republika
Chile
中国
Colombia
Costa Rica
Cuba
Danmark
Dem. Peop. Rep. of Korea
Deutschland
Ecuador
Eesti
España
Georgia
香港
Hrvatska
India
Ireland
Ísland
Italia
Jamaica
日本
Latvija
Liechtenstein
Lietuvos
Luxemburg
Magyarország
Malaysia
Malta
México
Nederland
New Zealand
Norge
Österreich
Pakistan
Paraguay
Perú
Polska
Portugal
Principauté de Monaco
台灣
Rep. di San Marino
대한민국
România
Schweiz
Singapore
Slovenija
Slovensko
South Africa
Suomi
Sverige
Türkiye
United Kingdom
United States of America
Uruguay
Venezuela
Việt Nam
Ελλάδα
Κύπρος
Беларусь
България
Република Србија
Россия
Србија и Црна Гора
Україна
ישראל
الامارات العربية المتحدة
السعودية
ايران
مصر
ประเทศไทย
Chinese
English
苏ICP备20011289号-1
苏公网安备32058502011222
网页地图
打印
推荐
Top
Copyright © 2025 norelem. 保留所有权利。
电话 +49 71 45/206-44 至 45 · 传真 +49 71 45/206-83