norelem 使用 Cookies 以优化设计和持续改进网页。您通过继续使用网页,同意使用 Cookies。在我们的数据保护声明中可以找到有关 Cookies 主题的详细信息。同意
ES 型不锈钢固定卡爪,适用于多重夹持系统
41502

ES 型不锈钢固定卡爪,适用于多重夹持系统

返回

商品描述/产品说明

产品说明材料:工具钢。规格:经硬化和打磨处理 (HRC 55 ±2)。提示:有三种不同规格的固定卡爪可供选择:
- 亮色规格, A 型,适用于预加工件。
- 齿面规格 ,B 型,适用于毛胚件。
- 偏移型夹紧卡爪,C 型,适用于夹紧小夹紧边。
侧面固定孔用于固定工件挡块。在夹紧面上的两个旋拧孔处还可以额外安装支撑板,以达到最佳的夹紧深度。
技术参数:必须遵守 41510、41510-10 和 41510-20 产品系列中相应系统宽度的最大夹持力和锁紧扭矩。应用:根据相应的夹紧情况将不锈钢固定卡爪定位到夹紧导轨上。拧紧固定螺栓,通过齿轮完成闭锁连接。以此容纳夹紧元件的较大夹持力。不锈钢窄款固定卡爪设计使其特别适合夹持较小的工件和较大的数量。这意味着可以经济地进行批量加工。优点:可以使用夹具导轨和固定卡爪侧面的刻度精确设置固定挡块的位置。供货范围ES 型不锈钢固定卡爪。
固定螺栓。
型槽螺母。
特点:
RoHS
下载此处为收集信息的 PDF:

查找 CAD 数据?请直接在产品列表中查找。
 Datasheet 41502 ES 型不锈钢固定卡爪,适用于多重夹持系统 369 kB

图片(总概述)

ES 型不锈钢固定卡爪,适用于多重夹持系统

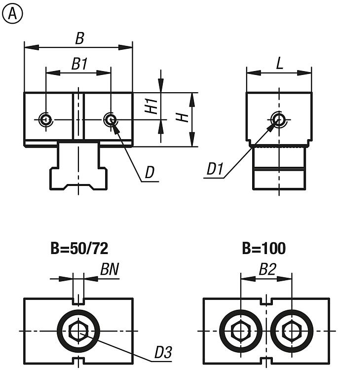
ES 型不锈钢固定卡爪,适用于多重夹持系统,A 型,亮色固定卡爪

更多信息

图纸

ES 型不锈钢固定卡爪,适用于多重夹持系统,A 型,亮色固定卡爪

商品选择/筛选

订货号适用
系统宽度
类型LB

HB1H1D
内螺纹
D1
内螺纹
D3BN=槽宽CAD配件价格订购
41502-050300150A3050253012,5M5M6M10x305 根据要求
41502-072400172A4072404421,5M6M6M14x1,5x508 根据要求
41502-1004401100A44100436422M8M8M14x1,5x5010 根据要求

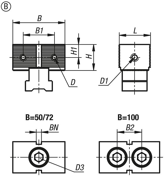
ES 型不锈钢固定卡爪,适用于多重夹持系统,B 型,齿面固定卡爪

更多信息

图纸

ES 型不锈钢固定卡爪,适用于多重夹持系统,B 型,齿面固定卡爪

商品选择/筛选

订货号适用
系统宽度
类型LB

HB1H1D
内螺纹
D1
内螺纹
D3BN=槽宽CAD配件价格订购
41502-050300250B3050253012,5M5M6M10x305 根据要求
41502-072400272B4072404421,5M6M6M14x1,5x508 根据要求
41502-1004402100B44100436422M8M8M14x1,5x5010 根据要求

ES 型不锈钢固定卡爪,适用于多重夹持系统,C 型,偏移型固定爪

更多信息

图纸

ES 型不锈钢固定卡爪,适用于多重夹持系统,C 型,偏移型固定爪

商品选择/筛选

订货号适用
系统宽度
类型LB

HL1B1B2H1H2D
内螺纹
D1
内螺纹
D3BN=槽宽CAD配件价格订购
41502-050302350C305025230-12,52M5M6M10x305 根据要求
41502-050305350C305025230-12,55M5M6M10x305 根据要求
41502-072402372C407240244-21,52M6M6M14x1,5x508 根据要求
41502-072405372C407240244-21,55M6M6M14x1,5x508 根据要求
41502-1004423100C441004326426222M8M8M14x1,5x5010 根据要求
41502-1004453100C441004326426225M8M8M14x1,5x5010 根据要求
我的 norelemE-Mail密码
购物车
商品数量: 0
总数: 0.00  
点击购物车
欢迎扫描二维码
咨询诺瑞朗官方客服微信
中国
苏ICP备20011289号-1  苏公网安备32058502011222 网页地图 打印 推荐 Top
Copyright © 2025 norelem. 保留所有权利。 电话 +49 71 45/206-44 至 45 · 传真 +49 71 45/206-83