norelem 使用 Cookies 以优化设计和持续改进网页。您通过继续使用网页,同意使用 Cookies。在我们的数据保护声明中可以找到有关 Cookies 主题的详细信息。同意

商品描述/产品说明

产品说明材料:钢制底板。
渗碳钢夹紧模块。
规格:底板两侧磨光并氧化。
夹紧模块功能表面经过硬化和研磨处理。
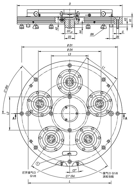
提示:预装车旋转夹持站,集成 UNILOCK 夹持模块 ESM138-C,用于车铣中心。夹持站可将车削技术和固定夹紧技术结合起来。夹持站通过定心销和型槽螺母固定在机床工作台上。
夹紧模块通过气动连接集中驱动。
内置的弹簧组实现了高夹持力(在无压力状态下张紧)。通过指示针的视觉显示来表明涡轮功能已激活。
通过气动压力松开。

UNILOCK 夹紧销与固定螺钉 M10、M12、M16 配合使用时可能产生以下保持力:
- 保持力 (M10) 35000 N/模块
- 保持力 (M12) 50000 N/模块
- 保持力 (M16) 75000 N/模块
圆柱头螺钉 DIN EN ISO 4762 -12.9 的保持力

夹紧销只能在夹持模块中与已安装的可互换单元一起夹紧。
使用说明:42756-10-320045075
最大转速:1400 rpm

42756-10-520057079
最大转速: 2000 rpm
技术参数:- 开启压力:6 bar,润油空气。
- 接气口:G1/8。
- 重复精度 ≤0.005 mm。
- 同轴精度 <0.02 mm。
温度范围:+5 °C 至 +60 °C。根据要求:特殊尺寸的夹紧工作站。附件:- UNILOCK 夹紧销 42208.
- 零点夹持系统 UNILOCK 更换板 42755.
- UNILOCK 夹紧模块的保护螺栓 42796.
- UNILOCK 夹紧模块的保护塞 42796.
供货范围- 夹持站。
- 固定螺栓。
- 定心销。
- 校准针。
- 型槽螺母。
- 环首螺栓。
- 操作说明。
图纸提示:
1) 可视化显示涡轮功能
特点:
RoHS
下载此处为收集信息的 PDF:

查找 CAD 数据?请直接在产品列表中查找。
 Datasheet 42756-10 UNILOCK 夹持站 435 kB

图片(总概述)

UNILOCK 夹持站
UNILOCK 夹持站

UNILOCK 旋转夹持站,3 工位

更多信息

图纸

UNILOCK 旋转夹持站,3 工位

商品选择/筛选

订货号类型 2形状类型D

HCC1C2D1D2D3D4D5D6CAD配件价格订购
42756-10-3200450753 x无扭转止动器45075453010,54005055230,9424020 根据要求
订货号类型 2GH1H2H3H4LL1牵引力
带涡轮增压器
kN
CAD配件价格订购
42756-10-3200450753 xM123620,5191833020084 根据要求

UNILOCK 旋转夹持站,5 工位

更多信息

图纸

UNILOCK 旋转夹持站,5 工位

商品选择/筛选

订货号类型 2形状类型D

HCC1C2D1D2D3D4D6CAD配件价格订购
42756-10-5200570795 工位无扭转止动器57079457295205055340,2620 根据要求
订货号类型 2GH1H2H3H4LL1L2L3牵引力
带涡轮增压器
kN
CAD配件价格订购
42756-10-5200570795 工位M1240251518450200180200140 根据要求
我的 norelemE-Mail密码
购物车
商品数量: 0
总数: 0.00  
点击购物车
欢迎扫描二维码
咨询诺瑞朗官方客服微信
中国
苏ICP备20011289号-1  苏公网安备32058502011222 网页地图 打印 推荐 Top
Copyright © 2025 norelem. 保留所有权利。 电话 +49 71 45/206-44 至 45 · 传真 +49 71 45/206-83