norelem 使用 Cookies 以优化设计和持续改进网页。您通过继续使用网页,同意使用 Cookies。在我们的
数据保护声明
中可以找到有关 Cookies 主题的详细信息。
同意
全球分布
创意
AGB
版权说明
数据保护
产品
企业信息
服务
下载
新闻
联系方式
产品概览
固定
灵活的标准件系统
装配
装配系统
运动
用于机床和设备制造的系统/组件
检查
量具检具组件
夹紧
夹紧技术
控制和调节
电动机构
输送
输送和移动技术
technoshop
norelem inch
英制产品目录
42779
UNILOCK 夹持模块 ASM 99
返回
产品
产品概览
夹紧技术
零点定位夹紧技术
零点夹持系统
UNILOCK 夹持模块 ASM 99
商品描述/产品说明
产品说明
材料:
渗碳钢。
规格:
工作面经渗碳硬化和打磨处理。
提示:
UNILOCK 夹持模块可以安装在机床工作台上,安装在带或不带凸起的夹具(平板,立方体,塔形结构)的所有位置上。
UNILOCK 夹持模块 ASM 99 特别适用于窄缝尺寸。由于 UNILOCK 夹持模块 ASM 99 是一个附加模块,因此夹持模块的安装高度为 56 mm。夹持模块也可以完全嵌入并安装在夹具板或机床工作台上。可通过内置查询功能查询“打开”的夹持滑块位置。
可以单独或共同进行夹持模块的气动控制。
这样,可以单独制造一个零点夹持系统。
通过模块化的结构,夹持模块的数量和距离可完美地与夹紧任务相匹配。准备时间大大减少,从而延长了机床的运行时间。
内置的弹簧组实现了高夹持力(在无压力状态下张紧)。
通过气动压力松开。
即使压缩空气供应出现压力下降或波动的情况,也丝毫不影响牵引力。
所有夹持模块都标配涡轮增压功能。"Turbo" 空气接头处的短空气脉冲再次显著增加了弹簧实现的正常牵引力。因此,夹持模块也可以很好地用于重型加工。
建议使用涡轮增压功能以获得最大的牵引力。
UNILOCK 夹紧销与固定螺钉 M10、M12、M16 组合使用可以实现以下保持力:
- 保持力 (M10) 35,000N
- 保持力 (M12) 50,000N
- 保持力 (M16) 75,000N
带圆柱螺钉的保持力 DIN EN ISO 4762-12.9。
夹紧螺栓只能与夹紧模块中安装的更换单元一起夹紧。
所有夹持模块的夹紧销尺寸一致,并与 5 轴模块夹紧系统 80 兼容,保证了应用组合的多样性。
技术参数:
- 带涡轮增压机时的牵引力为 18 kN。
- 系统压力:6 bar,润油空气。
- 重复精度 ≤ 0.005 mm。
- 温度范围 5° 到 60° C。
装配:
参见安装轮廓。
优点:
- 紧凑型设计。
- 适用于窄缝尺寸。
- 查询“打开”的夹持滑块位置的功能。
- 标配涡轮增压功能。
- 重复精度 ≤ 0.005 mm。
- 通过法兰盘定位。
- 高牵引力。
- 减少准备时间。
附件:
- UNILOCK 夹紧销 42208, 42209, 42208-05, 42208-10。
- UNILOCK 夹紧模块的保护螺栓 42796。
说明:
推荐的软管内径:
- 四个以下夹持模块时,软管内径 6 mm。
- 五个以上夹持模块时,软管内径 8 mm。
工作原理:
夹持模块可以通过接头连接到底板,也可以直接通过夹持模块的螺纹接头进行连接。
为了保证夹紧滑块的功能,必须通过 "Turbo" 空气接口对上活塞腔进行排气。
有四种方式:
1) 连接并使用底板上“打开”接头旁的涡轮增压功能。这样,需要时能通过短空气脉冲再次张紧夹紧模块。(推荐)
2) 在与涡轮增压接头相连的底板上开孔,让空气排出。防止灰尘进入孔内时,不能使用有锁定功能的接头,应插入排气螺栓。
3) 第三种方法,通过一个孔为活塞腔排气,该孔位于底板下方,通过横向槽进行连接。
该孔必须匹配涡轮机的接头,确保能够排气。
4) 横向控制夹紧模块时,必须在此处插入一个排气螺栓。
供货范围
- 1x 夹持模块。
- 2x O 型环 Ø4.5x1.50 用于介质供应。
- 1x O 型环 Ø4.5x1.50 用于查询功能。
- 6x 固定螺栓。
- 6x 固定螺栓的盖板。
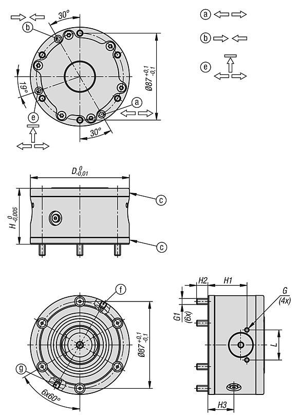
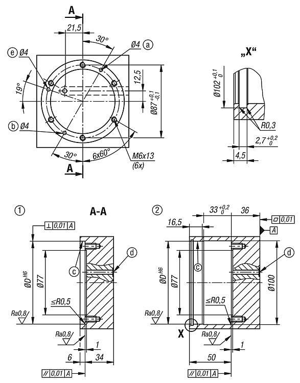
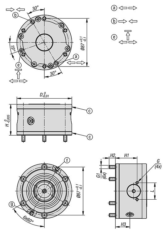
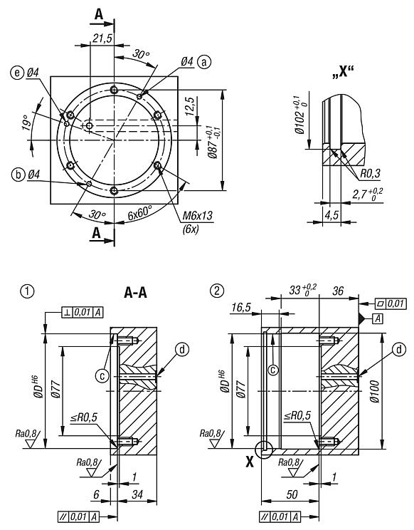
图纸提示:
1) 安装轮廓:
夹持模块用作附加模块
2) 安装轮廓:
夹持模块用作附加模块
a) 底部无软管连接(开放)
b) 底部无软管连接(涡轮增压)
c) 定心轮圈
d) 排气
e) 底部无软管连接(夹紧滑块位置查询功能打开),2 bar,15l/min
f) 横向连接 M5(开放驱动)
g) 横向连接 M5(涡轮增压)
夹紧模块的连接处外径上标有箭头符号。
特点:
下载
此处为收集信息的 PDF:
查找 CAD 数据?请直接在产品列表中查找。
Datasheet 42779 UNILOCK 夹持模块 ASM 99
493 kB
图纸
商品选择/筛选
订货号
D
G
G1
H
H1
H2
H3
L
P=工作压力
bar
牵引力
带涡轮增压器
kN
CAD
配件
价格
订购
42779-99560
99
M4x10,5
M6
56
39
11,3
26
30
6
18
根据要求
本类目的其他商品
<<
|
<
|
1-10
|
11-20
|
21-28
|
>
|
>>
42208
UNILOCK 5 轴夹紧销,系统尺寸 80 mm
42208-05
UNILOCK 补偿夹紧销 系统尺寸 80 mm
42208-10
UNILOCK 燕尾夹紧销 系统尺寸 80 mm
42209
UNILOCK 夹紧销
带通孔,系统尺寸 80 mm
42209-10
UNILOCK 减速适配器系统尺寸 138 mm
42755
零点夹持系统 UNILOCK 更换板
42756
UNILOCK 单工位夹持站
42756
UNILOCK 双工位夹持站
42756
UNILOCK 4 工位夹持站
42756
UNILOCK 6 工位夹持站
<<
|
<
|
1-10
|
11-20
|
21-28
|
>
|
>>
我的 norelem
E-Mail
密码
忘记密码
首次登陆
购物车
商品数量:
0
总数:
0.00
€
点击购物车
欢迎扫描二维码
咨询诺瑞朗官方客服微信
Algérie
Andorra
Argentina
Australia
België
Bolivia
Bosna i Hercegovina
Brasil
Canada
Česká republika
Chile
中国
Colombia
Costa Rica
Cuba
Danmark
Dem. Peop. Rep. of Korea
Deutschland
Ecuador
Eesti
España
Georgia
香港
Hrvatska
India
Ireland
Ísland
Italia
Jamaica
日本
Latvija
Liechtenstein
Lietuvos
Luxemburg
Magyarország
Malaysia
Malta
México
Nederland
New Zealand
Norge
Österreich
Pakistan
Paraguay
Perú
Polska
Portugal
Principauté de Monaco
台灣
Rep. di San Marino
대한민국
România
Schweiz
Singapore
Slovenija
Slovensko
South Africa
Suomi
Sverige
Türkiye
United Kingdom
United States of America
Uruguay
Venezuela
Việt Nam
Ελλάδα
Κύπρος
Беларусь
България
Република Србија
Россия
Србија и Црна Гора
Україна
ישראל
الامارات العربية المتحدة
السعودية
ايران
مصر
ประเทศไทย
Chinese
English
苏ICP备20011289号-1
苏公网安备32058502011222
网页地图
打印
推荐
Top
Copyright © 2025 norelem. 保留所有权利。
电话 +49 71 45/206-44 至 45 · 传真 +49 71 45/206-83