norelem 使用 Cookies 以优化设计和持续改进网页。您通过继续使用网页,同意使用 Cookies。在我们的数据保护声明中可以找到有关 Cookies 主题的详细信息。同意
UNILOCK 夹持模块 
EGM 110-75
42780-40

UNILOCK 夹持模块 EGM 110-75

返回

商品描述/产品说明

产品说明材料:渗碳钢。规格:工作面经渗碳硬化和打磨处理。提示:UNILOCK 夹持模块可以安装在机床工作台上,安装在带或不带凸起的夹具(平板,立方体,塔形结构)的所有位置上。
UNILOCK 夹持模块 EGM 110-75 可用于窄缝尺寸的机床工作台或夹具中。此外,该夹持模块还可与托盘联轴器一同安装在机器人自动化系统中。这意味在机器人自动化系统中,可以使用 UNILOCK 零点夹持系统自动更换夹持托盘。可通过内置查询功能查询“打开/关闭”的夹持滑块位置。
可以单独或共同进行夹持模块的气动控制。
这样,可以单独制造一个零点夹持系统。
通过模块化的结构,夹持模块的数量和距离可完美地与夹紧任务相匹配。准备时间大大减少,从而延长了机床的运行时间。

内置的弹簧组实现了高夹持力(在无压力状态下张紧)。
通过气动压力松开。
即使压缩空气供应出现压力下降或波动的情况,也丝毫不影响牵引力。

所有夹持模块都标配涡轮增压功能。"Turbo" 空气接头处的短空气脉冲再次显著增加了弹簧实现的正常牵引力。因此,夹持模块也可以很好地用于重型加工。

建议使用涡轮增压功能以获得最大的牵引力。

UNILOCK 夹紧销与固定螺钉 M10、M12、M16 组合使用可以实现以下保持力:
- 保持力 (M10) 35,000N
- 保持力 (M12) 50,000N
- 保持力 (M16) 75,000N
带圆柱螺钉的保持力 DIN EN ISO 4762 -12.9。

夹紧螺栓只能与夹紧模块中安装的更换单元一起夹紧。

所有夹持模块的夹紧销尺寸一致,并与 5 轴模块夹紧系统 80 兼容,保证了应用组合的多样性。
技术参数:- 带涡轮增压机时的牵引力为 14 kN。
- 系统压力:6 bar,润油空气。
- 重复精度 ≤ 0.005 mm。
- 温度范围 5 °C 到 60 °C。
- 扭转止动器。
装配:参见安装轮廓。优点:- 适用于窄缝尺寸。
- 用于机器人自动化系统的夹持模块。
- 查询“打开/关闭”的夹持滑块位置的功能。
- 标配涡轮增压功能。
- 重复精度 ≤ 0.005 mm。
- 通过法兰盘定位。
- 高牵引力。
- 减少准备时间。
附件:- UNILOCK 夹紧销 42208, 42209, 42208-05, 42208-10。
- UNILOCK 夹紧模块的保护螺栓 42796。
- UNILOCK 夹紧模块 42780-45 的托盘联轴器。
说明:推荐的软管内径:
- 四个以下夹持模块时,软管内径 6 mm。
- 五个以上夹持模块时,软管内径 8 mm。
工作原理:夹持模块可以通过接头连接到底板,也可以直接通过夹持模块的螺纹接头进行连接。

为了保证夹紧滑块的功能,必须通过 "Turbo" 空气接口对上活塞腔进行排气。

有四种方式:
1) 连接并使用底板上“打开”接头旁的涡轮增压功能。这样,需要时能通过短空气脉冲再次张紧夹紧模块。(推荐)
2) 在与涡轮增压接头相连的底板上开孔,让空气排出。防止灰尘进入孔内时,不能使用有锁定功能的接头,应插入排气螺栓。
3) 第三种方法,通过一个孔为活塞腔排气,该孔位于底板下方,通过横向槽进行连接。该孔必须匹配涡轮机的接头,确保能够排气。
4) 横向控制夹紧模块时,必须在此处插入一个排气螺栓。

如果夹持模块用于机器人自动化系统,则夹紧模块通过底部或前部的螺纹连接进行控制。
供货范围- 1x 夹持模块。
- 2x O 型环 Ø4x1.50 用于介质供应。
- 2x O 型环 Ø4x1.50 用于查询功能。
- 4x 固定螺栓。
- 4x 固定螺栓的盖板。
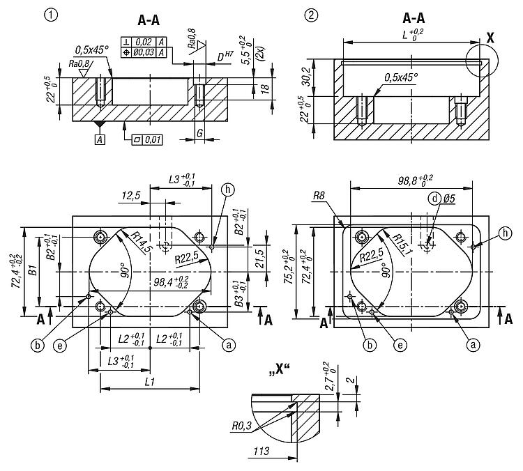
图纸提示:
1) 安装轮廓:
夹持模块用作附加模块
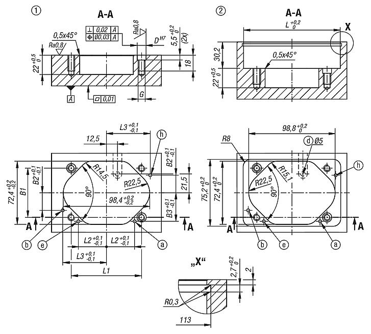
2) 安装轮廓:
夹持模块用作附加模块

a) 底部无软管连接(开放)
O 型环 Ø4x1.5
b) 底部无软管连接(涡轮增压)
O 型环 Ø4x1.5
d) 排气
e) 底部无软管连接(夹紧滑块位置查询功能打开)
O 型环 Ø4x1.5,2 bar,15l/min
f) 横向连接 G1/8(开放驱动)
g) 横向连接 G1/8(涡轮增压)
h) 底部无软管连接(夹紧滑块位置查询功能关闭)
O 型环 Ø4x1.5,2 bar,15l/min
j) 底部无软管连接(密封空气接口)

夹紧模块的连接处外径上标有箭头符号。
特点:
RoHS
下载此处为收集信息的 PDF:

查找 CAD 数据?请直接在产品列表中查找。
 Datasheet 42780-40 UNILOCK 夹持模块 EGM 110-75 502 kB

图纸

UNILOCK 夹持模块 
EGM 110-75
UNILOCK 夹持模块 
EGM 110-75

商品选择/筛选

订货号形状类型BB1B2B3B4D

GG1HH1H2H3H4LL1L2L3L4P=工作压力
bar
牵引力
带涡轮增压器
kN
CAD配件价格订购
42780-40-11075391带防扭转保护75562032,512,0510M8M7613951614110803249,856614 根据要求
我的 norelemE-Mail密码
购物车
商品数量: 0
总数: 0.00  
点击购物车
欢迎扫描二维码
咨询诺瑞朗官方客服微信
中国
苏ICP备20011289号-1  苏公网安备32058502011222 网页地图 打印 推荐 Top
Copyright © 2025 norelem. 保留所有权利。 电话 +49 71 45/206-44 至 45 · 传真 +49 71 45/206-83