norelem 使用 Cookies 以优化设计和持续改进网页。您通过继续使用网页,同意使用 Cookies。在我们的
数据保护声明
中可以找到有关 Cookies 主题的详细信息。
同意
全球分布
创意
AGB
版权说明
数据保护
产品
企业信息
服务
下载
新闻
联系方式
产品概览
固定
灵活的标准件系统
装配
装配系统
运动
用于机床和设备制造的系统/组件
检查
量具检具组件
夹紧
夹紧技术
控制和调节
电动机构
输送
输送和移动技术
technoshop
norelem inch
英制产品目录
42780-50
UNILOCK 夹紧模块提升 ESM 138-C
返回
产品
产品概览
夹紧技术
零点定位夹紧技术
零点夹持系统
UNILOCK 夹紧模块提升 ESM 138-C
商品描述/产品说明
产品说明
产品描述:
模块提升可通过两个零点转换接口安装在 UNILOCK 夹紧模块上。两个夹紧模块之间的中心距为 200 mm。模块提升确保夹具或工件可以快速、准确地更换到机房内。由于采用了凸起或倾斜的转换接口,夹具系统为工件加工提供了最佳通道。此外,使用模块提升确保了机房的中心对齐。
通过夹紧位置的定向定位,可实现多面加工。
材料:
主体材质为工具钢。
渗碳钢夹紧模块。
规格:
夹紧模块工作面经渗碳硬化和打磨处理。
提示:
内置的弹簧组实现了高夹持力(在无压力状态下张紧)。
通过气动压力松开。
即使压缩空气供应出现压力下降或波动的情况,也丝毫不影响牵引力。
所有夹持模块都标配涡轮增压功能。"Turbo" 空气接头处的短空气脉冲再次显著增加了弹簧实现的正常牵引力。因此,夹持模块也可以很好地用于重型加工。
建议使用涡轮增压功能以获得最大的牵引力。
UNILOCK 夹紧销与固定螺钉 M10、M12、M16 组合使用可以实现以下保持力:
- 保持力 (M10) 35,000N
- 保持力 (M12) 50,000N
- 保持力 (M16) 75,000N
带圆柱螺钉的保持力 DIN EN ISO 4762-12.9。
夹紧螺栓只能与夹紧模块中安装的更换单元一起夹紧。
所有夹持模块的夹紧销尺寸一致,与 5 轴模块夹紧系统 80 兼容,保证了广泛的应用选择。
技术参数:
- 涡轮增压时的牵引力为 25 kN。
- 系统压力:6 bar,润油空气。
- 重复精度 ≤0.005 mm。
- 可选清洁空气接头。
温度范围:
+5 °C 至 +60 °C。
优点:
- 标配涡轮增压功能。
- 重复精度 ≤ 0.005 mm。
- 通过法兰盘定位。
- 高牵引力。
- 减少准备时间。
附件:
42208 夹紧销
夹紧模块 42796 的保护销
夹紧模块 42796 的盖板
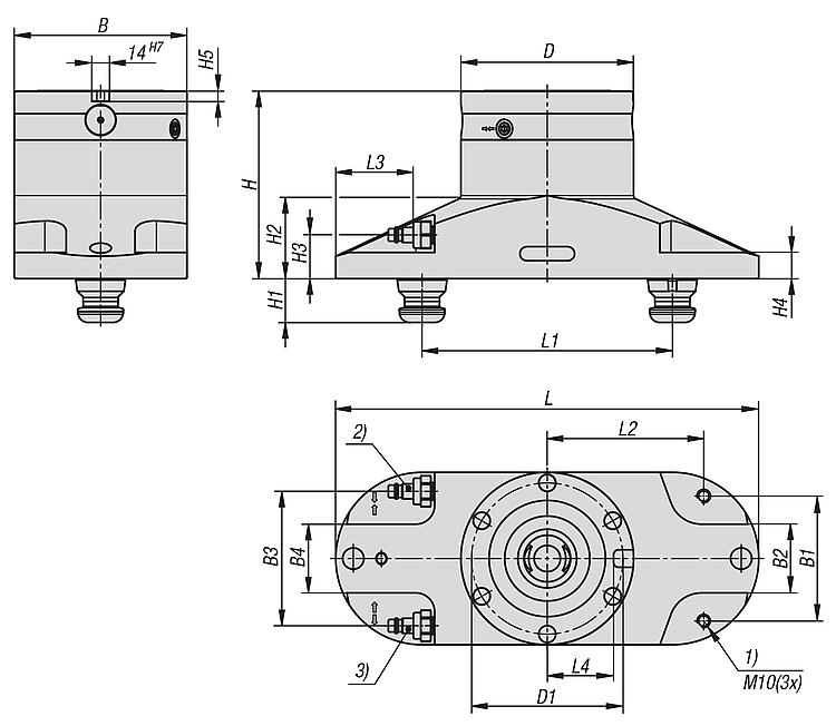
图纸提示:
1) 符合支架安装螺纹,用于平衡旋转时的重量分布
2) 空气接口 G1/8,涡轮功能
3) 空气接口 G1/8,开放式
特点:
下载
此处为收集信息的 PDF:
查找 CAD 数据?请直接在产品列表中查找。
Datasheet 42780-50 UNILOCK 夹紧模块提升 ESM 138-C
319 kB
图纸
商品选择/筛选
订货号
B
B1
B2
B3
B4
D
D1
H
H1
H2
H3
H4
H5
L
L1
L2
L3
L4
P=工作压力
bar
牵引力
带涡轮增压器
kN
CAD
配件
价格
订购
42780-50-1381501
138
100
55
107,6
55
138
121
150
35
63,5
35
21
8
338
200
125
62
53
6
25
根据要求
本类目的其他商品
<<
|
<
|
1-10
|
11-20
|
21-29
|
>
|
>>
42208
UNILOCK 5 轴夹紧销,系统尺寸 80 mm
42208-05
UNILOCK 补偿夹紧销 系统尺寸 80 mm
42208-10
UNILOCK 燕尾夹紧销 系统尺寸 80 mm
42209
UNILOCK 夹紧销
带通孔,系统尺寸 80 mm
42209-10
UNILOCK 减速适配器系统尺寸 138 mm
42751-20
UNILOCK 夹持器
用于 UNILOCK 夹持站
42755
零点夹持系统 UNILOCK 更换板
42756
UNILOCK 单工位夹持站
42756
UNILOCK 双工位夹持站
42756
UNILOCK 4 工位夹持站
<<
|
<
|
1-10
|
11-20
|
21-29
|
>
|
>>
我的 norelem
E-Mail
密码
忘记密码
首次登陆
购物车
商品数量:
0
总数:
0.00
€
点击购物车
欢迎扫描二维码
咨询诺瑞朗官方客服微信
Algérie
Andorra
Argentina
Australia
België
Bolivia
Bosna i Hercegovina
Brasil
Canada
Česká republika
Chile
中国
Colombia
Costa Rica
Cuba
Danmark
Dem. Peop. Rep. of Korea
Deutschland
Ecuador
Eesti
España
Georgia
香港
Hrvatska
India
Ireland
Ísland
Italia
Jamaica
日本
Latvija
Liechtenstein
Lietuvos
Luxemburg
Magyarország
Malaysia
Malta
México
Nederland
New Zealand
Norge
Österreich
Pakistan
Paraguay
Perú
Polska
Portugal
Principauté de Monaco
台灣
Rep. di San Marino
대한민국
România
Schweiz
Singapore
Slovenija
Slovensko
South Africa
Suomi
Sverige
Türkiye
United Kingdom
United States of America
Uruguay
Venezuela
Việt Nam
Ελλάδα
Κύπρος
Беларусь
България
Република Србија
Россия
Србија и Црна Гора
Україна
ישראל
الامارات العربية المتحدة
السعودية
ايران
مصر
ประเทศไทย
Chinese
English
苏ICP备20011289号-1
苏公网安备32058502011222
网页地图
打印
推荐
Top
Copyright © 2025 norelem. 保留所有权利。
电话 +49 71 45/206-44 至 45 · 传真 +49 71 45/206-83