norelem 使用 Cookies 以优化设计和持续改进网页。您通过继续使用网页,同意使用 Cookies。在我们的数据保护声明中可以找到有关 Cookies 主题的详细信息。同意

商品描述/产品说明

查看/筛选所有商品
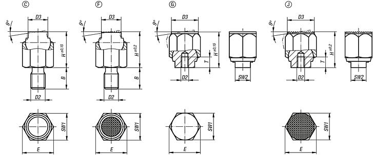
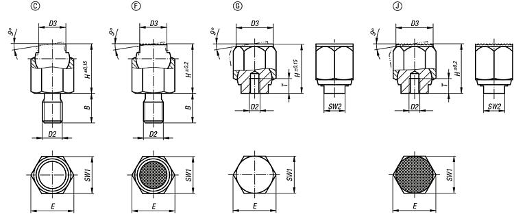
产品说明材料:C 型和 F 型:
钢制顶珠,调质钢制球座。
G 型和 J 型:
调质钢制顶珠,钢制球座。
规格:C 型和 F 型:
顶珠经硬化和黑色氧化处理,球座经磷化处理。
G 型和 J 型:
顶珠经磷化处理,球座经硬化处理和黑色氧化处理。
提示:自调整支撑垫在夹具制造中充当挡块、垫块、压紧块使用。
力被卸载后,支撑面重新归位于初始位置。

顶珠防转动保险。
图纸提示:
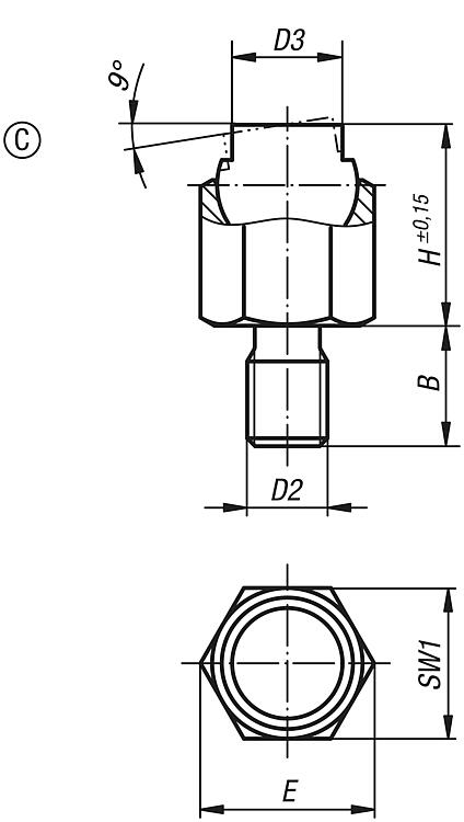
C 型:带外螺纹,平头顶珠,平面
F 型:带外螺纹,平头顶珠,齿面
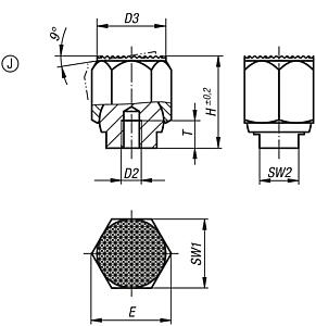
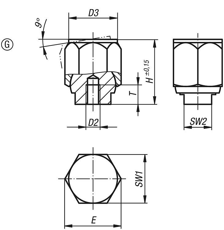
G 型:带配合支座,平头顶珠,平面
J 型:带配合支座,平头顶珠,齿面
下载此处为收集信息的 PDF:

查找 CAD 数据?请直接在产品列表中查找。
 Datasheet 02081 自适应球头端面,带六角形 192 kB

图片(总概述)

自适应球头端面,带六角形
自适应球头端面,带六角形

自适应球头端面,自动回转,带六角形,带外螺纹,扁平顶珠

更多信息

图纸

自适应球头端面,自动回转,带六角形,带外螺纹,扁平顶珠

商品选择/筛选

订货号类型BD2D3HESW1顶珠 ø负载能力
max. kN
(静态负载)
CAD配件价格订购
02081-106C9M671311,51098 根据要求
02081-108C12M89,51815131216 根据要求
02081-110C15M10142521,9191732 根据要求
02081-112C18M12203631,2272564 根据要求
02081-116C24M16224034,6302890 根据要求

自适应球头端面,可自动摆回,带六角形,带外螺纹,平头顶珠,齿面

更多信息

图纸

自适应球头端面,可自动摆回,带六角形,带外螺纹,平头顶珠,齿面

商品选择/筛选

订货号类型BD2D3HESW1顶珠 ø负载能力
max. kN
(静态负载)
CAD配件价格订购
02081-306F9M671311,51098 根据要求
02081-308F12M89,51815131216 根据要求
02081-310F15M10142521,9191732 根据要求
02081-312F18M12203631,2272564 根据要求
02081-316F24M16224034,6302890 根据要求

自适应球头端面,可自动摆回,带六角形,带配合支座,平头顶珠,齿面

更多信息

图纸

自适应球头端面,可自动摆回,带六角形,带配合支座,平头顶珠,齿面

商品选择/筛选

订货号类型D2D3HETSW1SW2顶珠 ø负载能力
max. kN
(静态负载)
CAD配件价格订购
02081-403GM391311,5510698 根据要求
02081-404GM412181561381216 根据要求
02081-405GM5182521,9819101732 根据要求
02081-406GM6263631,21027162564 根据要求
02081-408GM8304034,61230172890 根据要求

自适应球头端面,可自动摆回,带六角形,带配合支座,平头顶珠,齿面

更多信息

图纸

自适应球头端面,可自动摆回,带六角形,带配合支座,平头顶珠,齿面

商品选择/筛选

订货号类型D2D3HETSW1SW2顶珠 ø负载能力
max. kN
(静态负载)
CAD配件价格订购
02081-603JM391311,5510698 根据要求
02081-604JM412181561381216 根据要求
02081-605JM5182521,9819101732 根据要求
02081-606JM6263631,21027162564 根据要求
02081-608JM8304034,61230172890 根据要求
我的 norelemE-Mail密码
购物车
商品数量: 0
总数: 0.00  
点击购物车
欢迎扫描二维码
咨询诺瑞朗官方客服微信
中国
苏ICP备20011289号-1  苏公网安备32058502011222 网页地图 打印 推荐 Top
Copyright © 2025 norelem. 保留所有权利。 电话 +49 71 45/206-44 至 45 · 传真 +49 71 45/206-83