|
|
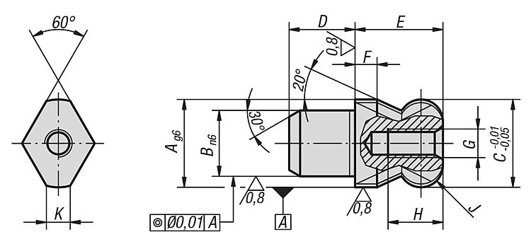
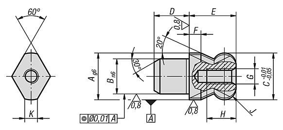
产品说明材料:工具钢或不锈钢 1.4305。 规格:钢制,经硬化和打磨处理。 不锈钢,经打磨和渗碳处理。提示:带球头端的定位销用于方便地定位连接。由定位孔角度偏差或者定位销不平行导致的倾斜,得以通过球头端降至最低限度(请参见接合示意图 1,03108 B 型)。特点: 下载此处为收集信息的 PDF:
查找 CAD 数据?请直接在产品列表中查找。
|
订货号 工具钢 | 订货号 不锈钢 | A | B | C | D
| E | F | G | H | J | K | 筛选 |
|---|
| 03108-062 | 03108-5062 | 6 | 4 | 6 | 4 | 6 | 2 | M2,5 | 4,5 | R 1 | 1,7 |  | | 03108-082 | 03108-5082 | 8 | 6 | 8 | 6 | 8 | 2 | M3 | 6 | R 2 | 2 |  | | 03108-102 | 03108-5102 | 10 | 7 | 10 | 7 | 10 | 2,5 | M3 | 6 | R 2,5 | 2,5 |  | | 03108-122 | 03108-5122 | 12 | 8 | 12 | 8 | 12 | 3 | M4 | 8 | R 3 | 2,5 |  | | 03108-142 | 03108-5142 | 14 | 10 | 14 | 10 | 14 | 3,5 | M4 | 8 | R 3,5 | 3,76 |  | | 03108-162 | 03108-5162 | 16 | 12 | 16 | 12 | 16 | 4 | M5 | 10 | R 4 | 4,3 |  | | 03108-202 | 03108-5202 | 20 | 14 | 20 | 14 | 20 | 5 | M5 | 10 | R 5 | 5 |  | | 03108-222 | - | 22 | 16 | 22 | 16 | 22 | 5,5 | M5 | 10 | R 5,5 | 5 |  | | 03108-252 | - | 25 | 18 | 25 | 18 | 25 | 6 | M5 | 10 | R 6 | 5,6 |  |
|
|