norelem 使用 Cookies 以优化设计和持续改进网页。您通过继续使用网页,同意使用 Cookies。在我们的
数据保护声明
中可以找到有关 Cookies 主题的详细信息。
同意
全球分布
创意
AGB
版权说明
数据保护
产品
企业信息
服务
下载
新闻
联系方式
产品概览
固定
灵活的标准件系统
装配
装配系统
运动
用于机床和设备制造的系统/组件
检查
量具检具组件
夹紧
夹紧技术
控制和调节
电动机构
输送
输送和移动技术
technoshop
norelem inch
英制产品目录
03108
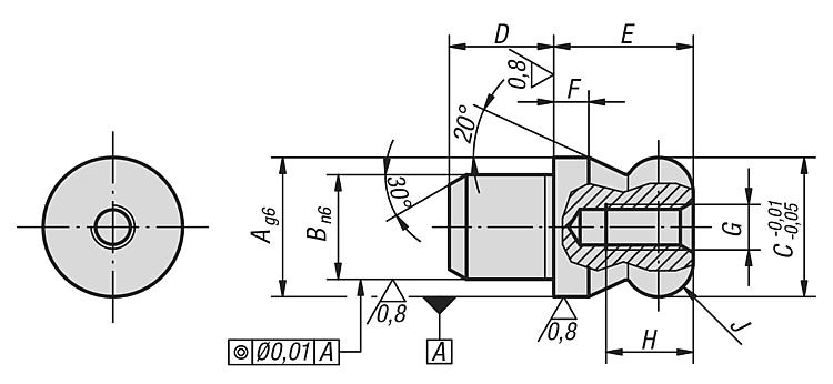
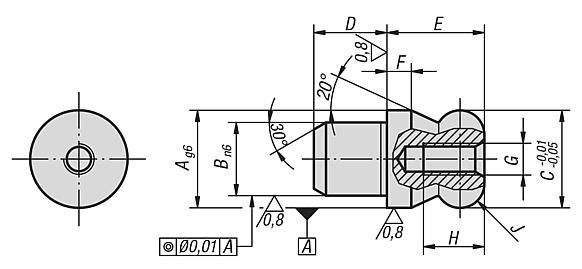
定位销,球头,B 型
返回
产品
产品概览
灵活的标准件系统
弹簧柱塞、 分度销、 挡块、 定心和定位元件、 固定装置、 型槽螺母
定位销,定位系统
定位销,球头,B 型
商品描述/产品说明
产品说明
材料:
工具钢或不锈钢 1.4305。
规格:
钢制,经硬化和打磨处理。
不锈钢,经打磨和渗碳处理。
提示:
带球头端的定位销用于方便低定位连接。由定位孔角度偏差或者定位销不平行导致的倾斜,得以通过球头端降至最低限度(请参见接合示意图 1)。
特点:
下载
此处为收集信息的 PDF:
查找 CAD 数据?请直接在产品列表中查找。
Datasheet 03108 定位销,球头,B 型
650 kB
图纸
商品概述(精简)
商品选择/筛选
订货号
工具钢
订货号
不锈钢
A
B
C
D
E
F
G
H
J
筛选
03108-06
03108-506
6
4
6
4
6
2
M2,5
4,5
R 1
03108-08
03108-508
8
6
8
6
8
2
M3
6
R 2
03108-10
03108-510
10
7
10
7
10
2,5
M3
6
R 2,5
03108-12
03108-512
12
8
12
8
12
3
M4
8
R 3
03108-14
03108-514
14
10
14
10
14
3,5
M4
8
R 3,5
03108-16
03108-516
16
12
16
12
16
4
M5
10
R 4
03108-20
03108-520
20
14
20
14
20
5
M5
10
R 5
03108-22
-
22
16
22
16
22
5,5
M5
10
R 5,5
03108-25
-
25
18
25
18
25
6
M5
10
R 6
本类目的其他商品
<<
|
<
|
1-10
|
11-20
|
21-30
|
31-40
|
41-50
|
51-51
|
>
|
>>
03105
定位销,可移除,A 和 C 型
03106
定位销,可移除,B 和 D 型
03107
定位销,带球头,A 型
03107
定位销,带扁平球头,C 型
03108
定位销,带球头,B 型
03108
定位销,扁平球头,D 型
03108
定位销,带扁平球头,D 型
03110
中心孔定心销
03112
校正孔定心销
03114
修正孔定心销
<<
|
<
|
1-10
|
11-20
|
21-30
|
31-40
|
41-50
|
51-51
|
>
|
>>
我的 norelem
E-Mail
密码
忘记密码
首次登陆
购物车
商品数量:
0
总数:
0.00
€
点击购物车
欢迎扫描二维码
咨询诺瑞朗官方客服微信
Algérie
Andorra
Argentina
Australia
België
Bolivia
Bosna i Hercegovina
Brasil
Canada
Česká republika
Chile
中国
Colombia
Costa Rica
Cuba
Danmark
Dem. Peop. Rep. of Korea
Deutschland
Ecuador
Eesti
España
Georgia
香港
Hrvatska
India
Ireland
Ísland
Italia
Jamaica
日本
Latvija
Liechtenstein
Lietuvos
Luxemburg
Magyarország
Malaysia
Malta
México
Nederland
New Zealand
Norge
Österreich
Pakistan
Paraguay
Perú
Polska
Portugal
Principauté de Monaco
台灣
Rep. di San Marino
대한민국
România
Schweiz
Singapore
Slovenija
Slovensko
South Africa
Suomi
Sverige
Türkiye
United Kingdom
United States of America
Uruguay
Venezuela
Việt Nam
Ελλάδα
Κύπρος
Беларусь
България
Република Србија
Россия
Србија и Црна Гора
Україна
ישראל
الامارات العربية المتحدة
السعودية
ايران
مصر
ประเทศไทย
Chinese
English
苏ICP备20011289号-1
苏公网安备32058502011222
网页地图
打印
推荐
Top
Copyright © 2025 norelem. 保留所有权利。
电话 +49 71 45/206-44 至 45 · 传真 +49 71 45/206-83