norelem 使用 Cookies 以优化设计和持续改进网页。您通过继续使用网页,同意使用 Cookies。在我们的数据保护声明中可以找到有关 Cookies 主题的详细信息。同意

商品描述/产品说明

查看/筛选所有商品
产品说明材料:外壳为结构钢。
夹紧螺栓材质为调质钢。
规格:外壳经黑色氧化处理。
夹紧螺栓调质为 10.9 级,经硬化处理和 PTFE 涂层处理。
提示:这种侧面夹紧弹性夹头特别适用车削零件的二次加工。通过车削和铣削,可以将直径 D 和待夹紧的工件直径相匹配。
通过内六角扳手或液压实现夹紧动作。

* D 最小值 = 可车削或铣削为最小许可直径“D”。
装配:张开弹性夹头超过释放直径大约 0.1 mm。现在便可以在车削或铣削机床上将弹性夹头加工为工件的内径。随供有一个锁紧环。
需要时可以用定位孔或者定位销销对法兰进行对中定心。
A 型随供了 6 个固定螺栓。
图纸提示:
A 型:
用于加工中心,钻床和铣床
B 型:
带轴杆,用于车床卡盘
特点:
RoHS
下载此处为收集信息的 PDF:

查找 CAD 数据?请直接在产品列表中查找。
 Datasheet 03157 弹性夹头,带侧面锁紧 261 kB

图片(总概述)

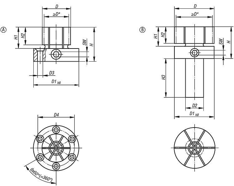
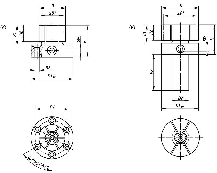
弹性夹头,带侧面锁紧

弹性夹头,带侧面锁紧,A 型,用于加工中心,钻床和铣床

更多信息

图纸

弹性夹头,带侧面锁紧,A 型,用于加工中心,钻床和铣床

商品选择/筛选

订货号类型D

D
min.
D1D3
适用 沉头螺栓
ISO 10642
D4HH1H2SW锁紧扭矩
max. Nm
夹紧力
max. kN
CAD配件价格订购
03157-118029A28,717,850M439,441,322,417,566620 根据要求

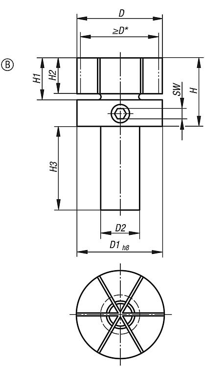
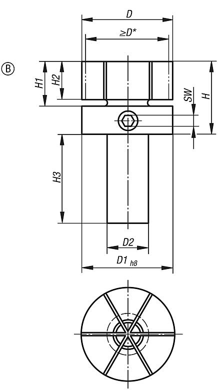
弹性夹头,带侧面锁紧,B 型,带轴杆,用于车床卡盘

更多信息

图纸

弹性夹头,带侧面锁紧,B 型,带轴杆,用于车床卡盘

商品选择/筛选

订货号类型D

D
min.
D1D2HH1H2H3SW锁紧扭矩
max. Nm
夹紧力
max. kN
CAD配件价格订购
03157-218053B53,31853,32544,425,4214566620 根据要求
我的 norelemE-Mail密码
购物车
商品数量: 0
总数: 0.00  
点击购物车
欢迎扫描二维码
咨询诺瑞朗官方客服微信
中国
苏ICP备20011289号-1  苏公网安备32058502011222 网页地图 打印 推荐 Top
Copyright © 2025 norelem. 保留所有权利。 电话 +49 71 45/206-44 至 45 · 传真 +49 71 45/206-83