norelem 使用 Cookies 以优化设计和持续改进网页。您通过继续使用网页,同意使用 Cookies。在我们的数据保护声明中可以找到有关 Cookies 主题的详细信息。同意

商品描述/产品说明

查看/筛选所有商品
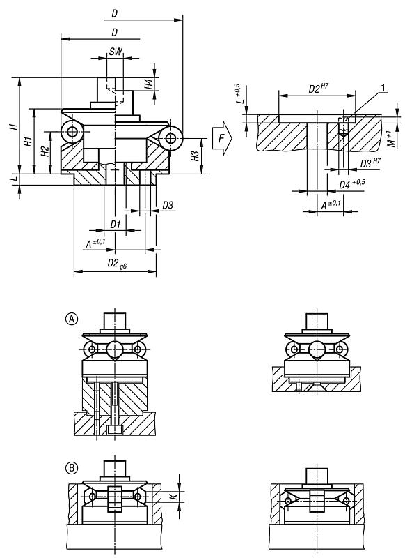
产品说明材料:主体 1.2842。
顶珠和六角 1.4112。
拉力弹簧 1.4310。
规格:主体经硬化和黑色氧化处理。
顶珠和六角经硬化和打磨处理。
技术参数:重复精度 ±0.025
同轴精度 ±0.05
应用:用于在定位孔中的定心和夹紧。优点:- 精确的自定心。
- 夹紧不易变形。
- 较大的调整行程。
- 较小的结构高度。
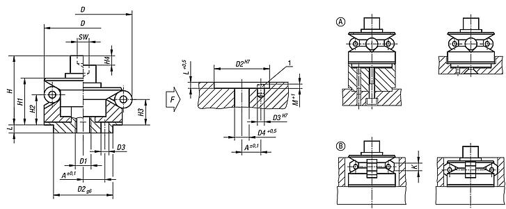
图纸提示:
A 型:
带有顶珠,适用可适度承压的开孔中使用。
B 型:
带有六角,适用表面敏感型孔壁。

1)安装辅助:
用于精确定位夹紧元件的销钉。
特点:
RoHS
下载此处为收集信息的 PDF:

查找 CAD 数据?请直接在产品列表中查找。
 Datasheet 03158 定心夹具 299 kB

图片(总概述)

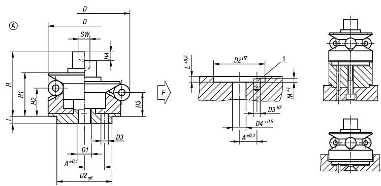
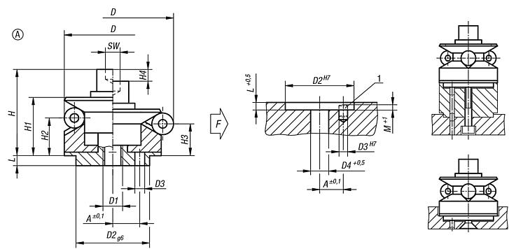
定心夹具

定心夹具,带顶珠,A 型

更多信息

图纸

定心夹具,带顶珠,A 型

商品选择/筛选

订货号

类型AD max.D
min.
D1D2D3D4HH1H2H3H4LMSW球-Ø顶珠数量夹紧力
max. kN
锁紧扭矩
max. Nm
CAD配件价格订购
03158-101203A3,514,211,7M4101,54,315104,231,53,52,532,530,55 根据要求
03158-101504A4,518,514,5M41224,319,514,59,88,62,35,533433,55 根据要求
03158-101905A5,522,518,5M5152,55,323,516,511,610,42,37,53443410 根据要求
03158-102306A726,522,5M62036,428,819,814,2132,3645434,517 根据要求
03158-102706A730,526,5M62036,428,819,814,2132,364,55434,517 根据要求
03158-103106A938,530,5M62546,432,723,114,211,94,674,55834,517 根据要求
03158-103908A1146,538,5M83048,439,227,217,815,54,67,54,56866,543 根据要求
03158-104708A1154,546,5M83048,439,227,21815,74,67,54,56866,543 根据要求
03158-105510A1570,554,5M1045510,554,640,623,719,19,395,58166879 根据要求
03158-107112A1786,570,5M126051363,146,128,323,79,3105,51016610141 根据要求
03158-108712A25102,586,5M1660517735130,225,79,3105,51416612,5354 根据要求

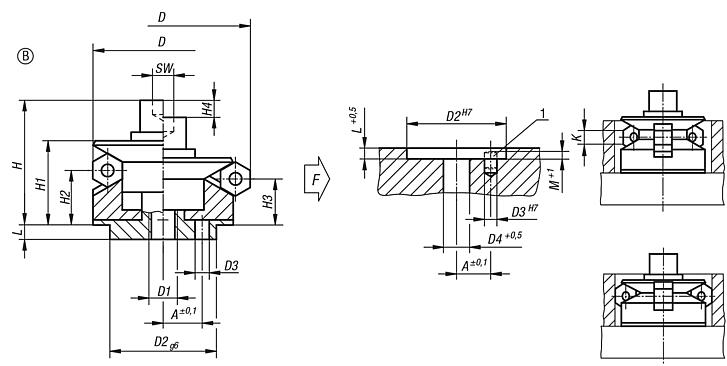
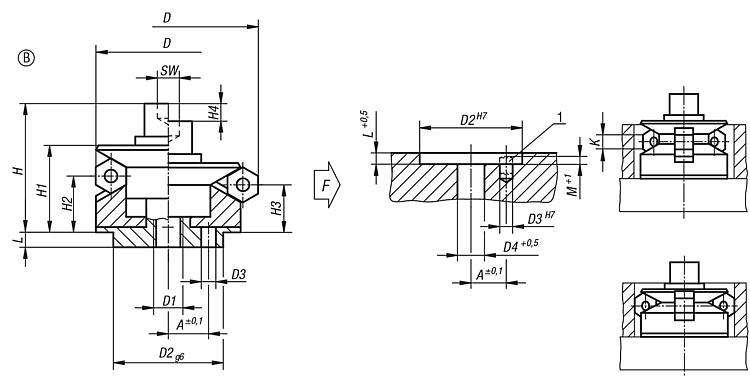
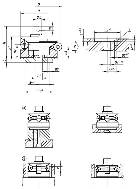
定心夹具,带六角,B 型

更多信息

图纸

定心夹具,带六角,B 型

商品选择/筛选

订货号

类型A

D
min.
D
max.
D1D2D3D4HH1H2H3H4LMKSW六棱柱数量夹紧力
max. kN
锁紧扭矩
max. Nm
CAD配件价格订购
03158-201504B4,514,518,5M41224,319,514,59,88,62,35,534333,55 根据要求
03158-201905B5,518,522,5M5152,55,323,516,511,610,42,37,53443410 根据要求
03158-202306B722,526,5M62036,428,819,814,2132,3644534,517 根据要求
03158-202706B726,530,5M62036,428,819,814,2132,364,54534,517 根据要求
03158-203106B930,538,5M62546,432,723,114,211,94,674,58534,517 根据要求
03158-203908B1138,546,5M83048,439,227,217,815,54,67,54,58666,543 根据要求
03158-204708B1146,554,5M83048,439,227,21815,74,67,54,58666,543 根据要求
03158-205510B1554,570,5M1045510,554,640,623,719,19,395,51686879 根据要求
03158-207112B1770,586,5M126051363,146,128,323,79,3105,51610610141 根据要求
03158-208712B2586,5102,5M1660517735130,225,79,3105,51614612,5354 根据要求
我的 norelemE-Mail密码
购物车
商品数量: 0
总数: 0.00  
点击购物车
欢迎扫描二维码
咨询诺瑞朗官方客服微信
中国
苏ICP备20011289号-1  苏公网安备32058502011222 网页地图 打印 推荐 Top
Copyright © 2025 norelem. 保留所有权利。 电话 +49 71 45/206-44 至 45 · 传真 +49 71 45/206-83