norelem 使用 Cookies 以优化设计和持续改进网页。您通过继续使用网页,同意使用 Cookies。在我们的数据保护声明中可以找到有关 Cookies 主题的详细信息。同意

商品描述/产品说明

查看/筛选所有商品
产品说明材料:

不锈钢 1.4305。

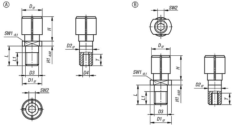
规格:亮色。提示:弹性夹头用于装入细孔(A 型用于通孔,B 型用于通孔或盲孔),以定位和夹紧工件。从上面用内六角扳手手动进行夹紧操作。它们可自行磨合到所需的直径。工件装夹孔的公差应为 H7。

D min. = 允许打磨到的最小直径"D"。

- 用于 Ø5 到 Ø12.5 mm 的孔中
- 紧凑型结构,安装空间小
- 操作简单
- 安装到任意位置
- 可使用不同的安装方案
- 通过表面挤压来保护工件表面
- 可有针对性调节直径

A 型:适用于通孔。
B 型:适用于通孔或盲孔。
装配:需要时可将直径“D”调整到需要夹紧的直径。在这种情况下,将弹性夹头扩为比所需尺寸大约 0.2 mm。此时将弹性夹头磨削为工件的内径。特点:
不锈钢
下载此处为收集信息的 PDF:

查找 CAD 数据?请直接在产品列表中查找。
 Datasheet 03157-10 弹性夹头 用于细孔 307 kB

图片(总概述)

弹性夹头 用于细孔

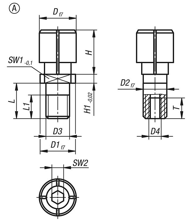
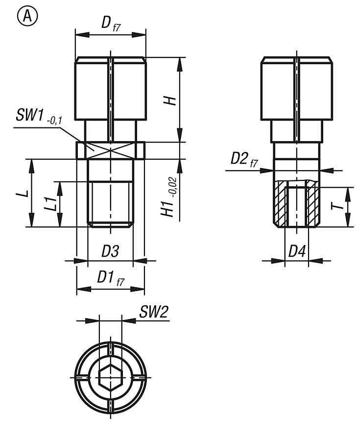
A 型细孔弹性夹头

更多信息

图纸

A 型细孔弹性夹头

商品选择/筛选

订货号类型D

D
min.
D1D2D3D4HH1LL1SW1SW2T锁紧扭矩
max. Nm
夹紧力
max. kN
CAD配件价格订购
03157-10-105060A65106M6M382,51066260,90,19 根据要求
03157-10-106080A86106M6M3102,510662,562,40,34 根据要求
03157-10-108100A108128M8M41231288374,40,62 根据要求
03157-10-110125A12,510128M8M41531288478,10,62 根据要求

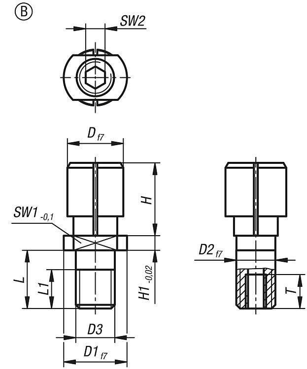
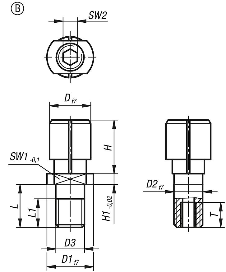
B 型细孔弹性夹头

更多信息

图纸

B 型细孔弹性夹头

商品选择/筛选

订货号类型D

D
min.
D1D2D3HH1LL1SW1SW2T锁紧扭矩
max. Nm
夹紧力
max. kN
CAD配件价格订购
03157-10-204050B54108M86,52,59,868220,90,15 根据要求
03157-10-205060B65128M882,59,8610220,90,19 根据要求
03157-10-206080B86128M8102,59,86102,52,52,40,34 根据要求
03157-10-208100B108128M812311,8810334,40,62 根据要求
03157-10-210120B12101410M1015311,8810448,10,8 根据要求
我的 norelemE-Mail密码
购物车
商品数量: 0
总数: 0.00  
点击购物车
欢迎扫描二维码
咨询诺瑞朗官方客服微信
中国
苏ICP备20011289号-1  苏公网安备32058502011222 网页地图 打印 推荐 Top
Copyright © 2025 norelem. 保留所有权利。 电话 +49 71 45/206-44 至 45 · 传真 +49 71 45/206-83