norelem 使用 Cookies 以优化设计和持续改进网页。您通过继续使用网页,同意使用 Cookies。在我们的数据保护声明中可以找到有关 Cookies 主题的详细信息。同意

商品描述/产品说明

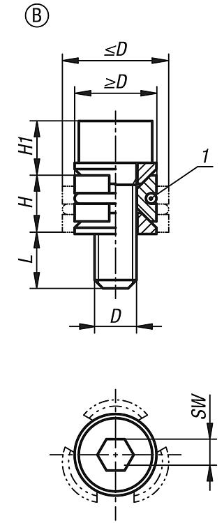
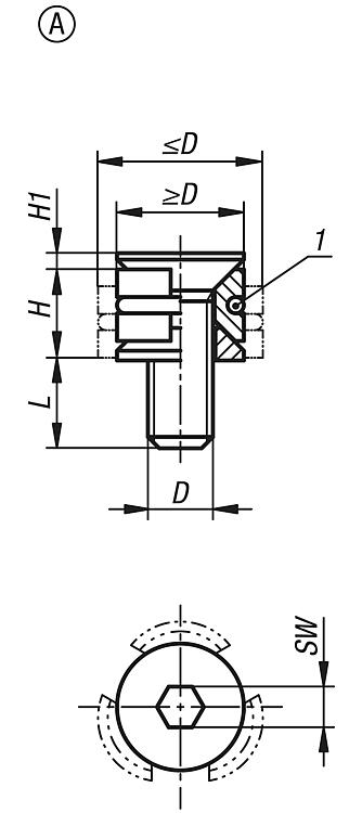
产品说明材料:调制钢。规格:经硬化 (33-39 HRC) 和黑色氧化处理。提示:定心夹具实现在孔内定中心和夹紧工件。
通过楔面实现较大的夹持力。
可以选择订购带圆柱头螺栓或沉头螺栓的定心夹具。
带下拉效应的定心夹具。
图纸提示:
A型:沉头螺栓
B型:圆柱头螺栓

尺寸 H 对应 ≥D 时的高度。
尺寸 L 对应 ≤D 时的高度。

1)O型圈
特点:
RoHS
下载此处为收集信息的 PDF:

查找 CAD 数据?请直接在产品列表中查找。
 Datasheet 03164 定心夹具 圆形 321 kB

图片(总概述)

定心夹具 圆形
定心夹具 圆形

圆形定心夹具,带沉头螺钉,A 型

更多信息

图纸

圆形定心夹具,带沉头螺钉,A 型

商品选择/筛选

订货号类型D=螺纹D
min.
D
max.
HH1LSW夹紧力
max. kN
锁紧扭矩
Nm
CAD配件价格订购
03164-10804AM4x12810,35,50,97,32,50,92,1 根据要求
03164-11005AM5X151012,36,41,19,131,54,3 根据要求
03164-11206AM6X181216,38,61,311,242,17,3 根据要求
03164-11608AM8X25162211,51,616,25418 根据要求

圆形定心夹具,带内六角螺栓,B 型

更多信息

图纸

圆形定心夹具,带内六角螺栓,B 型

商品选择/筛选

订货号类型D=螺纹D
min.
D
max.
HH1LSW夹紧力
max. kN
锁紧扭矩
Nm
CAD配件价格订购
03164-20804BM4x12810,35,55,17,131,52,7 根据要求
03164-21005BM5X151012,36,46,2942,55,4 根据要求
03164-21206BM6X181216,38,67,910,6559,1 根据要求
03164-21608BM8X25162211,510,415,46925 根据要求
我的 norelemE-Mail密码
购物车
商品数量: 0
总数: 0.00  
点击购物车
欢迎扫描二维码
咨询诺瑞朗官方客服微信
中国
苏ICP备20011289号-1  苏公网安备32058502011222 网页地图 打印 推荐 Top
Copyright © 2025 norelem. 保留所有权利。 电话 +49 71 45/206-44 至 45 · 传真 +49 71 45/206-83