norelem 使用 Cookies 以优化设计和持续改进网页。您通过继续使用网页,同意使用 Cookies。在我们的数据保护声明中可以找到有关 Cookies 主题的详细信息。同意

商品描述/产品说明

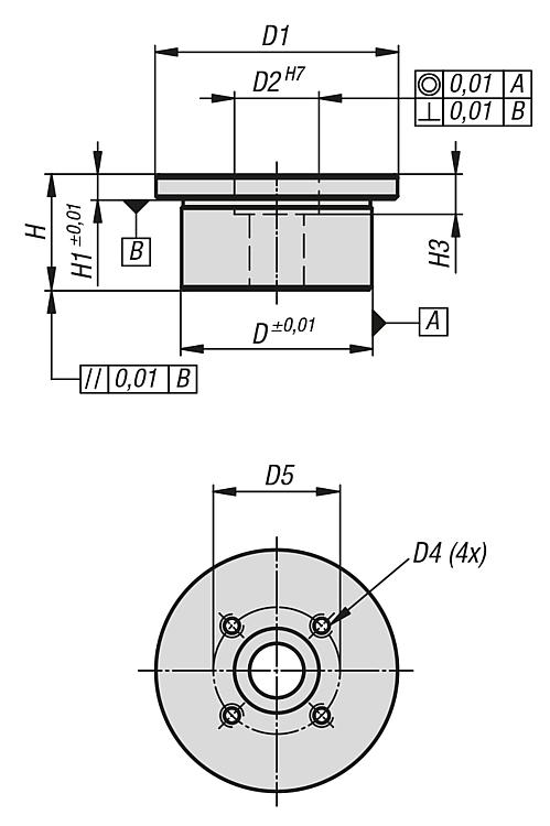
产品说明材料:调质钢 1.7262。
规格:经黑色氧化和渗透硬化处理。提示:适用于筒夹:
03166-065057 和 03166-090072。
特点:
RoHS
下载此处为收集信息的 PDF:

查找 CAD 数据?请直接在产品列表中查找。
 Datasheet 03166 筒夹安装板 190 kB

图纸

筒夹安装板

商品选择/筛选

订货号

D

D1D2D4D5HH1H3CAD配件价格订购
03166-065038638028M6x124238813 根据要求
03166-0900438010042M8x166043815 根据要求
我的 norelemE-Mail密码
购物车
商品数量: 0
总数: 0.00  
点击购物车
欢迎扫描二维码
咨询诺瑞朗官方客服微信
中国
苏ICP备20011289号-1  苏公网安备32058502011222 网页地图 打印 推荐 Top
Copyright © 2025 norelem. 保留所有权利。 电话 +49 71 45/206-44 至 45 · 传真 +49 71 45/206-83