norelem 使用 Cookies 以优化设计和持续改进网页。您通过继续使用网页,同意使用 Cookies。在我们的数据保护声明中可以找到有关 Cookies 主题的详细信息。同意

商品描述/产品说明

查看/筛选所有商品
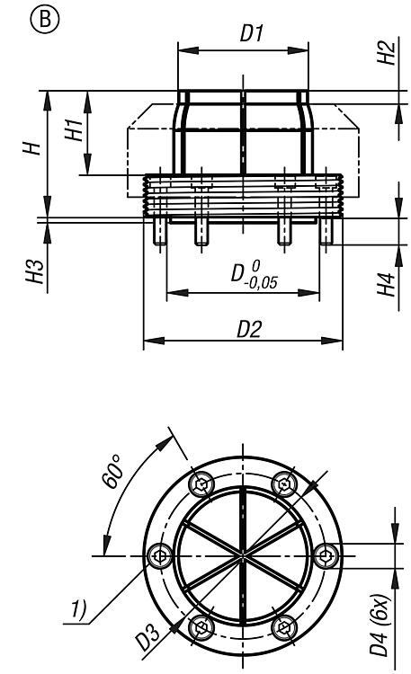
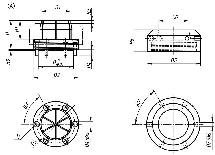
产品说明材料:铝制夹紧轮。
钢制夹钳。
规格:夹紧轮经硬质阳极氧化。提示:夹钳将采用待夹紧工件的轮廓。

将工件轮廓装入夹钳时,需要 15° 的预紧力。

借助度数刻度,即使不使用扭矩扳手,也能始终获得相同的拧紧扭矩,从而安全夹紧工件。

夹钳 03166-10-01910 的夹紧行程每旋转 15° 径向 0.025 mm。建议夹紧行程为 0.07 mm。最大允许夹紧行程为 0.38 mm。
夹钳 03166-10-04950 的夹紧行程为每旋转 15° 径向 0.05 mm。建议夹紧行程为 0.1 mm。最大允许夹紧行程为 0.64 mm。

定位环可实现精确配合。

工件重复精度:± 0.02 mm。
使用说明:夹紧轮通过钩形扳手拧紧。技术参数:参见下载、技术说明。供货范围A 型:由夹紧轮和夹钳组成的筒夹。

B 型:夹钳。

包括用于固定夹钳的圆柱头螺丝。(公制和英制)
图纸提示:
1) 圆柱头螺栓
特点:
RoHS
下载此处为收集信息的 PDF:

查找 CAD 数据?请直接在产品列表中查找。
 Datasheet 03166-10 筒夹 适用于外部夹紧 417 kB
 금형 클램핑 시스템 기술 노트 162 kB

图片(总概述)

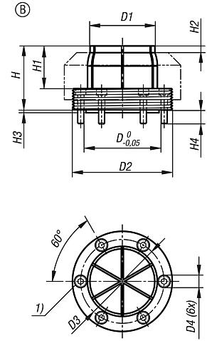
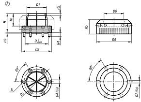
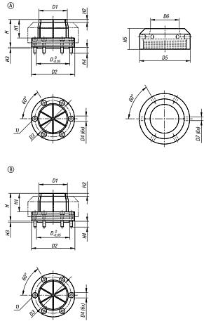
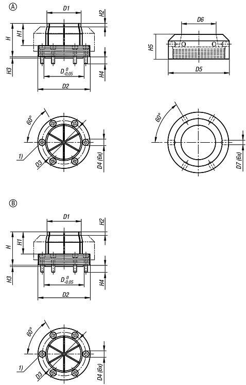
筒夹 适用于外部夹紧

筒夹 适用于外部夹紧, A 型

更多信息

图纸

筒夹 适用于外部夹紧, A 型

商品选择/筛选

筒夹 适用于外部夹紧, B 型

更多信息

图纸

筒夹 适用于外部夹紧, B 型

商品选择/筛选

我的 norelemE-Mail密码
购物车
商品数量: 0
总数: 0.00  
点击购物车
欢迎扫描二维码
咨询诺瑞朗官方客服微信
中国
苏ICP备20011289号-1  苏公网安备32058502011222 网页地图 打印 推荐 Top
Copyright © 2025 norelem. 保留所有权利。 电话 +49 71 45/206-44 至 45 · 传真 +49 71 45/206-83