|
|
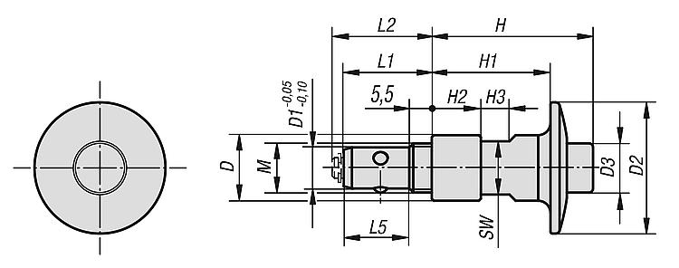
产品说明材料:外壳和压紧旋钮为不锈钢制。 不锈钢制顶珠、弹簧和卡簧。 O 型圈 FKM。规格:亮色壳体。 压紧旋钮,亮色。 顶珠经调质。提示:A 型安装尺寸,用于板厚 6 mm。 B 型安装尺寸,用于板厚 6 至 16 mm。
如果超过夹持力,则板与板之间会产生 0.1 mm 以上的间隙。 注意:指定的拔出力只适用于与衬套 03192-02 搭配使用的情况。附件:衬套 03192-02。特点: 下载此处为收集信息的 PDF:
查找 CAD 数据?请直接在产品列表中查找。
|
| 订货号 | D
| D1 | D2 | D3 | M | L1 | L2 | L5 | H | H1 | H2 | H3 | SW | D5 | D6 | T max. | 夹持力 N | 夹紧力 N | 径向力 kN | 拨出力 kN | 工作温度 | CAD | 配件 | 价格 | 订购 |
|---|
| 03192-6211 | 12 | 6 | 23 | 8 | M8 | 19 | 21 | 13,5 | 25,8 | 18 | 6 | 5,5 | 10 | 8 | 13 | 10 | 90 | 30 | 3 | 0,5 | ≤180 °C |  | | 根据要求 | | | 03192-10241 | 16 | 10 | 32 | 12 | M12x1,5 | 21,5 | 23,5 | 16 | 39,4 | 29 | 12 | 7 | 13 | 12 | 17 | 16 | 150 | 50 | 9 | 1,5 | ≤180 °C |  | | 根据要求 | |
|
|