|
|
|
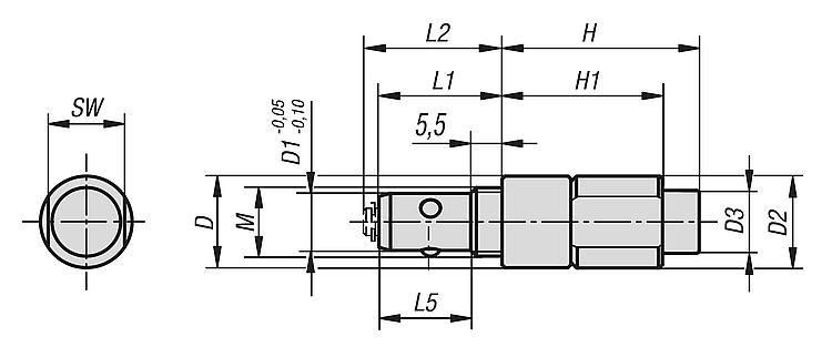
03192带螺纹的钢制或不锈钢快锁插销,无球头 |
返回 |
|
|
产品说明材料:钢制或不锈钢壳体和压紧旋钮。 不锈钢制顶珠、弹簧和卡簧。 O 型圈 FKM。规格:镀镍或亮色壳体。 旋钮经调质和镀镍。 顶珠经调质。提示:A 型安装尺寸,用于板厚 6 mm。 B 型安装尺寸,用于板厚 6 至 16 mm。
如果超过夹持力,则板与板之间会产生 0.1 mm 以上的间隙。 注意:指定的拔出力只适用于与衬套 03192-02 搭配使用的情况。附件:衬套 03192-02。特点: 下载此处为收集信息的 PDF:
查找 CAD 数据?请直接在产品列表中查找。
|
| 订货号 | 主体 材料 | D
| D1 | D2 | D3 | M | L1 | L2 | L5 | H | H1 | SW | D6 | T max. | 夹持力 N | 夹持力 N | 径向力 kN | 拔出力 F kN | 工作温度 | 状态 | CAD | 配件 | 价格 | 订购 |
|---|
| 03192-10242 | 钢制 | 16 | 10 | 16 | 11 | M12x1,5 | 21,5 | 23,5 | 16 | 34,4 | 28 | 13 | 17 | 16 | 150 | 50 | 9 | 1,5 | ≤180 °C | 余货 |  | | 根据要求 | | | 03192-16212 | 不锈钢 | 12 | 6 | 12 | 8 | M8x1,25 | 19 | 21 | 13,5 | 22 | 17,5 | 10 | 13 | 10 | 90 | 30 | 3 | 0,5 | ≤180 °C | |  | | 根据要求 | | | 03192-110242 | 不锈钢 | 16 | 10 | 16 | 11 | M12x1,5 | 21,5 | 23,5 | 16 | 34,4 | 28 | 13 | 17 | 16 | 150 | 50 | 9 | 1,5 | ≤180 °C | |  | | 根据要求 | |
|
|