norelem 使用 Cookies 以优化设计和持续改进网页。您通过继续使用网页,同意使用 Cookies。在我们的数据保护声明中可以找到有关 Cookies 主题的详细信息。同意

商品描述/产品说明

产品说明材料:外壳和旋钮为钢制。
不锈钢制顶珠、弹簧和卡簧。
O 型圈 FKM。
规格:镀镍壳体。
旋钮经调质和镀镍。
顶珠经调质。
提示:A 型安装尺寸,用于板厚 6 mm。
B 型安装尺寸,用于板厚 6 至 16 mm。

如果超过夹持力,则板与板之间会产生 0.1 mm 以上的间隙。
注意:指定的拔出力只适用于与衬套 03192-02 搭配使用的情况。附件:衬套 03192-02。特点:
RoHS
下载此处为收集信息的 PDF:

查找 CAD 数据?请直接在产品列表中查找。
 Datasheet 03192 带螺纹的钢制快锁插销 338 kB
 快锁插销的技术资料 和固定衬套 250 kB

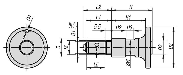
图纸

带螺纹的钢制快锁插销
带螺纹的钢制快锁插销

商品选择/筛选

订货号D

D1D2D3D4ML1L2L5HH1H2H3SWD5D6T
max.
夹持力
N
夹紧力
N
径向力
kN
拨出力
kN
工作温度

CAD配件价格订购
我的 norelemE-Mail密码
购物车
商品数量: 0
总数: 0.00  
点击购物车
中国
苏ICP备20011289号-1  苏公网安备32058502011222 网页地图 打印 推荐 Top
Copyright © 2025 norelem. 保留所有权利。 电话 +49 71 45/206-44 至 45 · 传真 +49 71 45/206-83