norelem 使用 Cookies 以优化设计和持续改进网页。您通过继续使用网页,同意使用 Cookies。在我们的数据保护声明中可以找到有关 Cookies 主题的详细信息。同意

商品描述/产品说明

查看/筛选所有商品
产品说明材料:壳体:高强度铝合金。
压臂:钢制。
规格:压臂黑色氧化处理。提示:迷你夹钳特点为尺寸小,压臂精度高并且结构轻巧。迷你夹钳为自锁结构。夹紧后即便气源切断,由于机械死点,夹持力依然能够保持。该夹钳永久润滑,终身免维护。气缸可以通过干燥空气、或者油气驱动。特点:
RoHS
下载此处为收集信息的 PDF:

查找 CAD 数据?请直接在产品列表中查找。
 Datasheet 05665 迷你夹钳 用于水平安装 314 kB

图片(总概述)

迷你夹钳 用于水平安装
迷你夹钳 用于水平安装

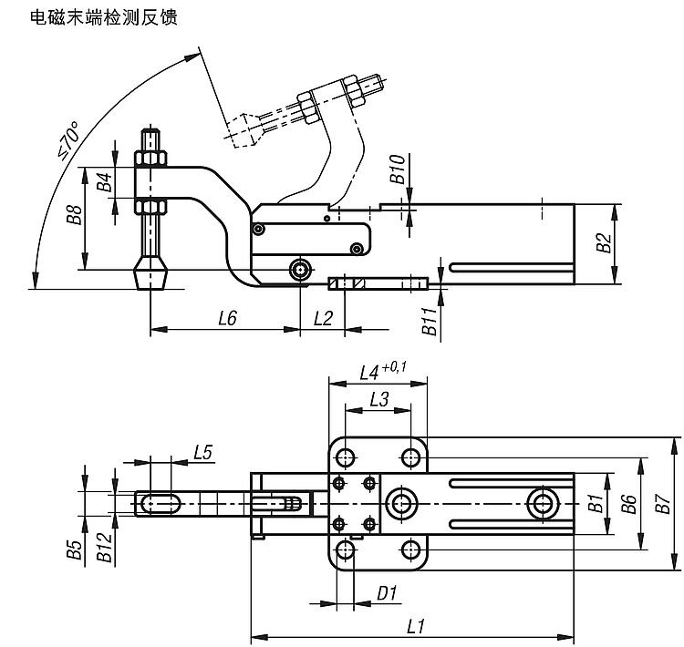
迷你夹钳 用于水平安装-电磁终端检测反馈

更多信息

图纸

迷你夹钳 用于水平安装-电磁终端检测反馈
迷你夹钳 用于水平安装-电磁终端检测反馈

商品概述(精简)

商品选择/筛选
订货号尺寸

夹持扭矩
Nm
为 5 bar 时
保持转矩
Nm
在无油空气下
工作压力,
单位为 bar
在无油空气下
最大压力,
单位为 bar
B1B2B4B5B6B7B8CAD配件价格订购
05665-08128255626321210456533 根据要求
05665-151315545630391512456550 根据要求
05665-251425755635451216507052 根据要求
订货号尺寸

B10B11B12D1

L1L2L3L4L5L6连接螺纹CAD配件价格订购
05665-08122,536,55123163248450M05 根据要求
05665-1513338,58,315822324810,573G1/8 根据要求
05665-2514448,58,318226,5456419,580G1/8 根据要求

迷你夹钳 用于水平安装-不带终端反馈

更多信息

图纸

迷你夹钳 用于水平安装-不带终端反馈

商品概述(精简)

商品选择/筛选
订货号尺寸

夹持扭矩
Nm
为 5 bar 时
保持转矩
Nm
在无油空气下
工作压力,
单位为 bar
在无油空气下
最大压力,
单位为 bar
B1B2B4B5B6B7B8CAD配件价格订购
05665-08428255626321210456533 根据要求
05665-154315545630391512456550 根据要求
05665-254425755635451216507052 根据要求
订货号尺寸

B10B11B12D1

L1L2L3L4L5L6连接螺纹CAD配件价格订购
05665-08422,536,55123163248450M05 根据要求
05665-1543338,58,315822324810,573G1/8 根据要求
05665-2544448,58,318226,5456419,580G1/8 根据要求
我的 norelemE-Mail密码
购物车
商品数量: 0
总数: 0.00  
点击购物车
欢迎扫描二维码
咨询诺瑞朗官方客服微信
中国
苏ICP备20011289号-1  苏公网安备32058502011222 网页地图 打印 推荐 Top
Copyright © 2025 norelem. 保留所有权利。 电话 +49 71 45/206-44 至 45 · 传真 +49 71 45/206-83