|
|
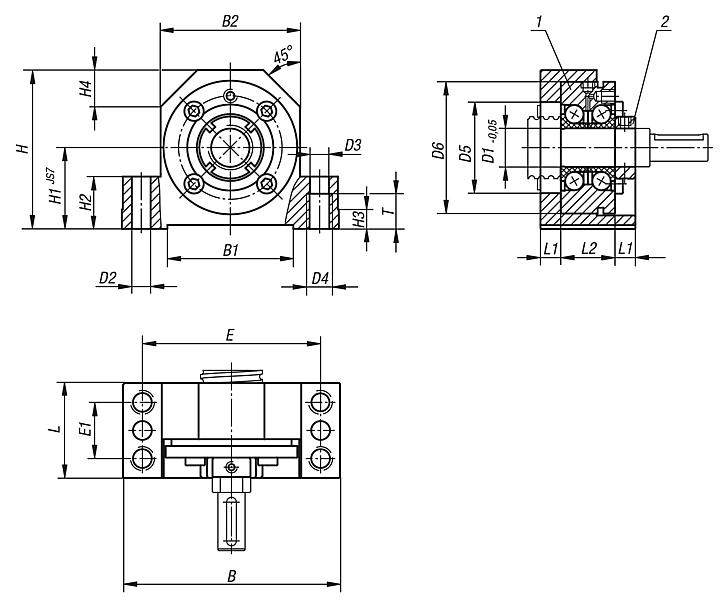
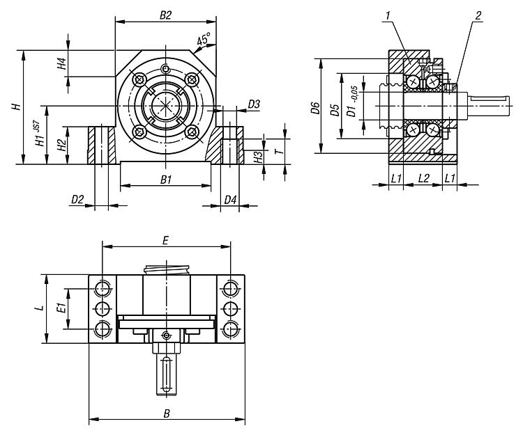
产品说明材料:钢制壳体。规格:经发蓝处理的壳体。提示:丝杠支承的轴高与浮动滑块单元 24074 和法兰螺母 24070 的壳体匹配。壳体可从上或从下拧紧,并可用两个锥形销或圆柱销固定。两侧均可做基准面。
安装有双列预紧高精度轴承和 60°压力角的固定滑块单元。它们可接收来自两个方向的径向力和轴向力,由于已预紧,可确保最高坚固性、循环、精确工具定位和可重复性。图纸提示:特点: 下载此处为收集信息的 PDF:
查找 CAD 数据?请直接在产品列表中查找。
|
| 订货号 | 适用 轴-Ø | B | B1 | B2 | D1 | D2 | D3 | D4 | D5 | D6 | E | E1 | H | H1 | H2 | H3 | H4 | L | L1 | L2 | M | T | CAD | 配件 | 价格 | 订购 |
|---|
| 24072-010 | 16 | 86 | 50 | 52 | 10 | 7,7 | 8,4 | M10 | 32 | 50 | 68 | 23 | 58 | 32 | 22 | 7 | 15 | 37 | 8,5 | 20 | M10x1 | 15 |  | | 根据要求 | | | 24072-012 | 20 | 94 | 58 | 60 | 12 | 7,7 | 8,4 | M10 | 32 | 55 | 77 | 25 | 64 | 34 | 22 | 7 | 17 | 42 | 8,5 | 25 | M12x1 | 15 |  | | 根据要求 | | | 24072-015 | 20 | 108 | 63 | 66 | 15 | 9,7 | 10,5 | M12 | 32 | 60 | 88 | 29 | 72 | 39 | 27 | 10 | 19 | 46 | 10,5 | 25 | M15x1 | 18 |  | | 根据要求 | | | 24072-017 | 25 | 108 | 63 | 66 | 17 | 9,7 | 10,5 | M12 | 36 | 62 | 88 | 29 | 72 | 39 | 27 | 10 | 19 | 46 | 10,5 | 25 | M17x1 | 18 |  | | 根据要求 | | | 24072-020 | 32 | 112 | 70 | 72 | 20 | 9,7 | 10,5 | M12 | 43 | 68 | 92 | 29 | 78 | 42 | 27 | 10 | 20 | 49 | 10,5 | 28 | M20x1 | 18 |  | | 根据要求 | |
| 订货号 | 额定负载 动态 N | 额定负载 静态 N | 刚性 K (N/µm) | CAD | 配件 | 价格 | 订购 |
|---|
| 24072-010 | 13400 | 18800 | 325 |  | | 根据要求 | | | 24072-012 | 16900 | 24700 | 375 |  | | 根据要求 | | | 24072-015 | 17900 | 28000 | 400 |  | | 根据要求 | | | 24072-017 | 18800 | 31000 | 450 |  | | 根据要求 | | | 24072-020 | 26000 | 47000 | 650 |  | | 根据要求 | |
|
|