norelem 使用 Cookies 以优化设计和持续改进网页。您通过继续使用网页,同意使用 Cookies。在我们的
数据保护声明
中可以找到有关 Cookies 主题的详细信息。
同意
全球分布
创意
AGB
版权说明
数据保护
产品
企业信息
服务
下载
新闻
联系方式
产品概览
固定
灵活的标准件系统
装配
装配系统
运动
用于机床和设备制造的系统/组件
检查
量具检具组件
夹紧
夹紧技术
控制和调节
电动机构
输送
输送和移动技术
technoshop
norelem inch
英制产品目录
24074
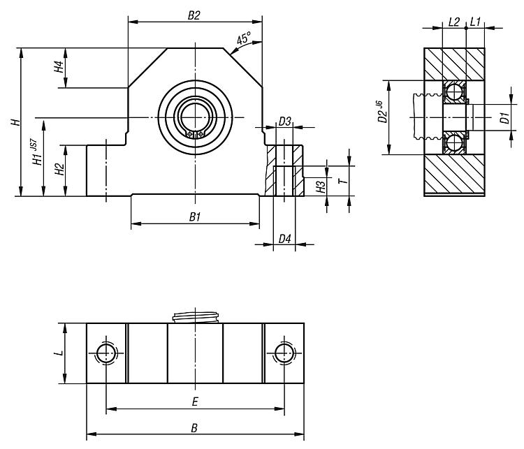
浮动轴承座
返回
产品
产品概览
用于机床和设备制造的系统和组件
梯形丝杠、 滚珠丝杠驱动、 轴承单元、 花键轴
滚珠丝杠驱动和轴承单元
浮动轴承座
商品描述/产品说明
产品说明
材料:
钢制壳体。
规格:
经发蓝处理的壳体。
提示:
丝杠支承的轴高与固定滑块单元 24072 和法兰螺母 24070 的壳体匹配。壳体可从上或从下拧紧。两侧均可做基准面。
带向心球轴承的浮动滑块单元。
特点:
下载
此处为收集信息的 PDF:
查找 CAD 数据?请直接在产品列表中查找。
Datasheet 24074 浮动轴承座
171 kB
图纸
商品选择/筛选
订货号
适用
轴-Ø
B
B1
B2
D1
D2
D3
D4
E
H
H1
H2
H3
H4
L
L1
L2
T
CAD
配件
价格
订购
24074-010
16
86
50
52
10
30
8,4
M10
68
58
32
22
7
15
24
7,5
9
15
根据要求
24074-012
20
94
58
60
12
32
8,4
M10
77
64
34
22
7
17
26
8
10
15
根据要求
24074-015
20
108
63
66
15
35
10,5
M12
88
72
39
27
10
19
28
8
12
18
根据要求
24074-017
25
108
63
66
17
40
10,5
M12
88
72
39
27
10
19
28
8
12
18
根据要求
24074-020
32
112
70
72
20
47
10,5
M12
92
78
42
27
10
20
34
10
14
18
根据要求
本类目的其他商品
<<
|
<
|
1-10
|
11-13
|
>
|
>>
24055
带法兰螺母 DIN 69051-5的滚轧滚珠丝杠
24060
带旋入式螺母的滚轧滚珠丝杠
24070
法兰螺母支架
24071
铝制轴承座
24072
固定轴承座
24076
钢制组块型定轴承单元,BK 型
24078
组块型 浮动轴承座, EF 型
24078-01
钢制组块型定轴承单元,EK 型
24078-02
组块型 浮动轴承单元, EF 型
24080
法兰型 固定轴承座
<<
|
<
|
1-10
|
11-13
|
>
|
>>
我的 norelem
E-Mail
密码
忘记密码
首次登陆
购物车
商品数量:
0
总数:
0.00
€
点击购物车
欢迎扫描二维码
咨询诺瑞朗官方客服微信
Algérie
Andorra
Argentina
Australia
België
Bolivia
Bosna i Hercegovina
Brasil
Canada
Česká republika
Chile
中国
Colombia
Costa Rica
Cuba
Danmark
Dem. Peop. Rep. of Korea
Deutschland
Ecuador
Eesti
España
Georgia
香港
Hrvatska
India
Ireland
Ísland
Italia
Jamaica
日本
Latvija
Liechtenstein
Lietuvos
Luxemburg
Magyarország
Malaysia
Malta
México
Nederland
New Zealand
Norge
Österreich
Pakistan
Paraguay
Perú
Polska
Portugal
Principauté de Monaco
台灣
Rep. di San Marino
대한민국
România
Schweiz
Singapore
Slovenija
Slovensko
South Africa
Suomi
Sverige
Türkiye
United Kingdom
United States of America
Uruguay
Venezuela
Việt Nam
Ελλάδα
Κύπρος
Беларусь
България
Република Србија
Россия
Србија и Црна Гора
Україна
ישראל
الامارات العربية المتحدة
السعودية
ايران
مصر
ประเทศไทย
Chinese
English
苏ICP备20011289号-1
苏公网安备32058502011222
网页地图
打印
推荐
Top
Copyright © 2025 norelem. 保留所有权利。
电话 +49 71 45/206-44 至 45 · 传真 +49 71 45/206-83