|
|
|
24078-01钢制组块型定轴承单元,EK 型 |
返回 |
|
|
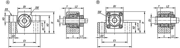
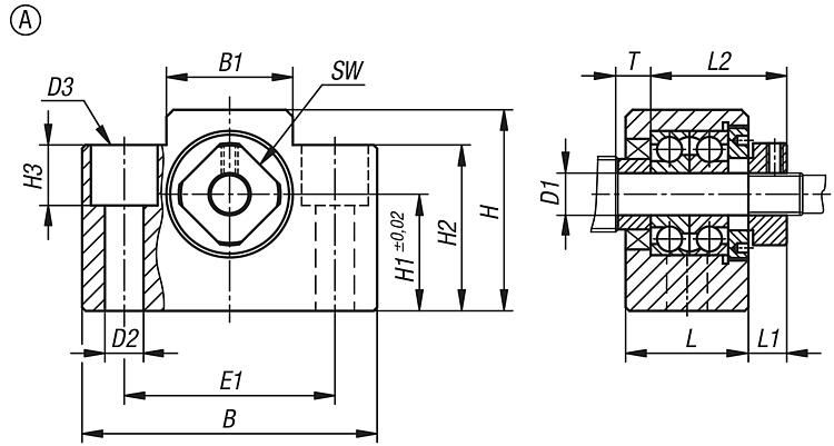
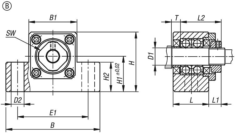
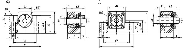
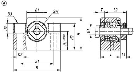
产品说明材料:钢制壳体。规格:经发蓝处理的壳体。提示:丝杠支承的轴高与浮动滑块单元 24078-02 匹配。固定滑块单元由一个壳体和 2 个轴向推力角接触球轴承及密封件组成。已通过一个预置法兰预紧。带弹性卡环和锁紧螺母。特点: 下载此处为收集信息的 PDF:
查找 CAD 数据?请直接在产品列表中查找。
|
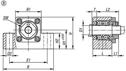
钢制组块型定轴承单元,EK 型, A 型 |
更多信息 |
| 订货号 | 类型 | 尺寸 | B | B1 | D1 | D2 | D3 | E1 | H | H1 | H2 | H3 | L | L1 | L2 | SW | T | 额定负载 动态 N | 额定负载 静态 N | 刚性 K (N/µm) | CAD | 配件 | 价格 | 订购 |
|---|
| 24078-01-006 | A | 6 | 42 | 18 | 6 | 5,5 | 9,5 | 30 | 25 | 13 | 20 | 11 | 20 | 5 | 22 | 12 | 7 | 2500 | 1100 | 32 |  | | 根据要求 | | | 24078-01-008 | A | 8 | 52 | 25 | 8 | 6,6 | 11 | 38 | 32 | 17 | 26 | 12 | 23 | 7 | 26 | 14 | 7,5 | 4100 | 1500 | 51 |  | | 根据要求 | |
|
|
|
|