|
|
|
24078-02组块型 浮动轴承单元, EF 型 |
返回 |
|
|
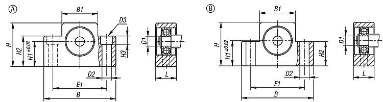
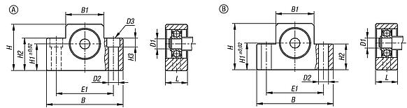
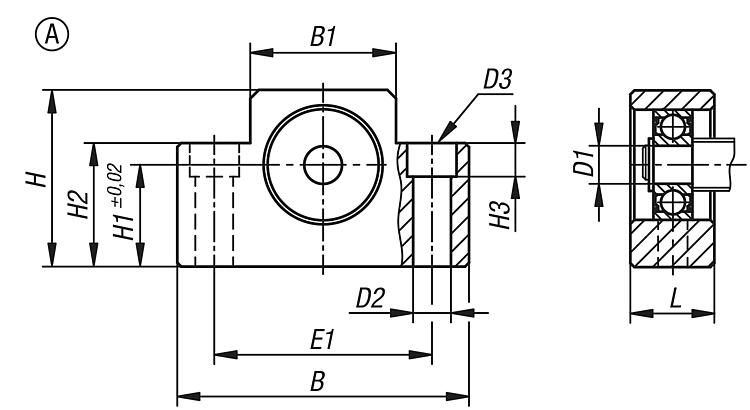
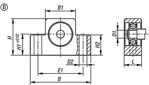
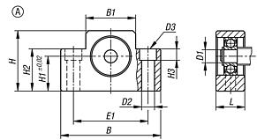
产品说明材料:钢制壳体。规格:经发蓝处理的壳体。提示:丝杠支承的轴高与固定滑块单元 24078-01 匹配。浮动滑块单元由壳体和向心球轴承组成,可根据丝杠长度延伸进行轴向调整。特点: 下载此处为收集信息的 PDF:
查找 CAD 数据?请直接在产品列表中查找。
|
组块型 浮动轴承单元, EF 型, A 型 |
更多信息 |
| 订货号 | 类型 | 尺寸 | B | B1 | D1 | D2 | D3 | E1 | H | H1 | H2 | H3 | L | 额定负载 动态 N | 额定负载 静态 N | CAD | 配件 | 价格 | 订购 |
|---|
| 24078-02-006 | A | 6 | 42 | 18 | 6 | 5,5 | 9,5 | 30 | 25 | 13 | 20 | 11 | 12 | 2190 | 870 |  | | 根据要求 | | | 24078-02-008 | A | 8 | 52 | 25 | 6 | 6,6 | 11 | 38 | 32 | 17 | 26 | 12 | 14 | 2190 | 870 |  | | 根据要求 | |
|
|
|
|