norelem 使用 Cookies 以优化设计和持续改进网页。您通过继续使用网页,同意使用 Cookies。在我们的数据保护声明中可以找到有关 Cookies 主题的详细信息。同意

商品描述/产品说明

产品说明材料:

压铸锌。
iglidur® J 滑动轴承材料。

规格:经铬化处理。提示:

DryLin® W 滑座耐腐蚀且免维护。免于润滑使得系统格外耐脏污。干运行时摩擦系数较低且运行极为安静。适用于单导轨或双导轨。速度最高 15 m/s。
使用温度 -40 °C 至最高 90 °C。

附件:导轨 21240。特点:
RoHS
下载此处为收集信息的 PDF:

查找 CAD 数据?请直接在产品列表中查找。
 Datasheet 21240 DryLin® W 滑座 231 kB

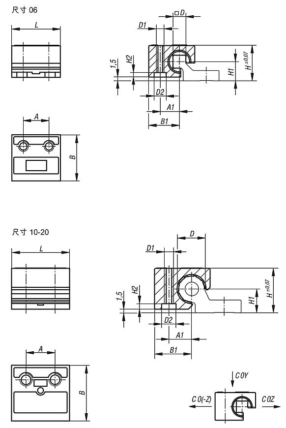
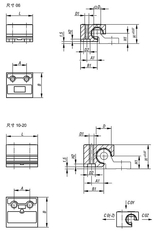
图纸

DryLin® W 滑座

商品选择/筛选

订货号类型 2尺寸AA1BB1D

D1D2HH1H2LC0Y
kN
C0Z
kN
C0(-Z)
kN
CAD配件价格订购
21240-0600标准固定滑块6107,518125M47147,52190,420,420,14  根据要求
21240-0620y 轴的浮动6107,518125M47147,52190,420,420,14  根据要求
21240-0630z 方向的浮动6107,518125M47147,52190,420,420,14  根据要求
21240-1000标准固定滑块1016102616,510M69,51893,5291,21,20,25  根据要求
21240-1020浮动滑块1016102616,510M69,51893,5291,21,20,25  根据要求
21240-1600标准固定滑块16181434,52316M811,527144362,12,10,4  根据要求
21240-2000标准固定滑块20271742,52620M811,536204453,23,20,5  根据要求
21240-2020浮动滑块20271742,52620M811,536204453,23,20,5  根据要求
我的 norelemE-Mail密码
购物车
商品数量: 0
总数: 0.00  
点击购物车
欢迎扫描二维码
咨询诺瑞朗官方客服微信
中国
苏ICP备20011289号-1  苏公网安备32058502011222 网页地图 打印 推荐 Top
Copyright © 2025 norelem. 保留所有权利。 电话 +49 71 45/206-44 至 45 · 传真 +49 71 45/206-83