norelem 使用 Cookies 以优化设计和持续改进网页。您通过继续使用网页,同意使用 Cookies。在我们的
数据保护声明
中可以找到有关 Cookies 主题的详细信息。
同意
全球分布
创意
AGB
版权说明
数据保护
产品
企业信息
服务
下载
新闻
联系方式
产品概览
固定
灵活的标准件系统
装配
装配系统
运动
用于机床和设备制造的系统/组件
检查
量具检具组件
夹紧
夹紧技术
控制和调节
电动机构
输送
输送和移动技术
technoshop
norelem inch
英制产品目录
21245-01
转台滑动轴承
返回
产品
产品概览
用于机床和设备制造的系统和组件
滑台、 导轨、 定位台、 小型滑动导轨、 位置指示器
塑料制滑动导轨
转台滑动轴承
商品描述/产品说明
产品说明
材料:
铝制外圈和内圈。
滑动元件采用 Iglidur® J。
不锈钢 A2 螺钉。
规格:
外圈和内圈经阳极氧化处理。
提示:
转台滑动轴承采用铝制,可更换滑动元件,这种元件由一种高性能滑动轴承材料制成。这样的材料匹配能确保完全无润滑和免维护运行。
装配简单。
耐磨损性高。
可承受高应力,具有高强度。
温度范围:
-50 °C 至 +90 °C。
特点:
下载
此处为收集信息的 PDF:
查找 CAD 数据?请直接在产品列表中查找。
Datasheet 21245-01 转台滑动轴承
324 kB
图纸
商品选择/筛选
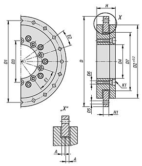
订货号
A
D
D1
D2
D3
D4
D5
D6
D7
E1
E2
H
H1
CAD
配件
价格
订购
21245-01-1108020
3,5
80
70
60
31
20
4,5
M4
40
6X60°
6X60°
24
8
根据要求
21245-01-1110030
4,5
100
91
82
42,5
30
4,5
M4
58
8X45°
8X45°
29
10
根据要求
21245-01-1116060
4,5
160
145
130
74
60
5,5
M5
103
10X36°
20X18°
33
10
根据要求
订货号
K1
静态
轴向载荷
N
动态
轴向载荷
N
静态
径向载荷
N
动态
径向载荷
N
最大倾斜力矩
Nm
转速限制
n max.
1/min
CAD
配件
价格
订购
21245-01-1108020
DIN 7984 M4
15000
4000
2300
600
100
300
根据要求
21245-01-1110030
DIN 7984 M4
27000
7000
5000
1500
200
250
根据要求
21245-01-1116060
ISO 4762 M5
50000
15000
10000
3000
800
200
根据要求
本类目的其他商品
<<
|
<
|
1-10
|
11-12
|
>
|
>>
21200
DryLin® T 导向滑块
21200
DryLin® T 导轨
21210
DryLin® T 小型线性导轨
21230
DryLin® N 微型滑道,宽度 17 mm
21230
DryLin® N 微型滑道,宽度 27 mm
21230
DryLin® N 微型滑道,宽度 40 mm
21230
DryLin® N 扁平导轨
21240
DryLin® W 导向滑块
21240
DryLin® W 滑座
21240
Drylin® W 单导轨
<<
|
<
|
1-10
|
11-12
|
>
|
>>
我的 norelem
E-Mail
密码
忘记密码
首次登陆
购物车
商品数量:
0
总数:
0.00
€
点击购物车
欢迎扫描二维码
咨询诺瑞朗官方客服微信
Algérie
Andorra
Argentina
Australia
België
Bolivia
Bosna i Hercegovina
Brasil
Canada
Česká republika
Chile
中国
Colombia
Costa Rica
Cuba
Danmark
Dem. Peop. Rep. of Korea
Deutschland
Ecuador
Eesti
España
Georgia
香港
Hrvatska
India
Ireland
Ísland
Italia
Jamaica
日本
Latvija
Liechtenstein
Lietuvos
Luxemburg
Magyarország
Malaysia
Malta
México
Nederland
New Zealand
Norge
Österreich
Pakistan
Paraguay
Perú
Polska
Portugal
Principauté de Monaco
台灣
Rep. di San Marino
대한민국
România
Schweiz
Singapore
Slovenija
Slovensko
South Africa
Suomi
Sverige
Türkiye
United Kingdom
United States of America
Uruguay
Venezuela
Việt Nam
Ελλάδα
Κύπρος
Беларусь
България
Република Србија
Россия
Србија и Црна Гора
Україна
ישראל
الامارات العربية المتحدة
السعودية
ايران
مصر
ประเทศไทย
Chinese
English
苏ICP备20011289号-1
苏公网安备32058502011222
网页地图
打印
推荐
Top
Copyright © 2025 norelem. 保留所有权利。
电话 +49 71 45/206-44 至 45 · 传真 +49 71 45/206-83