norelem 使用 Cookies 以优化设计和持续改进网页。您通过继续使用网页,同意使用 Cookies。在我们的数据保护声明中可以找到有关 Cookies 主题的详细信息。同意

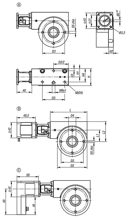
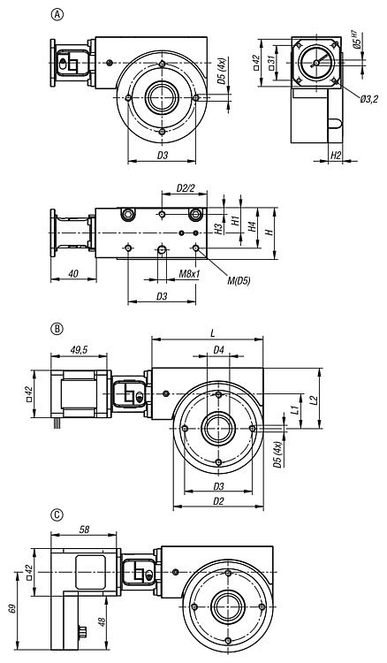
商品描述/产品说明

产品说明材料:铝合金制基体和圆台。
不锈钢制空心轴。
钢制预张紧涡轮传动。
带聚氨酯制联轴器毂的铝制爪形联轴器。
规格:经阳极氧化处理的铝合金。订购须知:如技术图纸所示,提供电缆输出端或控制单元。提示:用于机动调整和定位任务的定位圆台。预张紧涡轮传动几乎无间隙地工作。蜗杆轴的轴承提供最高的径向旋转精度。通过空心轴中的较大孔可穿过导线。利用可调节定位环可将旋转基准点任意固定至已安装部件的位置。可利用可选购的传感器支架(21094)安装接近开关。用于带定位控制系统的步进电机的适配编程软件和接口电缆作为附件 (85000-15) 一起提供。

具有每转 200 步分辨率的步进电机可实现 0.005mm 的单向计算定位精度。单向绝对定位精度为 0.01mm。可在接通时间 100 % 的情况下操作系统。

可与具有相同结构尺寸的所有其他部件结合。
技术参数:21085-08*:
传动比:40:1
逆转间隙:<0.12°
径向间隙:<0.02mm
最大输入转速:600 rpm
最长接通时间:100 %
所需输入扭矩:0.15Nm
坚固性:参见图表
可旋转:360°、无限
使用温度:+10 °C 至 +50 °C

21085-12*:
传动比:55:1
逆转间隙:<0.1°
径向间隙:<0.02mm
最大输入转速:600 rpm
最长接通时间:100 %
所需输入扭矩:0.15Nm
坚固性:参见图表
可旋转:360°、无限
使用温度:+10 °C 至 +50 °C
下载此处为收集信息的 PDF:

查找 CAD 数据?请直接在产品列表中查找。
 Datasheet 21085 带同轴电气驱动的定位圆台 534 kB
 Step motor: software and handbook 5,2 MB
 Motorlu konumlandırma sistemleri 1,3 MB

图纸

带同轴电气驱动的定位圆台
带同轴电气驱动的定位圆台

商品选择/筛选

订货号

尺寸类型形状类型电缆出口方向控制方向CAD配件价格订购
21085-0808D不带电机-- 根据要求
21085-08118E带步进电机- 根据要求
21085-08128E带步进电机下面- 根据要求
21085-08138E带步进电机- 根据要求
21085-08148E带步进电机上面- 根据要求
21085-08218F带集成定位控制系统的步进电机- 根据要求
21085-08228F带集成定位控制系统的步进电机-下面 根据要求
21085-08238F带集成定位控制系统的步进电机- 根据要求
21085-08248F带集成定位控制系统的步进电机-上面 根据要求
21085-12012A不带电机-- 根据要求
21085-121112B带步进电机- 根据要求
21085-121212B带步进电机下面- 根据要求
21085-121312B带步进电机- 根据要求
21085-121412B带步进电机上面- 根据要求
21085-122112C带集成定位控制系统的步进电机- 根据要求
21085-122212C带集成定位控制系统的步进电机-下面 根据要求
21085-122312C带集成定位控制系统的步进电机- 根据要求
21085-122412C带集成定位控制系统的步进电机-上面 根据要求
尺寸

D2D3D4D5HH1H2H3H4H5LL1L2筛选
853,63612H7M44016,5104224,57022,644
12806020M64622,513636-993154
尺寸F1
N
F2
N
F3
N
M1
Nm
M2
Nm
筛选
8200200801,21,8
1250050020033
我的 norelemE-Mail密码
购物车
商品数量: 0
总数: 0.00  
点击购物车
欢迎扫描二维码
咨询诺瑞朗官方客服微信
定位单元
中国
苏ICP备20011289号-1  苏公网安备32058502011222 网页地图 打印 推荐 Top
Copyright © 2025 norelem. 保留所有权利。 电话 +49 71 45/206-44 至 45 · 传真 +49 71 45/206-83