|
|
产品说明材料:铝制外壳。 不锈钢转盘和空心轴。规格:铝制,经阳极氧化处理。提示:齿带驱动的定位圆台适用于工件的精确快速定位。电动圆台的转盘由步进电机和齿形带驱动。由于采用了角度设计,旋转轴可以安装在各种机器结构中。 气动和电气线路可以穿过空心轴的较大孔,而不会影响转台的功能。此外,孔的公差设计为 H7,作为车削件的定心点。利用可调节定位环,可根据安装部件的位置任意固定旋转基准点。 轴承为交叉滚子轴承。可利用可选购的传感器支架(21085-02-901)安装接近开关。 我们提供下载的相应编程软件。
具有每转 200 步分辨率的步进电机可实现 0.005 mm 的单向计算定位精度。单向绝对定位精度为 0.01 mm。系统的接通时间为 100 %。技术参数:21085-10*:
传动比:2:1 逆转间隙:<0.2° 转盘旋转:<0.02 mm 最大输入转速:600 U/min 最大接通时间:100 % 所需输入扭矩:0.13 Nm 坚固性:参见图表 可旋转:360°、无限 使用温度:+10 °C 至 +60 °C 效率 η:0.85特点: 下载此处为收集信息的 PDF:
查找 CAD 数据?请直接在产品列表中查找。
|
订货号 | 类型 | 形状类型 | 变速比 | L | B | H | D
| D1 | F1 N | F2 N | F3 N | M1 Nm | M2 Nm | CAD | 配件 | 价格 | 订购 |
|---|
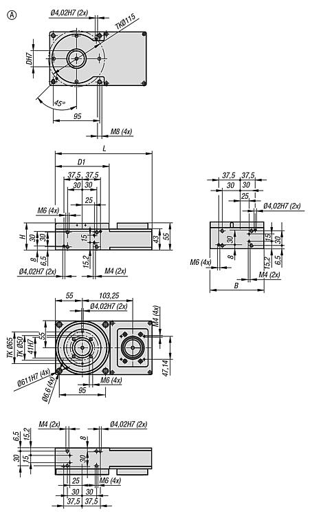
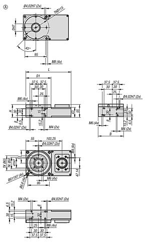
| 21085-10-0 | A | 无顶部电机法兰 | 2:1 | 198 | 110 | 55 | 32 | 110 | 5000 | 3000 | 5000 | 10 | 100 |  | | 根据要求 | |
|
订货号 | 类型 | 形状类型 | 变速比 | L | B | H | H1 | D
| D1 | F1 N | F2 N | F3 N | M1 Nm | M2 Nm | CAD | 配件 | 价格 | 订购 |
|---|
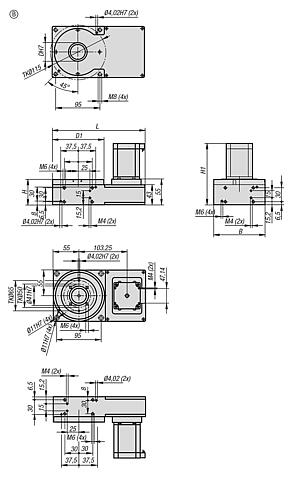
| 21085-10-1 | B | 顶部带步进电机 | 2:1 | 198 | 110 | 55 | 131,50 | 32 | 110 | 5000 | 3000 | 5000 | 10 | 100 |  | | 根据要求 | |
|
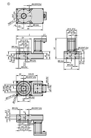
订货号 | 类型 | 形状类型 | 变速比 | L | L1 | B | H | H1 | D
| D1 | F1 N | F2 N | F3 N | M1 Nm | M2 Nm | CAD | 配件 | 价格 | 订购 |
|---|
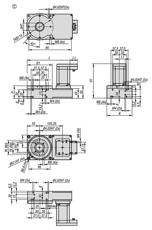
| 21085-10-2 | C | 顶部带控制装置的步进电机 | 2:1 | 198 | 22 | 110 | 55 | 150 | 32 | 110 | 5000 | 3000 | 5000 | 10 | 100 |  | | 根据要求 | |
|
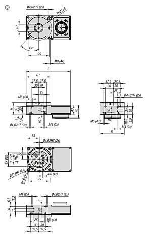
订货号 | 类型 | 形状类型 | 变速比 | L | B | H | H2 | D
| D1 | F1 N | F2 N | F3 N | M1 Nm | M2 Nm | CAD | 配件 | 价格 | 订购 |
|---|
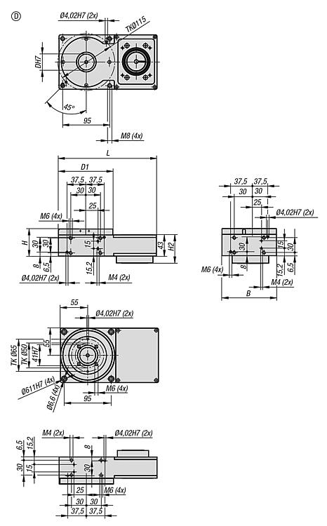
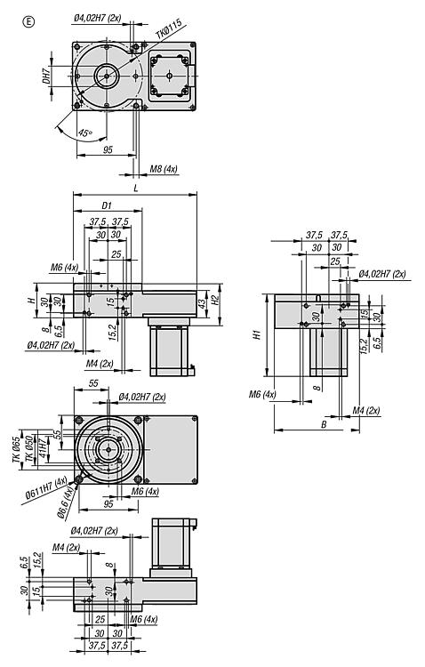
| 21085-10-3 | D | 底部不带电机法兰 | 2:1 | 198 | 110 | 55 | 67 | 32 | 110 | 5000 | 3000 | 5000 | 10 | 100 |  | | 根据要求 | |
|
订货号 | 类型 | 形状类型 | 变速比 | L | B | H | H1 | H2 | D
| D1 | F1 N | F2 N | F3 N | M1 Nm | M2 Nm | CAD | 配件 | 价格 | 订购 |
|---|
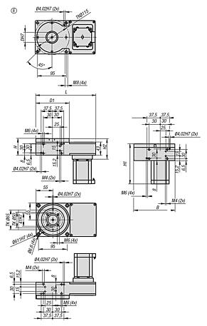
| 21085-10-4 | E | 底部带步进电机 | 2:1 | 198 | 110 | 55 | 143,50 | 67 | 32 | 110 | 5000 | 3000 | 5000 | 10 | 100 |  | | 根据要求 | |
|
订货号 | 类型 | 形状类型 | 变速比 | L | L1 | B | H | H1 | H2 | D
| D1 | F1 N | F2 N | F3 N | M1 Nm | M2 Nm | CAD | 配件 | 价格 | 订购 |
|---|
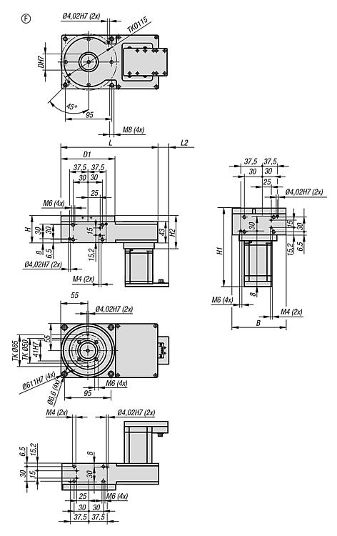
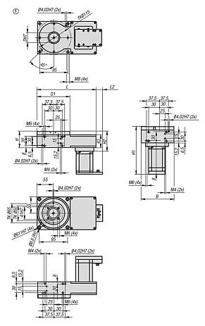
| 21085-10-5 | F | 底部带控制装置的步进电机 | 2:1 | 198 | 22 | 110 | 55 | 162 | 67 | 32 | 110 | 5000 | 3000 | 5000 | 10 | 100 |  | | 根据要求 | |
|
|
|